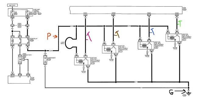
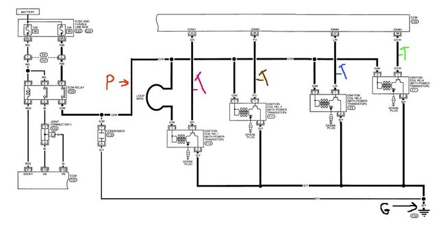
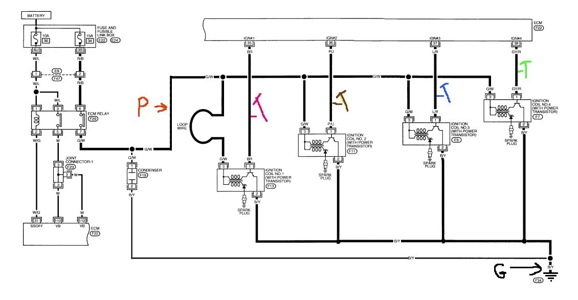
started with car would turnover but no start. after hesitation while driving and loss of power while driving. .after changing fuel pump, most sensors and changing out the four coils, and fixing wiring. please help me resolve this. much time and many dollars and these cars did have their share of problems. Help
Sep 7, 2017 at 11:06 AM
