☰
Login
Join
×
Home
Answered Questions
Repair Topics
Repair & Service Guides
Popular Questions
Warning Lights
Trouble Codes
How It Works
Testing / Diagnostics
Symptoms
Videos
Login
Become a Member
Home
Ford
Mustang
Ignition
Coil
Coil Pack
1997 FORD MUSTANG
170,000 MILES • 4.8L • V8 • RWD • AUTOMATIC
JACQUE PALMER
MEMBER
1 POST
FOLLOW
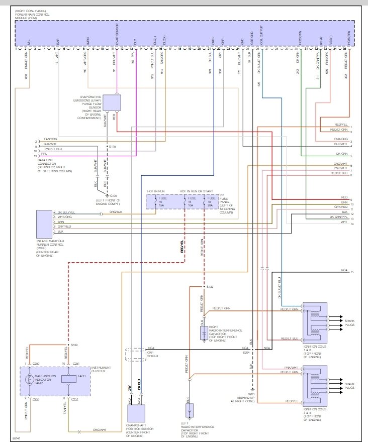
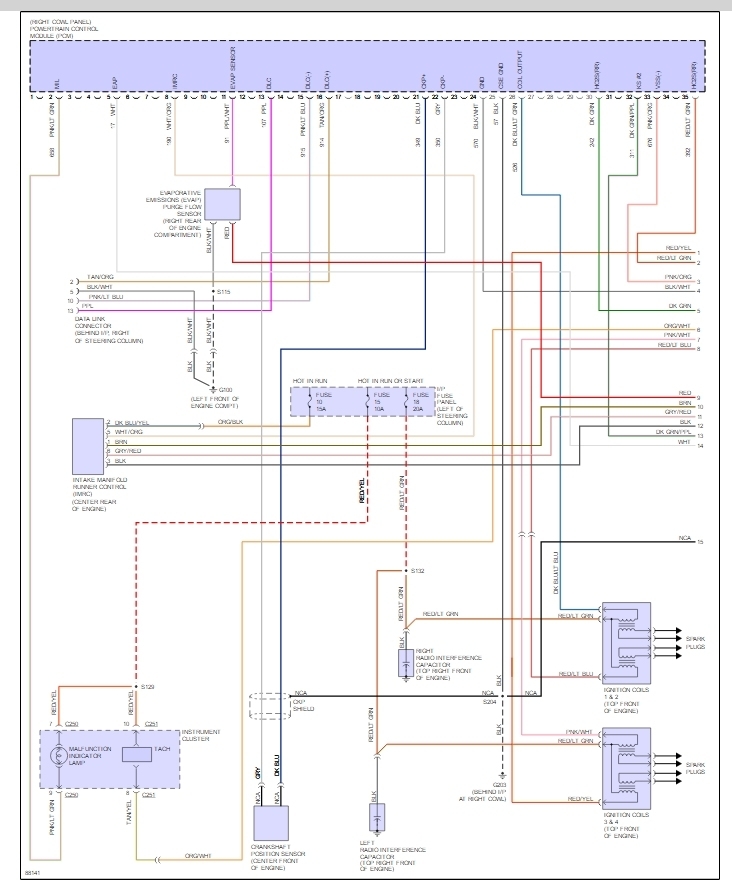
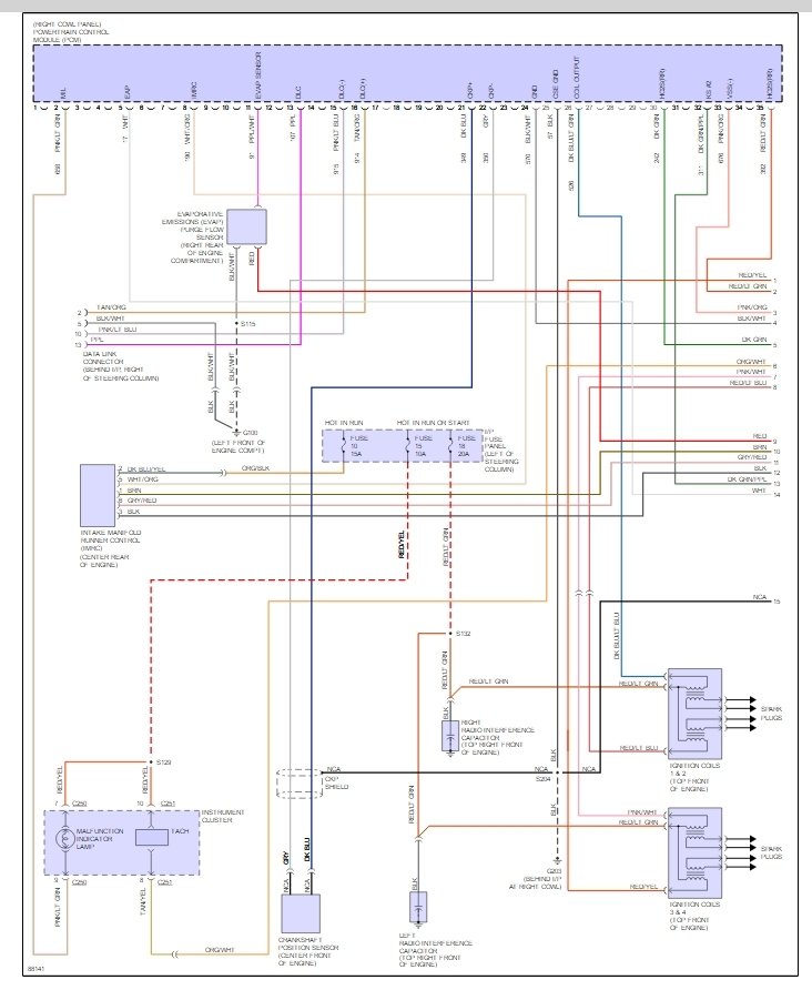
Trying to find out where the blue wire on the passenger side coil pack attaches after it enters the firewall.
Jun 24, 2016 at 12:11 PM
Advertisement
STRAILER
CERTIFIED EXPERT
53,854 POSTS
Hi JACQUE,
Yep here you go please let us know if you need anything else, we are here to help.
Best, Ken
Image (Click to enlarge)
Jun 24, 2016 at 12:17 PM