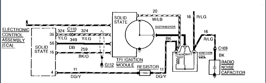
The car was driving great in fifth gear. I looked down and the rpm’s dropped to zero. The car would not start. We have no spark and the coil is good. What do I check next?
Nov 3, 2019 at 5:36 AM


