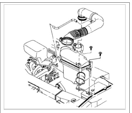
I have the car listed above S series. I have a problem in the transmission I have the codes p0732, p0733, p0734, I already checked the transmission fluid, the solenoids, the speed sensor I did a test that look on the internet (connect a multi-meter in AC, I put the terminals on the sensor and put a drill on the other end and the multi-meter recorded its movement).
When the engine starts the changes come in but you can hear the transmission kick, when I apply the brake and accelerate again and it does not exceed the first speed, I erase the codes with my scanner and change again until the brakes are applied again.
I just bought the car, and they tell me they changed the transmission but it did not work, they said that this transmission if it worked, I know you are an expert and I would like to know if you can help me.
Sorry if you do not understand something, I do not speak English and use the Google translator.
When the engine starts the changes come in but you can hear the transmission kick, when I apply the brake and accelerate again and it does not exceed the first speed, I erase the codes with my scanner and change again until the brakes are applied again.
I just bought the car, and they tell me they changed the transmission but it did not work, they said that this transmission if it worked, I know you are an expert and I would like to know if you can help me.
Sorry if you do not understand something, I do not speak English and use the Google translator.
Jan 28, 2019 at 2:15 PM





































