The misfire on cylinder 3 could be the cause of this but I would start with the P0440 because that would be the likely cause of what you are seeing with the rough idle.
However, if you happen to leave the fuel cap off then that may be an old code and not the issue. At which point we need to focus on the misfire.
https://www.2carpros.com/articles/engine-misfires-or-runs-rough
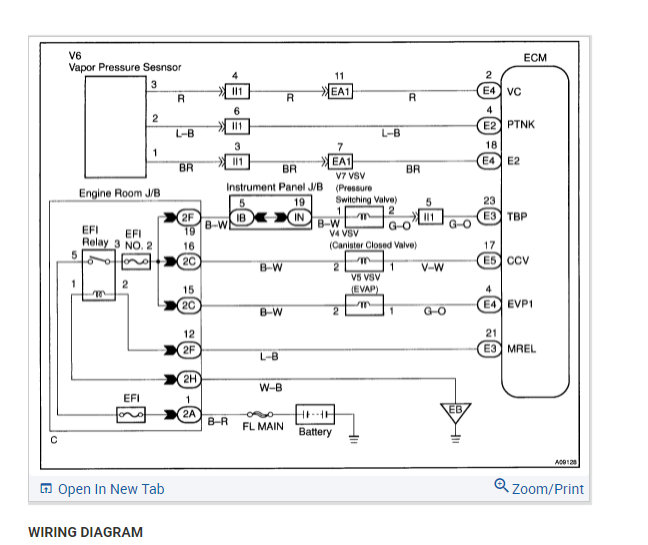
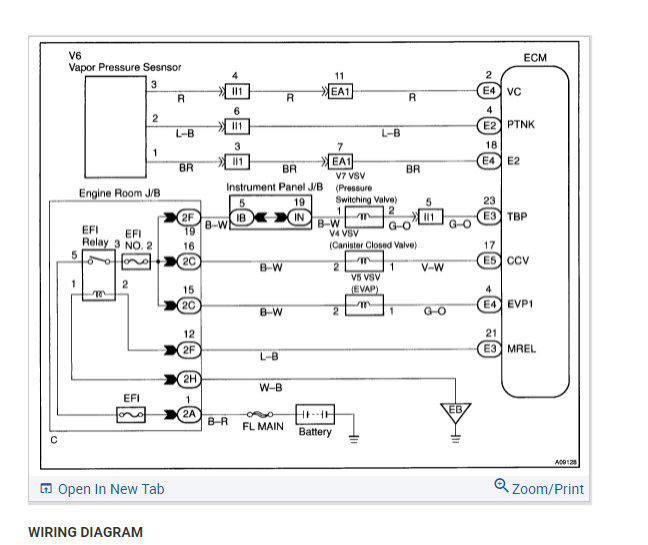
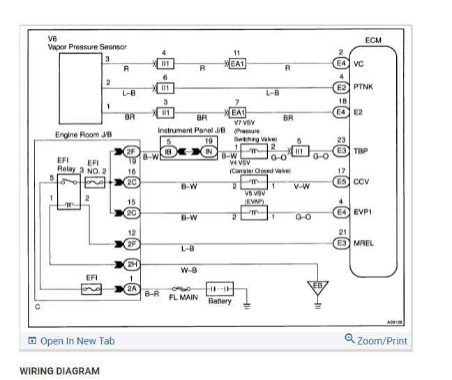
I am attaching all the info below on this code and what testing we need to run through in order to find out if this is the issue.
Please run through this material and let us know if you have other questions. Thanks
Images (Click to enlarge)
Sep 11, 2021 at 5:53 PM