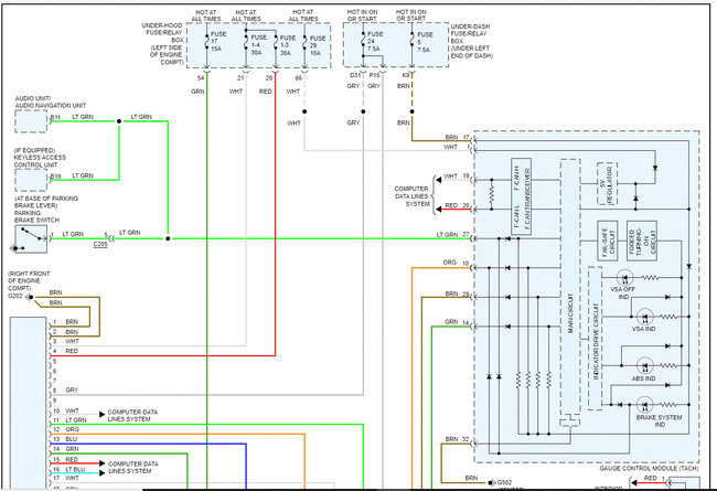
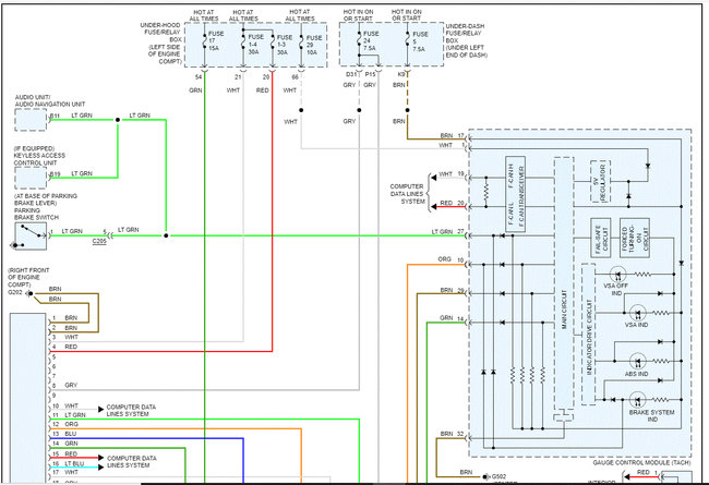
After an accident, the ABS wiring, and ABS pump was damaged someone got a new harness wiring from a Honda dealer cut off part of the wiring needed, and made up the new connection, after that a lot of codes came out the vehicle was brought to me. I discovered some wires in the wrong place after soldering and put back all together SVA and TPMS and Airbag came out to the dashboard car run well, the tool on the steering wheel allow to relearn the TPMS, but after that came back immediately.
Mar 10, 2022 at 6:05 PM

