Code PO62A?

2018 RAM 1500
69,870 MILES • 3.6L • V6 • 4WD • AUTOMATIC
Avatar
GUNDOGDS
  • MEMBER
  • 20 POSTS
The shop told me I had to change the plugs and coils before looking into code PO62A. There was 69,000 on truck they said TSB said that I can't find that TSB.
Oct 30, 2022 at 10:13 AM
Advertisement
Avatar
AL514
  • CERTIFIED EXPERT
  • 5,464 POSTS
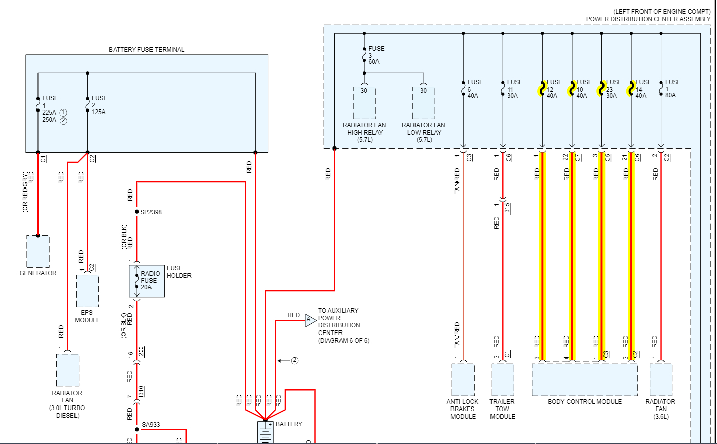
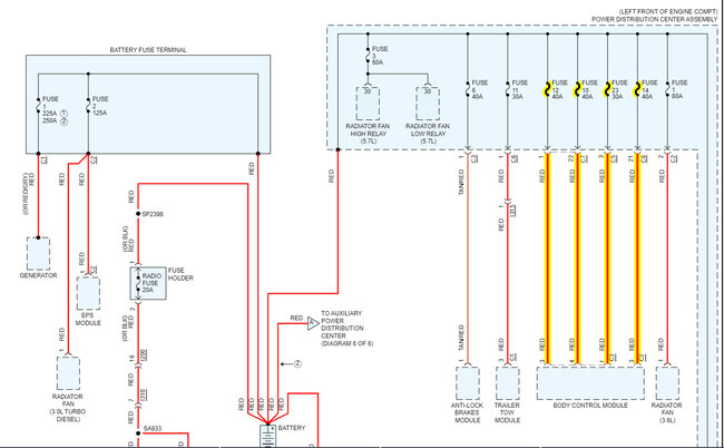
Hello, I am going through the TSBs and haven't seen anything yet. This code has to do with the fuel pump control module, which controls the pump in the tank. And depending on where you live, the biggest issues I've seen with these control modules is corrosion in the connector due to where the control module is located. It's a terrible spot and they always seem to get either salt or dirt and dust from the road into the main connector on the module. I'll post the wiring diagrams so you can find the module by its wire colors, sometimes they are up above the spare tire. But that's the first thing to check, if you unplug the control module and the connector is full or white or green crusty corrosion, that's the issue. I will post further information shortly.

Are you located in Canada? I'm only asking because there are a lot of Safety Recalls for vehicles built in Canada, there are a bunch for your vehicle anyway, but since there's so many I will only post the ones having to do with safety issues.
Below is the code P062A and the wiring to the Fuel pump module, it will be located in the rear of the truck, near the fuel tank but on the frame rail or above the spare tire.

https://www.2carpros.com/articles/how-to-check-wiring
Oct 30, 2022 at 11:04 AM
Avatar
GUNDOGDS
  • MEMBER
  • 20 POSTS
Yes, my extended warranty was about up when I took it in. They said it was a TSB only the mechanic gets. I just want to find out if they lied to me or what. They took a plug out checked it and said gap was good. When I got It home, I changed plugs and one of the plugs was gapped 13 under what it was supposed to be and I could barely get it out. They charged me $89.00 just to check it. Code. On top of that I took it they said there was no code the one time. But on my scanner, it says permanent code even after I delete dtcs. None of what they said made sense since it was fuel pump code.
Oct 30, 2022 at 7:10 PM
Advertisement
Avatar
GUNDOGDS
  • MEMBER
  • 20 POSTS
Forgot, I live in Iowa.
Oct 30, 2022 at 7:11 PM
Avatar
AL514
  • CERTIFIED EXPERT
  • 5,464 POSTS
Did they say what the TSB was? I didn't see any TSB relating directly to the fuel pump module, there were a ton of TSBs and recalls, i only included the ones having to do with safety issues, or there would have been 40 pages of bulletins.
But I am including below the necessary information you'll need, having to do with the P062A code. It sounds like the shop or dealership did not want to pay for diagnostic time and made excuses to not repair the vehicle.
The purpose of having a separate fuel pump control module (FPCM) instead of a conventional system is to be able to have a variable fuel pump system to save on the electrical load put on the engine. They cause more problems than they solve though. There are other faults which can cause FPCM codes, things like a fuel rail pressure sensor, but there are a number of different codes for the module. Page 4 has a list of the most probable causes for that code. I went through all the information on the module and besides these 5 pages the rest was all based on other FPCM codes.
I'm not sure how much live data you can look at with your scan tool, most global obd2 scan tools can at least pull up live engine data, so if it can, take a look at anything to do with the fuel system. Any "Desired" and "Actual" readings, or the Long Term and Short-Term Fuel Trims. Take a look at the Fuel Rail Pressure sensor if you can.
Plug in the scan tool and just do a key on engine off boot up and get to the live data, then start the vehicle.
One other thing is, if you have not cleared the code yet, there will be Freeze Frame data for when the code is set, this can help to see what the conditions were when it set and can help with diagnosing the issue.
But check the FPCM connector first for any corrosion, that is the most common fault with these, especially up north where they use salt on the roads.
The issue with that one spark plug wouldn't really have anything to do with a FPCM code, which would be more of a cylinder misfire code, which I'm surprised you didn't have.
i hope this information helped somewhat, if you can't find any issues and the code keeps coming back, i have the wiring diagrams for the module and we can check it for power and grounds and see if there's anything going on there.
The code can be set by too much current going to the fuel pump too, so it might be the pump on its way out.
Oct 30, 2022 at 8:17 PM
Avatar
GUNDOGDS
  • MEMBER
  • 20 POSTS
Guess I am just trying to find that bulletin they had or didn't have to see if they just didn't want to do the work and me out of my warranty paying for it and fixing it.
Oct 31, 2022 at 6:36 AM
Avatar
GUNDOGDS
  • MEMBER
  • 20 POSTS
Much appreciated I did clean FPCM. My live data fuel rail pressure is 58 when driving but when I let off the pedal it goes down to 30 40 bk up 50.
Oct 31, 2022 at 6:38 AM
Avatar
AL514
  • CERTIFIED EXPERT
  • 5,464 POSTS
I will take another look through All Data, but we have access to most TSBs that would be out, especially after over 4 years. If we knew the name or topic of the TSB it would help. And hearing that about the fuel pressure and I am assuming the code is still there and active, if you read the criteria underlined in red here, that may be the FPCM duty cycling the pump lower when off the pedal due to the code. Obviously, it's setting for a reason, are you able to see the duty cycle percentage on your live data? The service info also says there should be a desired fuel pressure and an actual fuel pressure data pid. What type of scan tool do you have, are you able to scan other modules on the vehicle, like an Autel or Snap On scan tool? This code criteria also says if there is a loss of communication with the Fuel pump will default to an 80% duty cycle, but it doesn't sound like that is what is happening. The other option on here is the FPCM not working at all, in which case you would have no fuel pressure and the vehicle wouldn't run and we don't have that happening either.

Okay, I did find a TSB finally, there was just so many to go through. Are you having any issues with filling the gas tank, such as hard to fill, premature shut off of the nozzle, or back flow of fuel while refueling? This TSB has an updated Evap kit do to dust/debris getting in the vent valve it looks like, and it can set either and evap code P0441 or the P062A. So, you can try this kit and/or we would have to check the voltage drop on the wires going from the fuel pump module to the ECM and see if there is anything going on there. There is a 12v feed power wire, a pulse width modulated (pwm) signal from the ecm (which is an On/Off signal that is used to tell the module how to control the pump), and then there is a pwm feedback circuit back to the ecm letting the ecm know what the fpcm is doing. Then 2 Grounds. And finally the 2 wires to actually control the pump. The pwm signals I would normally check with a lab scope to actually see the signals. You may be able to use a test light and see a dim flashing happening, but I'm not 100% sure on that.,
You can verify that ground location near the rear axle.
But that is the only TSB I see that has to do with the fpcm.

I am going to keep looking though, there might be an ecm update they were referring to as well, I do see quite a few of those,
Oct 31, 2022 at 9:46 AM
Avatar
GUNDOGDS
  • MEMBER
  • 20 POSTS
They said it was a bulletin the mechanic got pertaining to code PO62A. Dodge ram 1500 3.6.Turpin dodge Chrysler out of Dubuque Iowa is who told me this.
Oct 31, 2022 at 2:35 PM
Avatar
GUNDOGDS
  • MEMBER
  • 20 POSTS
When I get home I'll will check stuff with code reader and vi can test different actuators.
Oct 31, 2022 at 2:47 PM
Avatar
AL514
  • CERTIFIED EXPERT
  • 5,464 POSTS
Well, unfortunately they feel they can say whatever they want. If they won't even tell you what the bulletin is about or for, that's a red flag to me. I hear this type of thing quite a lot. Do you live in an area where you take dirt roads a lot? The TSP I found was about the evap system in the back getting dust and dirt into it, the updated evap kit looked like it had a type of air filter on the vent valve to prevent that material from entering the canister or valve. I assume the FPCM connector didn't have any corrosion inside the connector pins? The problem with dealerships is I believe the techs only get a certain amount of diagnostic time and it's not much.
Are you having any drivability issues you notice, any slight vibrations from a cylinder misfire either at idle or in Park with no load on the engine?
Since you can see the fuel pressure spec on your scan tool, when you go for your next test drive, keep an eye on the Long Term and Short-Term Fuel trims, they can be a positive or negative number. On a vehicle with no issues, the fuel trims will stay under 10% positive or negative. If we can see what the fuel trims are doing under certain conditions such as deacceleration, at stop lights, full throttle such as getting on a highway. The fuel system spec is 58psi. Service info is stating regardless of what the FPCM is doing for duty cycling the pump the pressure should stay a constant 58psi. So, if you're seeing a drop like you mentioned, I think that's the issue here. It should not be dropping to 30 psi.
So, it could be the Fuel Rail pressure sensor failing, which I can see that setting a Fuel pump code, it can be the pump itself failing, I don't see any location of a fuel filter, some are in the tank with the pump. A voltage issue at the pump module, which we can check with a multimeter.
Another test you can do with your scan tool is to watch the Oxygen sensors, even graphing them if you have the option. When you do a full throttle test the oxygen sensors should go rich, watching the rear oxygen sensors is probably easier because the front sensors are probably Wide band Air/Fuel ratio sensors and they signal the ECM using current flow versus a voltage reading, The rear oxygen sensors may be conventional narrow band oxygen sensors that will read 0 to1v (usually 0.200 to 0.800mv) higher voltage being a rich condition (0.900mv). So that and fuel trims can tell us if there's an actual lack of fuel pressure.

https://www.2carpros.com/articles/how-an-oxygen-sensor-works

https://www.2carpros.com/articles/how-to-check-fuel-system-pressure-and-regulator
Oct 31, 2022 at 5:02 PM
Avatar
GUNDOGDS
  • MEMBER
  • 20 POSTS
How this helps.
Oct 31, 2022 at 5:14 PM
Avatar
GUNDOGDS
  • MEMBER
  • 20 POSTS
They told me that the bulletin was for The PO62A fuel pump code and I needed to change plugs and coils if the gap on plug exceeded so much. But they were factory 100000 mile plugs. And if I did that and it didn't fix it then they would look at other causes for the code. Then charged me 80 bucks because was second time I brought it there for same code.
Oct 31, 2022 at 6:05 PM
Avatar
GUNDOGDS
  • MEMBER
  • 20 POSTS
And I don't think so on misfires. At least code never showed up for one.
Oct 31, 2022 at 6:06 PM
Avatar
AL514
  • CERTIFIED EXPERT
  • 5,464 POSTS
Well, the wiring diagrams show that there are 2 rear oxygen sensors, so if that Bank 1 sensor 2 reading of 99% is actually what the ECM is seeing, that's an issue. Are all these readings at idle in Park? The other fuel trims look fine, but a sensor reading something like that 99% is usually an obd2 substituted value due to a vehicle that doesn't have that sensor, or it's an actual fault. There's something going on there. The Calculated Engine load of 32% at idle is a bit high too.
I'd try unplugging that sensor and see what happens to that data Pid.
Oct 31, 2022 at 6:32 PM
Avatar
GUNDOGDS
  • MEMBER
  • 20 POSTS
Both mostly idling think just the one is driving. I will try to unplug sensor also.
Oct 31, 2022 at 8:10 PM
Avatar
AL514
  • CERTIFIED EXPERT
  • 5,464 POSTS
I'm wondering if there is possibly an issue with the wiring to the rear bank 1 oxygen sensor, or if the sensor has failed, can you see what the voltage reading is on that sensor and any other data pids having to do with the fuel system when you get a chance. I can see if that sensor was stuck at low voltage or shorted to ground, which would also send the sensor low, the ECM would see that as a very lean exhaust and raise the fuel trim to compensate. Or this type of reading (99%) can happen if there is an open circuit on the 02(Oxygen) sensor. Some of this service info is stating that the FPCM is able to detect faults, but may not report them as intended. And it is not best to rely on the dtc (code) when diagnosing the system. So they are basically saying another fault may be setting this code. Since we know the fuel rail pressure sensor appears to be working correctly, we can take some voltage readings at the pump control module, this service info lists what voltage readings should be going into the control module and what the feedback circuit should be sending to the ECM. There is a specific voltage reading if there is an open circuit on the feedback wire to the ECM.

But in the 2nd diagram below, is the reason the code is setting, when that fuel pressure dropped to 30 and 40 psi, that's exactly why the code is setting. The tough part is figuring out why it dropped.
If the code is still set today when you go to check or the check engine light is on, don't erase the code yet, we need to look at the Freeze Frame data when it set.
Nov 1, 2022 at 11:21 AM
Avatar
GUNDOGDS
  • MEMBER
  • 20 POSTS
I unplugged bank one sensor 2 and it stayed at 99.2. Percent.
Nov 1, 2022 at 7:03 PM
Avatar
AL514
  • CERTIFIED EXPERT
  • 5,464 POSTS
There's only one rear oxygen sensor, right?
When I went through the service info again, I noticed when the PCM sets the P062A code it is because of that drop in fuel pressure that you saw. And if the FPCM set that code, it's the fuel pump control module detecting an over current flow issue. I missed the wording the first time around. Sorry about that. But we know what's setting the code now. So, it might be the fuel pump failing or a sensor. but to know if it's an actual pump losing pressure, we would need to verify with a mechanical fuel gauge and compare readings to the scan tool data. It's odd that the pressure dropped when you let your foot off the pedal. We can check the FPCM voltage readings at the connector, and see if the feedback circuit is okay, along with power and ground to the module. I've highlighted the important notes on the diagnostic info.
i will go through the wiring diagrams and see if there are any shared grounds for the rear oxygen sensor. If there is only one. that reading of 99% seems like a substituted value.
So, i will leave it up to you how far you want to go with testing.
Nov 1, 2022 at 8:02 PM
Avatar
JIS001
  • CERTIFIED EXPERT
  • 3,412 POSTS
If you can't get a permanent code to go away that is an issue. The reason for permanent codes is for smog. People try to reset codes, especially evap codes and get a smog done. With permanent codes, you need to successfully run a good drive cycle for it to erase on its own. If the shop is just clearing the code and sending you on your way, I would contact the bureau of automotive repair to look into it.

Trust me, no shop wants a visit from them. They can start looking at every repair order if they want. When it comes to check engine lights, I try to have my guys make sure the permanent code goes away so I know it is a good fix. But I can only speak for myself as a smog tech here in California where we have the strict smog laws. My advice is this. If you have a permanent code, then there is a strong possibility your vehicle is not properly repaired. There will be some exceptions, but it will take many drive cycles.

As I mentioned, California implemented smog laws are different from other states. In the end, permanent codes should not exist if there is no problem. If still present, then the repair most likely was not done right.
Nov 1, 2022 at 10:23 PM
Avatar
GUNDOGDS
  • MEMBER
  • 20 POSTS
AL514 There's 2 o2 sensors in back on cats. But run test again and I seen bank 2 sensor 2 is also staying at 99.2. And volts were like 0.825.
Nov 2, 2022 at 1:00 AM
Avatar
AL514
  • CERTIFIED EXPERT
  • 5,464 POSTS
Are you still seeing that drop in fuel pressure? I really think that is causing the code to set, as for the rear oxygen sensors reading 99%, that is most likely a substituted value. If the voltage is staying steady on the rear sensors, then thats ok. Im concerned with the pressure drop. Its either the fuel pump module failing or the pump failing. If you are still seeing the pressure drop it will need to be verified with a fuel pressure gauge T'd into the Fuel Rail, Im looking at the fuel pressure test right now, and unless you see a service port on the fuel rail a gauge will need to be hooked up between the feed line and the rail. Do you have a fitting on your fuel rail that looks like this? (2nd diagram) And is there any capped off service port on the fuel rail?
there are a number of different type of connectors used on these vehicles, so when you verify if the pressure is still having issues, we can go over these.

One other thing, when watching the fuel pressure, have the Fuel Trim pids up on the scan tool as well, and see if those numbers go positive when you lose fuel pressure.
Nov 2, 2022 at 10:47 AM
Avatar
GUNDOGDS
  • MEMBER
  • 20 POSTS
I forgot I did have a code that rear cab mounted brake light was shorted to ground took cover off bulb was blown figured c that was why I got code?
Nov 2, 2022 at 11:26 AM
Avatar
AL514
  • CERTIFIED EXPERT
  • 5,464 POSTS
So, you've gotten just those two codes so far? Do you remember the code number?
The upper mounted brake light goes directly to the Body Control module, did you happen to check for any blown fuses, and do you have anything else not functioning correctly? These are the fuses that power the Body Control Module. A shorted brake light circuit that set a code must have blown a fuse, I'm surprised it set a code, it must be a monitored circuit by the BCM.
Nov 2, 2022 at 11:29 AM
Avatar
GUNDOGDS
  • MEMBER
  • 20 POSTS
Okay, I'm about give up on this. Lol 2 more codes now.
Nov 2, 2022 at 11:25 PM
Avatar
GUNDOGDS
  • MEMBER
  • 20 POSTS
When it drops is when I let off the gas and get back on the gas.
Nov 2, 2022 at 11:27 PM
Avatar
GUNDOGDS
  • MEMBER
  • 20 POSTS
And yes, couldn't find blown fuse.
Nov 2, 2022 at 11:28 PM
Avatar
AL514
  • CERTIFIED EXPERT
  • 5,464 POSTS
Okay, and that first fuel trim I see there going from 18% to 25% to 32% on bank 1 is a result of the low fuel pressure. It almost sounds like maybe your APP sensor on the gas pedal is shorting out the 5-volt reference circuit. Both of those sensors setting codes work off the 5-volt reference circuit. Or something is going on with the PCM. Turn the key Off and check this PCM connector C2 for any corrosion or other issue. Those 2 circuits, the oil temp and intake air temperature are right next to each other in the PCM connector. We may have to check the ground connections on the truck too, a high code usually means a loss of ground, it sends the voltage signal high. Check the ground straps on the frame to the body for any sign of corrosion or if it is a braded connection that it is not falling apart. The ground straps go bad fast in states where they use salt on the roads. There should be a few main frame to body straps under the truck.

Bank 1 is the passenger side of the truck, check there first, but do a thorough check of the entire under side of the truck. Something is progressing here, and it sounds like a bad ground getting worse to me. Here are some main ground locations, but also check that PCM connector.
Nov 3, 2022 at 7:38 AM
Avatar
AL514
  • CERTIFIED EXPERT
  • 5,464 POSTS
Okay, for both of these codes, look up the actual voltage reading for them both, the code setting criteria is both sensors are reading high than 4.95volts, and they are both on only a 5v reference feed circuit, so there might be a short to power going on here, and because things are getting worse, I think there's a main connector or section of harness that has shorted out. With this many issues at once, I usually end up finding a connector or fuse panel that has water intrusion. Eventually this is going to end up a no start condition. If you look at the 2nd code below, notice all the I/M readiness monitors in red. That means they have failed to pass. The fuel system, the catalytic converter, the evap system, the oxygen sensors, the oxygen sensor heaters, and the EGR valve. All those self tests have failed recent drive cycles. All this has to be linked together somehow, either the PCM connectors, some bulk connector, or main ground issue,
i can see the fuel trims jumping up every time you lose fuel pressure,
Mi trying to find any circuits that link these issues together.
but measure the voltage at the Intake air temperature sensor and the oil temperature sensor, there should be a data pid with the voltage readings.
Also, due to all the faults, the PCM is going to do all kinds of strange things because of incorrect readings from multiple sensors.
Nov 3, 2022 at 1:27 PM
Avatar
GUNDOGDS
  • MEMBER
  • 20 POSTS
Today I started it and they're all green?
Nov 5, 2022 at 5:33 PM
Avatar
GUNDOGDS
  • MEMBER
  • 20 POSTS
Then we leave the stepson after going there for supper and there mostly red again.
Nov 5, 2022 at 7:57 PM
Avatar
AL514
  • CERTIFIED EXPERT
  • 5,464 POSTS
Is that the only code set today? Because we need to determine the variables here and come to a conclusion. The Pump module will do different things depending on the actual fault. For example, if the fuel pump is over drawing on current (which the module monitors) the Pump module will duty cycle to the pump very low to prevent the pump from completely failing, this may be why you are seeing a drop in fuel pressure at certain times.

When there is low pressure detected, lower than the PCMs desired pressure (which there should be a data pid for Desired Fuel Pressure and Actual Fuel Pressure), there will usually be other faults detected and codes set. This will cause the pump module to default to 80% duty cycle, The fact that other codes are setting points to a wiring issue if those codes are staying active, but it looks like you only have the one code today.
So going through more of the scan tools data pids after the vehicle has been driven and things are up to their highest temperatures, as well as starting to check the PCM connectors and checking the voltage readings at the pump module is the only way this is going to be diagnosed.
The entire system needs to checked. I would even go so far as to putting an amp clamp on the fuel pump main feed wire and see what its current draw is, But a lot of things need to be checked here before there is a major failure and the truck gets stuck on the side of the road.

The other two codes that were set were indicating a possible short circuit to power or open sensor ground wire sending the voltage signal high. But if those codes are intermittent, the fuel system needs to be checked first.
There is a whole list of tests to be done here with just the P062A code alone before something fails permanently. The diagnostics say what to expect, such as the feedback circuit being open, the voltage will read low 0.25 to 0.5volts. Normal is a 5.0volt circuit. Checking all the chassis grounds on the frame. It's all here.

Nov 5, 2022 at 7:59 PM