Code P1764 governor pressure sensor

2003 JEEP GRAND CHEROKEE
164,092 MILES • 0.5L • 6 CYL • AUTOMATIC
Avatar
JUDY KEEN
  • MEMBER
  • 1 POST
Okay, 2015 same code replaced both transducer and gov press had ECM put in to. 2017 code and shifting after you stop at light in wrong gear. Anyways replaced. Code came back took to professional biggest mistake. The cut a wire used but connector ran over exhaust still code remains. So we fixed wire properly with solder and shrink tube etc. Now sensors changed three times. Still when after driving for thirty minutes plus code and shifting issues return. Sent ECM in repaired and code returned. I suggest to husband to replace the solenoids that are in proximity to sensors in transmission . Hopefully tonight we see if fixes. my question to you is if it does not is there a specific relay that might be causing after heating up the shift and code to come on? Lastly let me say if i manually go first second then drive it works fine.

Thank you in advance. appears all of these vehicles have same transmission and ECM problems as our old 1998 must have had at the least five ECM's installed in it.
Aug 7, 2017 at 12:03 PM
Advertisement
Avatar
STRAILER
  • CERTIFIED EXPERT
  • 53,854 POSTS
Hello,

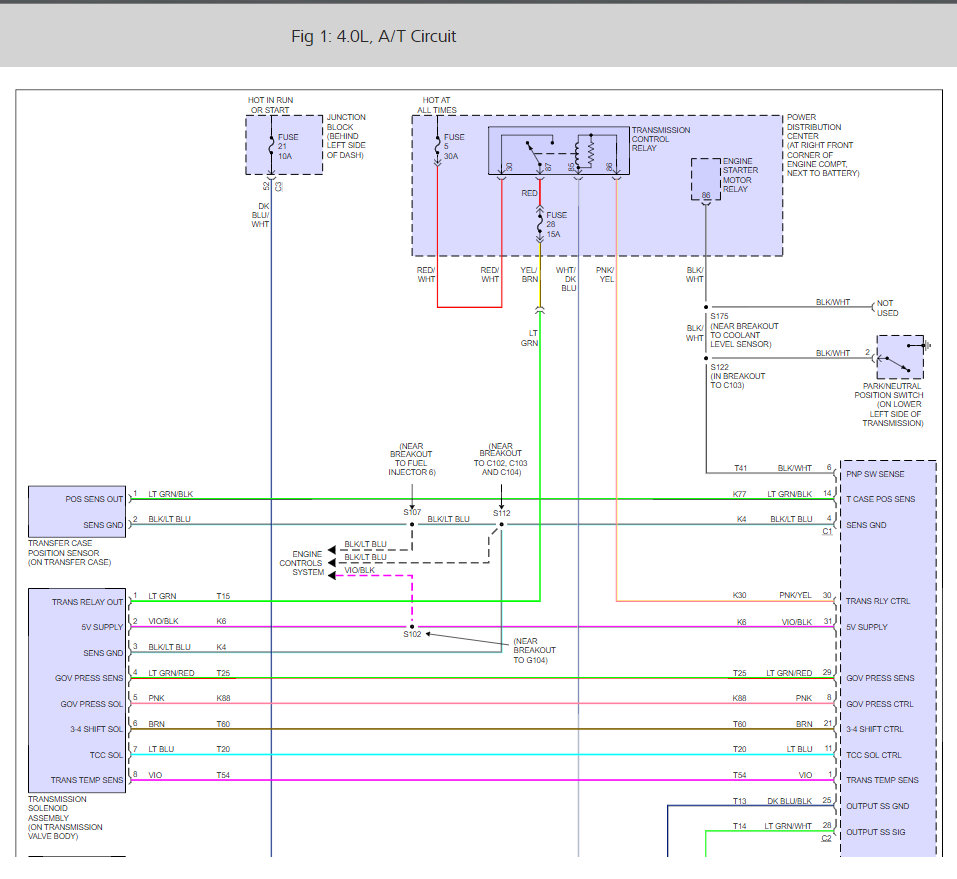
It sounds like the governor solenoid valve is having a problem for some reason, loose bad connection etc. Get the new part from the dealer to ensure its quality. I would also replace the transmission control relay because if it has high resistance across the contacts it to can cause the computer and solenoid to go out. Here are a series of guides and diagrams (below) that will help you get the problem fixed.

https://www.2carpros.com/articles/jack-up-and-lift-your-car-safely

and

https://www.2carpros.com/articles/how-to-service-an-automatic-transmission

and

https://www.2carpros.com/articles/how-to-check-an-electrical-relay-and-wiring-control-circuit

Here are the diagrams (below)

Please let us know what happens.

Cheers, Ken
Aug 9, 2017 at 3:51 PM