Code P0756?

2004 HONDA ACCORD
220,000 MILES • AUTOMATIC
Avatar
SASSAFRAS2324
  • MEMBER
  • 1 POST
My car is throwing a code P0756 but when the solenoid shifts were tested, they passed and there was nothing wrong with them? But when I’m driving my car will randomly like stop like it’s in neutral and won’t go but sometimes it’ll kick itself out of it and start going other times, I have to turn off the car and start it back again.
Jun 9, 2023 at 8:43 PM
Advertisement
Avatar
STRAILER
  • CERTIFIED EXPERT
  • 53,854 POSTS
The code is for a circuit error so this would be a connection problem, but I would replace the solenoid anyway because if the resistance in the solenoid is off it will cause this kind of code as well.

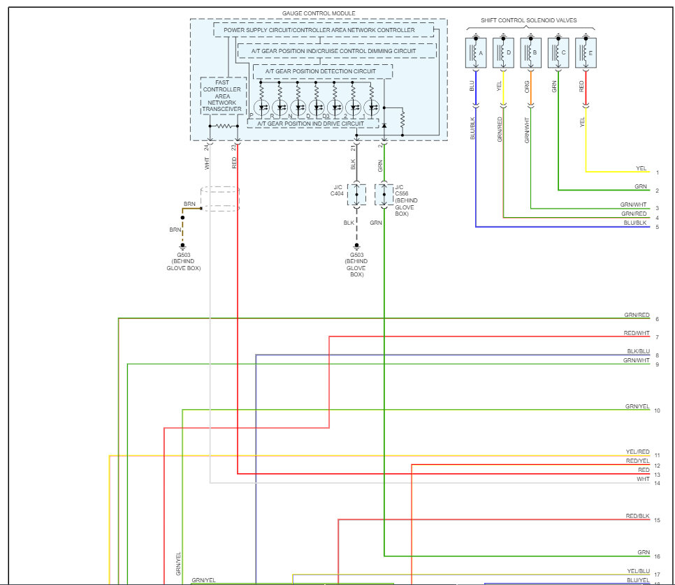
But in case here is a guide to help you check the wiring and I have included the transmission wiring diagrams so you can see which wires to test.

https://www.2carpros.com/articles/how-to-check-wiring

The error code P0756 in a 2004 Honda Accord refers to a fault in the Shift Solenoid "B" Performance/Stuck Off. This code indicates that there is an issue with the transmission's shift solenoid "B" circuit. Check out the images (below). Please let us know what happens.

Jun 10, 2023 at 12:19 PM