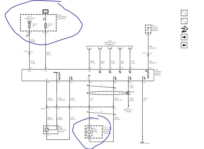
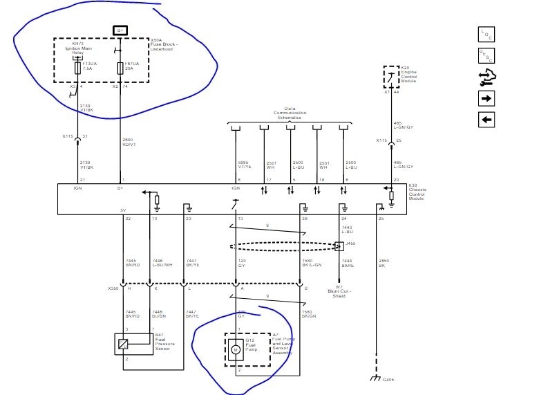
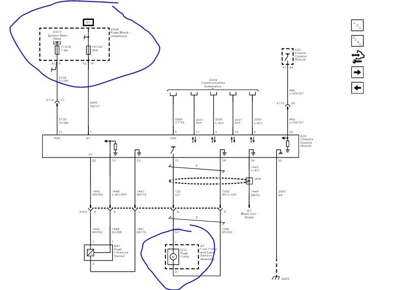
I’m trying to figure out why my car keeps stalling before taking off when it is switching from first to second gear and third to fourth gear, but is funny when I pass those and rides smoothly. Engine light comes on every now and then. Check it and it gave me the code p069e. I bought a new fuel pump control module before buying the actual fuel pump to see if it’ll fix the problem with that. I’m unsure of where that module is located. Help would be highly appreciated in advance, thank you!
Mar 7, 2020 at 3:03 PM


















