Code P0651, vehicle will periodically display reduced speed (limp mode)?

2010 CHEVROLET EQUINOX
84,000 MILES • 2.4L • 4 CYL • 4WD • AUTOMATIC
Avatar
MEL83MAY
  • MEMBER
  • 1 POST
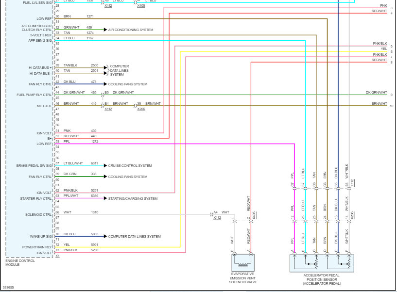
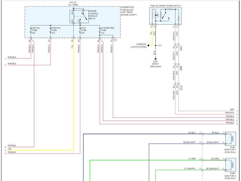
5V Reference Circuit 2 code is displayed. Vehicle will periodically display reduced speed (limp mode). Looking for troubleshooting help in solving this issue. Wiring diagram would be helpful and what sensors to check off this circuit. Thanks in advance.
Oct 13, 2023 at 3:04 PM
Advertisement
Avatar
JACOBANDNICKOLAS
  • CERTIFIED EXPERT
  • 110,175 POSTS
Hi,

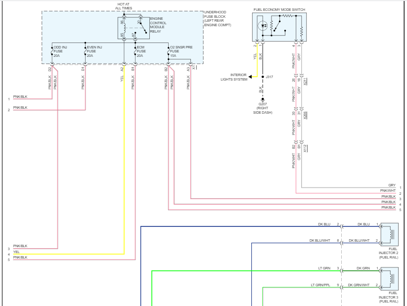
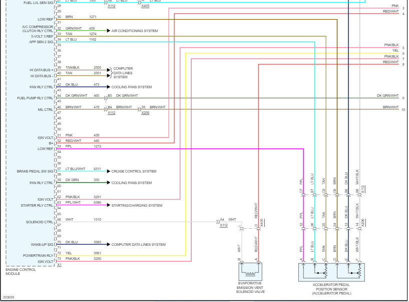
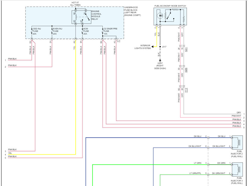
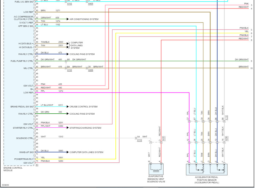
You are correct about the 5v reference signal. That power is to several different sensors. However, the code you have is specific to the economy mode switch and the crankshaft position sensor.

I attached the diagnostics below for you to review. Additionally, I attached the wiring schematic for the powertrain management system as a reference for you.

Note that the schematics were five pages long. I had to cut each page in half to make them readable. I did overlap the top/bottom of each page so you can follow from one to the next.

Let me know if this helps or if you have other questions.

Take care,

joe

See pics below.
Oct 13, 2023 at 9:38 PM