Code p0406

2010 DODGE JOURNEY
73,000 MILES • 3.4L • V8 • 4WD • AUTOMATIC
Avatar
MSMIYANI
  • MEMBER
  • 1 POST
How long can I drive with this code?
Engine light comes off when gas tank is full.
Mar 14, 2019 at 11:34 AM
Advertisement
Avatar
SCGRANTURISMO
  • CERTIFIED EXPERT
  • 4,897 POSTS
Hello,

This is a code for your vehicle's Exhaust Gas Re-circulation (EGR) system. It is an emission based system that takes exhaust gas and reintroduces it back into the throttle body to be reburned to make sure all of the hydrocarbons are being burnt up. This Direct Trouble Code (DTC) specifically states that your vehicle's EGR Position Sensor High. So this DTC sets when the Powertrain Control Module(PCM) AKA,"computer" detects a higher than average input voltage from the EGR Valve.
This DTC should not really effect the driveability of your vehicle that much, if at all. The fact that the Malfunction Indicator Lamp(MIL)a.k.a."check engine light" goes off when you fill up with gas shouldn't have anything to do with this DTC. The only reason I could think of for this would be that the wires for the EGR Valve and the Fuel Tank Sending Unit wires share the same harness, and are shorting out to each other.
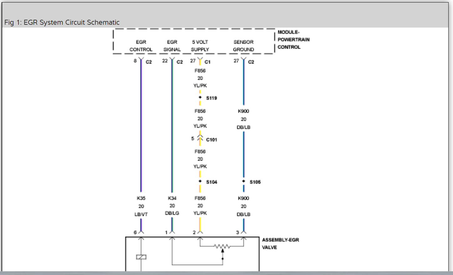
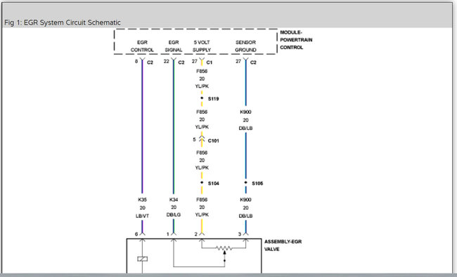
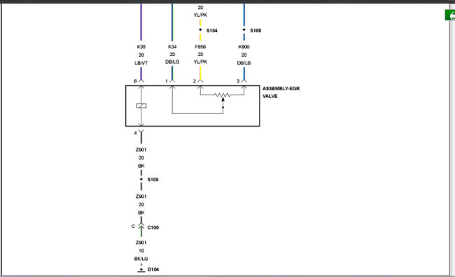
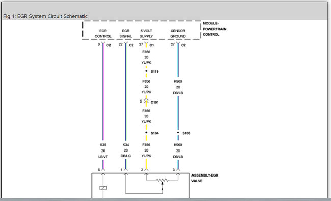
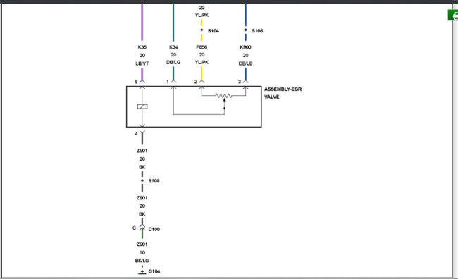
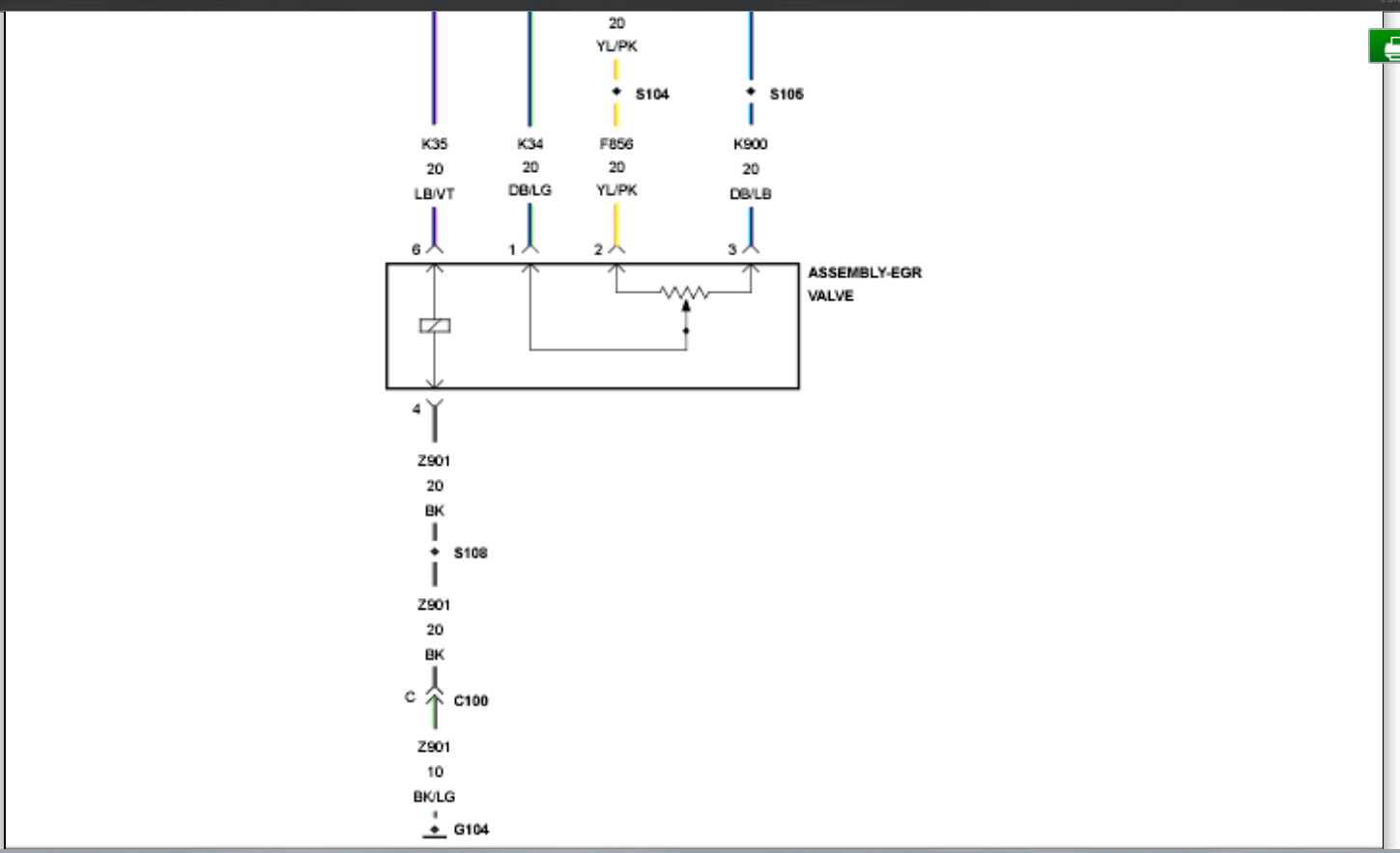
Okay, so I have included in the diagrams below a troubleshooting flowchart for running this DTC to ground, if that is what you want to do. It will require you to use a multi-meter. I have included a link down below if are not familiar with using one.

https://www.2carpros.com/articles/how-to-use-a-voltmeter

Also in the flowchart they talk about hooking up Pinout Box 8815. This is an expensive tool that is made for dealerships. There is another way to go about testing the PCM connectors. It is known as "Back Probing". You will need a couple of paper clips, metal only, to do this. Basically what you do is find the pin that the wire you are testing goes into the connector at. Instead of testing the front of the connector, you "back probe" the wire from the back, where the wire goes into the connector. Put a straightened paper clip in this cavity of the connector, it will contact the metal pin, and then hold your multi-meter's test probe to the paper clip for testing. This will prevent you from damaging the mating surface of the connector.
Please go through the troubleshooting flowchart and get back to us with what you find out.

Thanks,
Alex
2CarPros

Mar 14, 2019 at 12:46 PM