Codes p01518, 1516, 2108, 0220 0120, and u0107

2003 CHEVROLET SILVERADO
1,000,000 MILES • 5.3L • V8 • 2WD • AUTOMATIC
Avatar
LOUIS W NAGY
  • MEMBER
  • 55 POSTS
Hello, hope you had a good Christmas. Please bear with me this truck is a basket case. I have been doing this since 1980 and I can usually figure out can problems out, but this has got me stumped. i checked for grounds Ohomed the wires out between PCM and tac and between TPS and the tac and between the throttle petal actuator and the tac, had 5v reference at the 3 wires at throttle petal had 5v at tac module. I can clear all codes now and only p1518 is there, I can clear it too, but I have to do it twice. Engine will crank and run but throttle will not work, and engine will not turn off, I have been rewiring the wires out for days and I would like to know what the proper output at each wire going to the throttle body are supposed to be. Also, what is the voltage for serial is supposed to be coming off the PCM blue plug 14 and 15. This truck has been a problem. What am I missing? I have a blue driver, scanner and a Launch please point me in the right direction. Thanks
Jan 9, 2022 at 8:10 PM
Advertisement
Avatar
JACOBANDNICKOLAS
  • CERTIFIED EXPERT
  • 110,175 POSTS
Hi,

Based on the code, it sounds like you have a short to power. Does it come right back after you clear it? Also, when you say it won't turn off, are you saying when the ignition key is off and removed from the lock cylinder the vehicle keeps running?

If so, the problem sounds like it is at the ignition switch. That should cut power to multiple circuits including ignition and fuel.

Regardless, I attached the diagnostics below for the P1518. Take a look through it and let me know if you are comfortable performing it. Also, it does include voltages. In most cases, you will find right around a 5v reference. The throttle actuator at idle (foot off the throttle) should be around 1v.

Also, the UART (universal asynchronous receiver-transmitter) is also a 5v system. That is what pins 14 and 15. (See pic 1)

The remaining pics are the diagnostic directions. Let me know what you find or if you have other questions. Also, I looked through the codes you had and if a P1518 is present, it directs me there first.

Take care,

Joe


See pics below.
Jan 10, 2022 at 7:02 PM
Avatar
LOUIS W NAGY
  • MEMBER
  • 55 POSTS
When I hit reply it goes blank.
Jan 14, 2022 at 6:54 PM
Advertisement
Avatar
LOUIS W NAGY
  • MEMBER
  • 55 POSTS
That time it worked, not sure why.
Jan 14, 2022 at 6:56 PM
Avatar
JACOBANDNICKOLAS
  • CERTIFIED EXPERT
  • 110,175 POSTS
Hi,

Were you able to make progress on the vehicle?

Joe
Jan 14, 2022 at 9:17 PM
Avatar
LOUIS W NAGY
  • MEMBER
  • 55 POSTS
Sorry, my last posts did not go through.
Jan 15, 2022 at 10:46 AM
Avatar
LOUIS W NAGY
  • MEMBER
  • 55 POSTS
Let me update you, my ignition switch tested good, but I had 1 so I put it on, still same, I used the flow chart u sent me and when I got to step 13 these are my results at TAC 16 pin plug the yellow had 0.286 V it goes to throttle body brown had 0.265V bla/what has 0.183V. All go to throttle body, now when you start the truck and then turn the key off the dash lights flicker and it starts running all the parameters, reduced engine power low washer fluid ect,ect, and I unplugged ignition Switch. same problem. Then the under-hood fuse is all hot, I tried pulling out the high amp. Fuses did not do anything now when I pull PCM fuse engine will finally shut off then fuses are off, now these are my findings when I did this test. With key off I disconnected the TAC 16 pin plug and also the throttle body plug .
#1 0.001. #9 0.120
#2 0.083. #100.106
#3 0.002. #11 0.177
#4 0.216. #120.260
#5 0. #13 0.035
#6 0. #14 0
#7 0. #15 0
#80.251. #160.080

Now I know that is a low voltage but is that normal ,it’s like a feedback going to everything I checked ground ,the 1 behind the right head the 1 below alternator, and 1at firewall on driver side I also have 2 coming from battery to block ,did I miss 1 ,now this was a engine swap ,for the 2nd time first time when I had it on dyno they had timing advanced and burned 3 pistons ,but I was able to save block with just do a little honing so this is just the icing on the cake. Went through flow chart a bunch of times same results I’m really thinking the fuse panel could be bad? l could really use your expertise. Thanks
Jan 15, 2022 at 11:32 AM
Avatar
JACOBANDNICKOLAS
  • CERTIFIED EXPERT
  • 110,175 POSTS
Hi,

If all fuses are getting hot, that does sound like the fuse box may be bad. Is there any evidence of shorts in the wiring to it? Have you removed it to inspect connectors?

If all get hot, something is wrong within the box. I could understand if only a couple did it but not all of them.

Let me know.

Joe
Jan 15, 2022 at 2:06 PM
Avatar
LOUIS W NAGY
  • MEMBER
  • 55 POSTS
Still having problems getting this reply to go through. am I supposed to hit reply and then reply, and hit reply when finished, some time it works okay and then not?
Jan 15, 2022 at 5:20 PM
Avatar
LOUIS W NAGY
  • MEMBER
  • 55 POSTS
Let me try again.
Jan 15, 2022 at 5:20 PM
Avatar
LOUIS W NAGY
  • MEMBER
  • 55 POSTS
Okay, I have pulled the fuse panel apart to look this was 1 I got off of eBay about 4 years ago and I had an issue with starter relay and had to run a external 1 and had no issues after that so at this point in time this is my best options , I just don't like to be in a parts changer to fix things. I will swap it and let you know .
Jan 15, 2022 at 5:28 PM
Avatar
JACOBANDNICKOLAS
  • CERTIFIED EXPERT
  • 110,175 POSTS
Hi,

I totally understand. Don't just arbitrarily swap it. Inspect it to see if there is evidence of anything shorting. Since all fuses are getting hot, it sounds like that could be the issue at one of the connectors.

Let me know.

Joe
Jan 15, 2022 at 6:36 PM
Avatar
LOUIS W NAGY
  • MEMBER
  • 55 POSTS
Thanks for reply, I had already been into to fuse panel to see if there was anything getting shorted out, but no obvious problems, and the way these things are put together, once you get down to the single copper wire that connects everything there’s no putting it back together, I pulled an old one apart before just to see how it was made.
Jan 23, 2022 at 6:11 PM
Avatar
JACOBANDNICKOLAS
  • CERTIFIED EXPERT
  • 110,175 POSTS
Did the replacement panel help?

Joe
Jan 23, 2022 at 6:35 PM
Avatar
LOUIS W NAGY
  • MEMBER
  • 55 POSTS
I just lost it, I’ll send again.
Jan 23, 2022 at 6:41 PM
Avatar
LOUIS W NAGY
  • MEMBER
  • 55 POSTS
Okay, test. This tablet is not working properly.
Jan 23, 2022 at 6:45 PM
Avatar
LOUIS W NAGY
  • MEMBER
  • 55 POSTS
Okay, I swapped, it out and same issue; crank up and runs coding up 1518, and a few more. turn off key and it keeps running, and then dash lights flash erratic, showing reduced power etc. Now you can turn key off and on it will shut off, now with it running with the key off, you can un plug tac, throttle body, ignition switch and it will still be running 'and as soon as you make it shuts off. the fuse panel loses power like it’s supposed to, somehow it feeding back, it sounds like bad ground to me, but I checked them over and over. Am I missing something? I’m just running out of things to try. Any suggestions? Is there a flow chart for this? And here I thought I was a decent mechanic.
Jan 23, 2022 at 7:25 PM
Avatar
JACOBANDNICKOLAS
  • CERTIFIED EXPERT
  • 110,175 POSTS
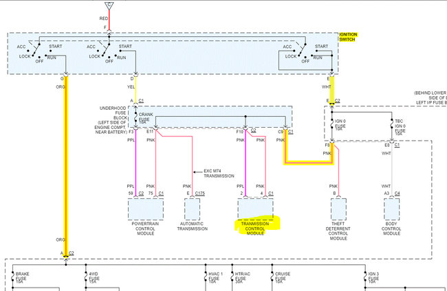
Louis, believe me, you are no different than others. Wiring can be a total nightmare. I attached the flow charts for the code. See if you feel it is worth trying. And yes, something is keeping power flowing. See if this chart is of any help.

Joe

See pics below.
Jan 23, 2022 at 7:36 PM
Avatar
LOUIS W NAGY
  • MEMBER
  • 55 POSTS
Okay, thanks. I’ll check it out.
Jan 24, 2022 at 4:56 AM
Avatar
JACOBANDNICKOLAS
  • CERTIFIED EXPERT
  • 110,175 POSTS
You're welcome. Let me know your decision and if it was at all helpful.

Take care,

Joe
Jan 24, 2022 at 3:07 PM
Avatar
LOUIS W NAGY
  • MEMBER
  • 55 POSTS
Well, I went through the flow chart again, but I decided to check all the hot and grounds again with the key on this time and the ground at the tac shows bad but with the key off it shows good. According to chart you’re supposed to check with key off, they need to change that because it drops out in the on position, which is supposed to be the ground at the back of the right bank, head it’s good. Anyway, I ran a ground wire to tac and now I have a throttle and the 1518 code is gone. I still have the issue with it running when it’s turned off, have to cycle the key to turn off, now after I drove it then it would turn off like it’s supposed to but after a while it did the same thing have to cycle key. now it’s coding transmission codes, p0740, p0785, and p1860, but it’s shifting normal. I cleared the codes and they came back. Could that make it want to keep running? It makes no sense. I had to stop getting late going to check connections at transmission tomorrow. So, what do you think?
Jan 25, 2022 at 6:08 PM
Avatar
JACOBANDNICKOLAS
  • CERTIFIED EXPERT
  • 110,175 POSTS
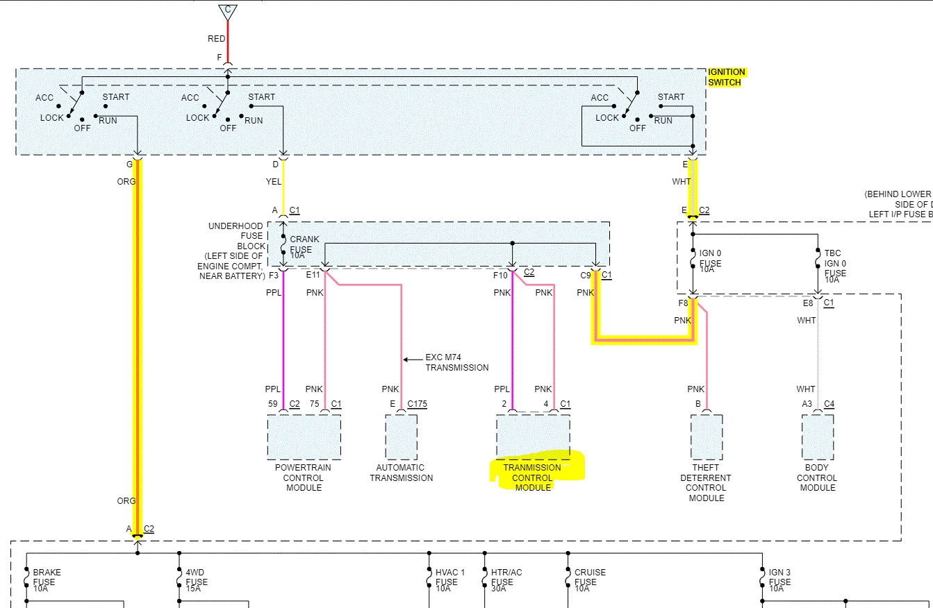
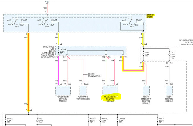
At the ignition switch, a white runs from the switch to the ignition 0 fuse. From there, it sends power to both the PCM and TCM. See pic 1 below. Check to see if there are any issues with power getting to its destination.

Let me know.

Joe

See pic below.
Jan 26, 2022 at 4:14 PM
Avatar
LOUIS W NAGY
  • MEMBER
  • 55 POSTS
Okay, thanks.
Jan 26, 2022 at 7:23 PM
Avatar
JACOBANDNICKOLAS
  • CERTIFIED EXPERT
  • 110,175 POSTS
Hi,

I haven't heard from you for a couple of days. I was thinking of what you're dealing with and wondering if you have been able to make any progress. Just interested in knowing.

Regardless, I hope all is well. If you get a chance, let me know.

Take care,

Joe
Jan 29, 2022 at 12:45 PM
Avatar
LOUIS W NAGY
  • MEMBER
  • 55 POSTS
Hi Joe, did service on transmission and checked wiring going to solenoids, have not really found issue with switch yet. Going to drive and see what happens. I will update you later. thanks
Jan 31, 2022 at 6:22 AM
Avatar
LOUIS W NAGY
  • MEMBER
  • 55 POSTS
Just odd that after driving for a while the switch acts normal, then after it sits it goes back to having to cycle the key to turn off.
Jan 31, 2022 at 6:27 AM
Avatar
LOUIS W NAGY
  • MEMBER
  • 55 POSTS
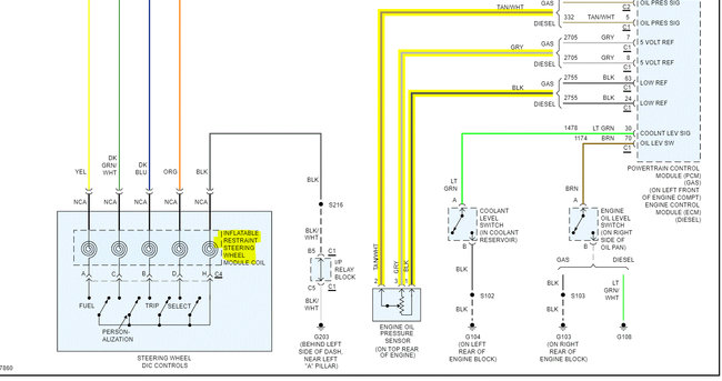
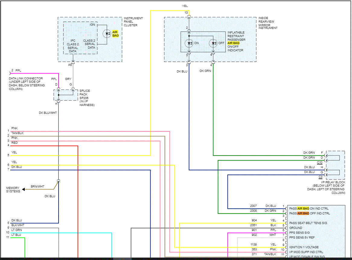
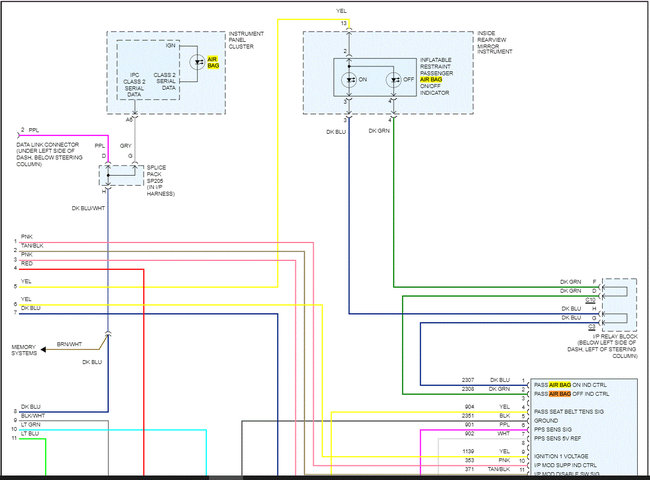
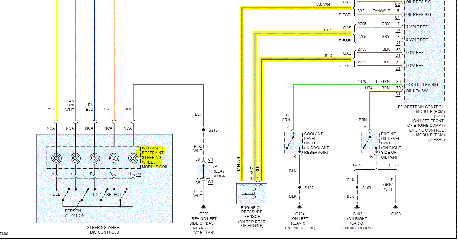
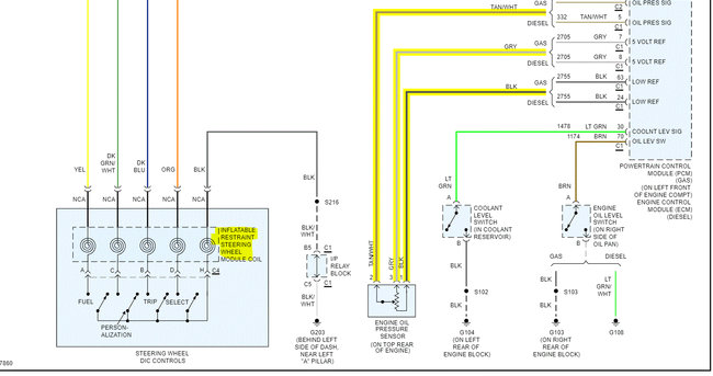
Also, do you have a schematic diagram for the low oil level display indicator? it’s popping up on dash and has an issue.
Jan 31, 2022 at 12:19 PM
Avatar
LOUIS W NAGY
  • MEMBER
  • 55 POSTS
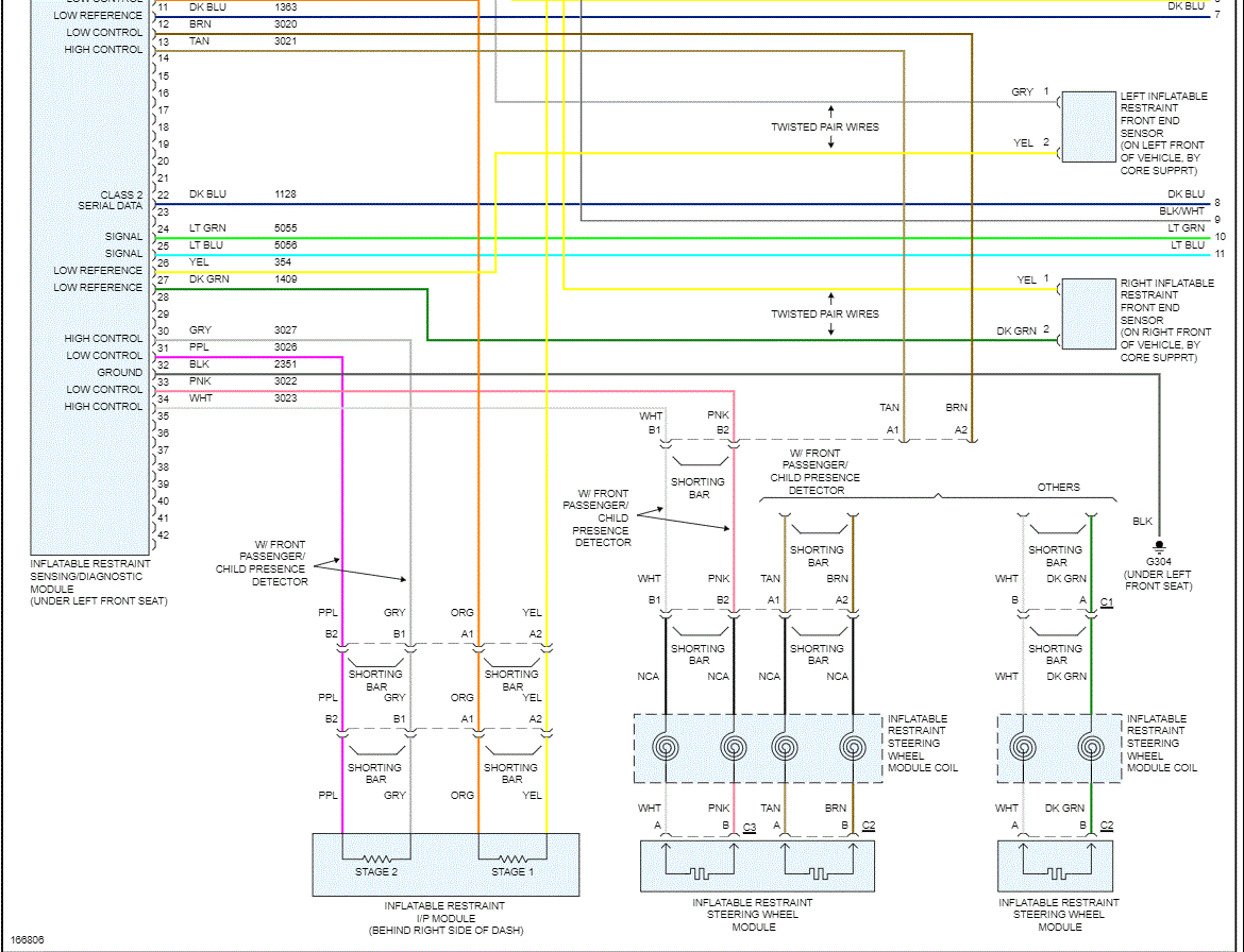
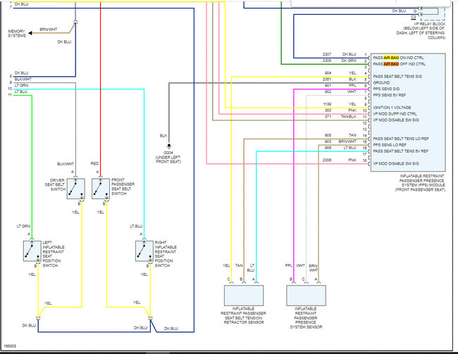
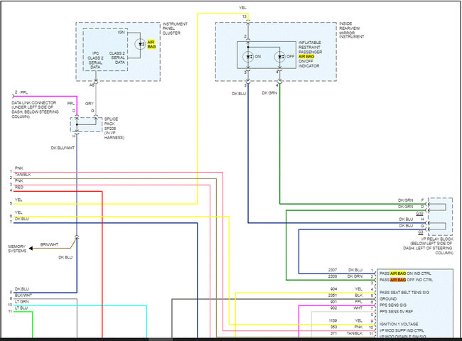
Also, do you have a diagram for airbags module it's coding up?
Jan 31, 2022 at 3:46 PM
Avatar
LOUIS W NAGY
  • MEMBER
  • 55 POSTS
It's a B1001 code, hoping it’s a bad connection.
Jan 31, 2022 at 3:47 PM
Avatar
JACOBANDNICKOLAS
  • CERTIFIED EXPERT
  • 110,175 POSTS
Hi,

I just sent an email related to cycling the switch to turn it off. I sent it to the site owner. Hopefully, he will have some ideas to help.

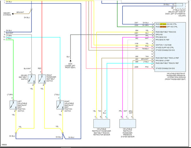
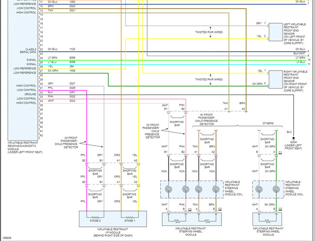
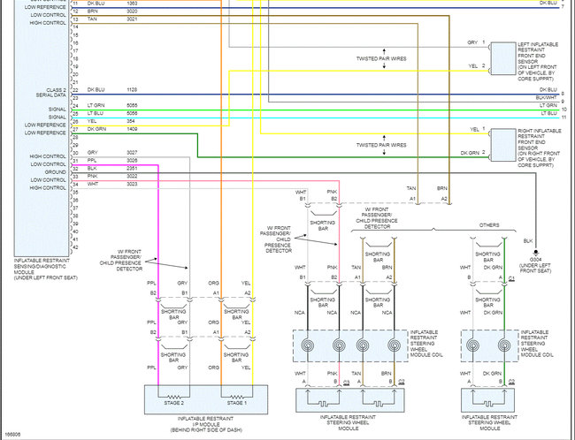
As far as your requests, here is what I did. Pics 1-3 are the diagnostics specific to the B1001. Pics 4-7 are the wiring schematics for the instrument panel, and oil pressure switch. The last 4 pics are of the restraint circuits.

I hope this helps.

Let me know what I can do to help.

Take care,

Joe
Jan 31, 2022 at 5:47 PM
Avatar
LOUIS W NAGY
  • MEMBER
  • 55 POSTS
Thanks Joe. It really is odd that after it has been running for a while it turns off like it should, and if you turn the key off the dash lights flash interment and let it keep running you can disconnect switch and it will keep running. FYI
Feb 1, 2022 at 8:07 AM
Avatar
JACOBANDNICKOLAS
  • CERTIFIED EXPERT
  • 110,175 POSTS
Hi,

I spoke with Ken, and he is recommending having the can-bus scanned. By chance, do you know if any of the transmission codes are still active? (Or any other code)

When you think about it, as metal components warm, they expand. It's almost like when they expand, a connection is being made and it works normally. Since cycling the key eventually turns it off, I'm wondering if it is in the PCM or BCM. Ken indicated the same. That is why he would like you to scan the can system. Here is a link that shows how it's done. If you have already done this, let me know if there are codes and what they are.

https://www.2carpros.com/articles/can-scan-controller-area-network-easy

Also, you indicated the dash lights flash. Are you referring to the warning lights or the illumination lights (back lights)?

Let me know.

Joe
Feb 1, 2022 at 8:18 PM