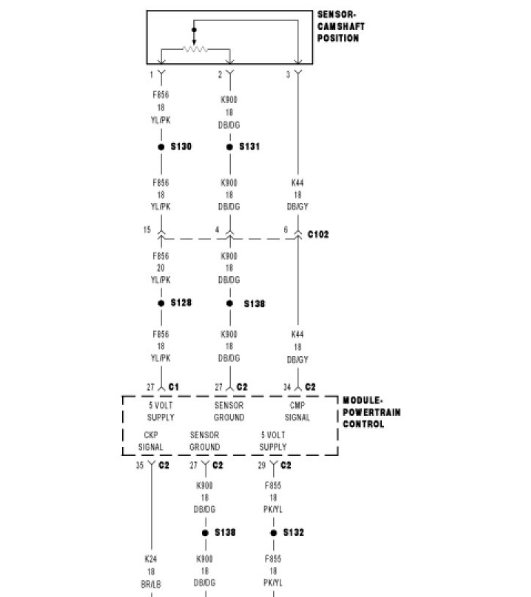
In search of a little help. I have a 2008 Sahara JKU. I gave the vehicle to my son who just got his drivers license. He has been driving it for several months now. He decided to put a throttle pedal controller on it. After he installed it the vehicle done fine for about four miles and then it started throwing engine codes P0335 and put the Jeep in reduced power mode. We removed the throttle controller and cleared the code but it came back within a few minutes. I replaced the crankshaft positioning sensor and cleared the code again. Drove the Jeep for a few minutes and got another code P0340 for the camshaft positioning sensor and right back into reduced power mode. So I replaced the camshaft positioning sensor. Cleared the codes and The jeep done fine for a few minutes and then threw another code. This time it's a P0016 and right back into reduced power mode.
Seems like I'm chasing my tail here. Any advise would be greatly appreciated!
Seems like I'm chasing my tail here. Any advise would be greatly appreciated!
Aug 23, 2019 at 9:14 PM















