Air conditioner not working

2010 VOLKSWAGEN BEETLE
160,000 MILES • 2.5L • 5 CYL • 2WD • AUTOMATIC
Avatar
MOMO5372
  • MEMBER
  • 6 POSTS
It never stops but just blows air. I checked pressure and was fine on both sides with car running. The gauge went straight to red when I hooked it up. Not for sure what to check next.
Jul 10, 2019 at 7:02 PM
Advertisement
Avatar
STEVE W.
  • CERTIFIED EXPERT
  • 15,113 POSTS
What were the actual low side and high side pressures please? Were you using a regular gauge set or something else? Normally a gauge going into the red is a very high pressure.
Do the lines get cold?
Jul 10, 2019 at 7:23 PM
Avatar
MOMO5372
  • MEMBER
  • 6 POSTS
I apologize. I did not check high side low side went to 100 psi on the gauge you get with the recharge bottle and no tubes do not get cold.
Jul 10, 2019 at 7:26 PM
Advertisement
Avatar
STEVE W.
  • CERTIFIED EXPERT
  • 15,113 POSTS
No problem. It sounds like there is a compressor failure that is causing no actual pressure change. A compressor that was working should drop the low side pressure to around 30-40 psi. I would try unplugging the clutch and see if the compressor stops. Then check the pressure in the system with a regular gauge set, you can get them as loaner tools at many parts stores. Now reconnect and see if the low side pressure drops with the compressor engaged. If it doesn't the compressor has failed.
Jul 10, 2019 at 8:12 PM
Avatar
MOMO5372
  • MEMBER
  • 6 POSTS
Is that why the clutch constantly spins? If I do have to change the compressor is it something I can do? I read something about vacuuming the system and I'm not for sure what that entails. does that need to be done with me changing the compressor?
Jul 10, 2019 at 8:30 PM
Avatar
STEVE W.
  • CERTIFIED EXPERT
  • 15,113 POSTS
If the compressor failed internally it could be calling for AC and turning on the clutch but the compressor isn't really working. The thing is that if it is internal failure you will likely need to replace more than just the compressor. When they fail they tend to spit fragments out that travel in the lines and condenser and cause blockages. The normal process is to verify the compressor failure and then remove the parts and flush the system then replace the compressor, condenser, drier, expansion valve and the seals and oil. That is to keep any debris from cycling into the new parts and causing a failure.
I attached a pic of the instructions that come with a new compressor. A kit with all those parts runs about $400.00 on RockAuto.com depending on which compressor style you have. I would say you can DIY most of the parts but the front condenser isn't fun as VW made it's replacement very difficult without the correct tools. You have to remove most of the front of the car to get to it! The fenders and bumper come off as one piece, then you remove the radiator support, drain the cooling system and disconnect the radiator and tip the lock carrier out. then you can remove the radiator and the condenser!

Now another approach if it is a bad compressor would be to get a used one, then remove the lines you can get to, flush the system a couple times in both directions, add half a charge of oil to the compressor turn it over a few times to be sure it works and install it. Charge the system with the rest of the oil and see if you have AC. Not the best way but I've seen it work.
All of those will require the refrigerant to be recovered and then once the parts are replaced you would need to pull a vacuum to remove anything left behind in the lines or drier. Then recharge the system by weight.
Jul 11, 2019 at 2:32 PM
Avatar
MOMO5372
  • MEMBER
  • 6 POSTS
That helps out a lot. I got a junkyard of the road that has a few Volkswagen bugs in it. I'll check it out and see if they got any that will work with mine and then I'll go with that approach and see how it works.
Jul 11, 2019 at 2:37 PM
Avatar
STEVE W.
  • CERTIFIED EXPERT
  • 15,113 POSTS
Keep us in the loop, if you need more help just ask.
Jul 11, 2019 at 7:02 PM
Avatar
MOMO5372
  • MEMBER
  • 6 POSTS
Okay, thank you.
Jul 11, 2019 at 7:09 PM
Avatar
STRAILER
  • CERTIFIED EXPERT
  • 53,854 POSTS
STEVE W. is one of our best! Use 2CarPros anytime, we are here to help. Please tell a friend.
Jul 15, 2019 at 12:52 PM
Avatar
MOMO5372
  • MEMBER
  • 6 POSTS
I will for sure.
Jul 15, 2019 at 1:16 PM
Avatar
ERIC5SCOTT
  • MEMBER
  • 2 POSTS
AC not working, compressor is getting power, but not turning on. Freon pressures are good and fan control module has already been replaced. Any ideas? I've read that the dash switches are usual culprits but would like more info. Thanks
Jul 16, 2019 at 9:19 AM (Merged)
Avatar
SATURNTECH9
  • CERTIFIED EXPERT
  • 30,869 POSTS
So your getting power to the clutch when pressing the ac button but the clutch doesnt kick on?
Jul 16, 2019 at 9:19 AM (Merged)
Avatar
ERIC5SCOTT
  • MEMBER
  • 2 POSTS
yes, that is correct.
Jul 16, 2019 at 9:19 AM (Merged)
Avatar
DOCHAGERTY
  • CERTIFIED EXPERT
  • 9,603 POSTS
Seems like a clutch issue, is there continuity across the coil?
Jul 16, 2019 at 9:19 AM (Merged)
Avatar
SATURNTECH9
  • CERTIFIED EXPERT
  • 30,869 POSTS
Do you have a bulb test light to do some testing?
Jul 16, 2019 at 9:19 AM (Merged)
Avatar
CRGHIN
  • MEMBER
  • 1 POST
I have a 2003 Beetle and when it is cold outside it will not start. The lights and radio come on but when you turn the key to start it nothing happens. It doesn't make any kind of noise showing that it is trying to start. When the outside temperture warms into the 30's it starts right up. What could be causing this?

Thanks!
Craig Hinze
Jul 16, 2019 at 9:19 AM (Merged)
Avatar
PANCAKES
  • MEMBER
  • 1 POST
Did you ever find a solution to your problem?

My girlfriend owns a 2003 beetle as well and it was doing the same thing this past winter. would not start when it was below 40 degrees f, as soon as it would warm up to 50 or so it would start and run fine.

I took it to the shop and it turned out to be the starter.

They replaced it and it runs fine now..

a new/reconditioned starter with core (turn in your old one) will run you $150 if you shop it around.. installation shouldn't take longer than an hour since it is pretty accessible to any mechanic that knows their stuff...

Let me know if this worked out for you,

Thanks.
Jul 16, 2019 at 9:19 AM (Merged)
Avatar
MARSA04
  • MEMBER
  • 4 POSTS
I have the same yr and having the same problem did you ever figure it out? Please let me know thanks
Jul 16, 2019 at 9:19 AM (Merged)
Avatar
DSHELTON4
  • MEMBER
  • 1 POST
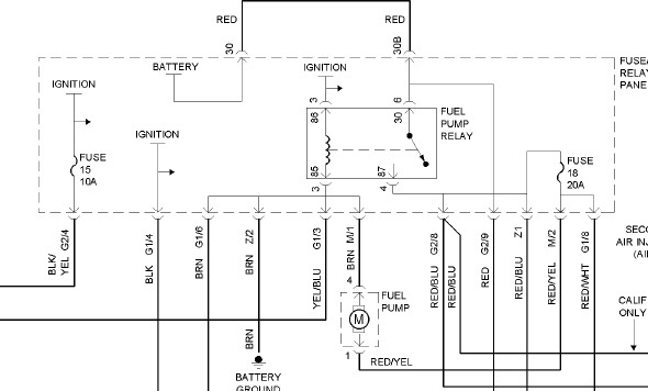
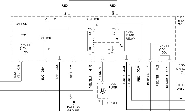
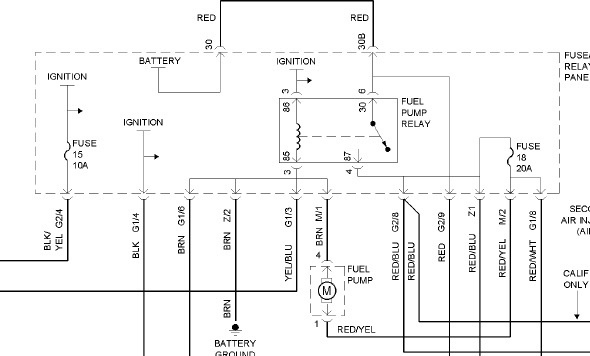
Where can I get a wiring diagram for 2002 Beetle air conditioning? It does not kick on at all. I have been troubleshooting and read all forums. I am a mechanic and will be glad to make a donation if you can supply.
Jul 16, 2019 at 9:19 AM (Merged)
Avatar
EXOVCDS
  • CERTIFIED EXPERT
  • 1,883 POSTS
Climatronic or rotary heater control panel?

Thomas
Jul 16, 2019 at 9:19 AM (Merged)
Avatar
EXOVCDS
  • CERTIFIED EXPERT
  • 1,883 POSTS
You might also want to post what size engine...
Jul 16, 2019 at 9:19 AM (Merged)
Avatar
DCE71
  • MEMBER
  • 1 POST
Ac quit blowing cold, replaced defective left side cooling fan, compressor clutch engages but does not load down engine. Ac is still not cold, is there anything else I can test or a work around to isolate the problem?
Jul 16, 2019 at 9:19 AM (Merged)
Avatar
MHPAUTOS
  • CERTIFIED EXPERT
  • 31,937 POSTS
You need to get the high and low pressures read, there is a special manifold gauge set that must be used, go get the readings and report back the findings.
Jul 16, 2019 at 9:19 AM (Merged)
Avatar
JKLINGER
  • MEMBER
  • 1 POST
Had a mechanic friend check coolant and that is not the problem but in checking it out he noticed that when you turn the air on the fan kicks on when the compressor goes on but it only runs for a few seconds and then the fan shuts down. What would be the problem?
Jul 16, 2019 at 9:19 AM (Merged)
Avatar
DOCHAGERTY
  • CERTIFIED EXPERT
  • 9,603 POSTS
I have some experience with the new beetles. The thing I found was the control panel is the system controller and it can have the failure you posted with, I also have the Robert Bentley manual for that car, and it is quite helpful. If needed, I can send images from it, or I can get it to you if you want. I am sending my email to you via a PM
Jul 16, 2019 at 9:19 AM (Merged)
Avatar
SIRRAY
  • MEMBER
  • 1 POST
Any ideas on why ac would not be blowing cold air? Air blows strongly as normal, but only slightly cool air comes out. Thanks.
Jul 16, 2019 at 9:19 AM (Merged)
Avatar
OMARRUFO
  • MEMBER
  • 11 POSTS
I had same problem and it was a faulty battery fuse box (sits right on top of battery, can't miss it). Was told by another VW specialist that fuse boxes are faulty and contact areas start melting as they cannot handle load cooling fans draw when running a/c.

bought it at dealership, replaced it in 10 minutes.. (p.s. dont forget to install 'jumper' type fuses in box.. they did not tell me and I had trouble getting car to start, 'till I figured out I had left 'jumper' type fuses on old fuse box).. Hope this fixes your problem....
Jul 16, 2019 at 9:19 AM (Merged)
Avatar
FRANCISSAGE
  • MEMBER
  • 1 POST
Just bought a car off a private party, and i noticed that the heat works, but when i put the A/C on there is no cold air, it's just room temperature. When i start the car a blue temperature light comes on for about 2-3 minutes then shuts off. Do i need to do a re-up of A/C coolant or completely fix the A/C. please help
Jul 16, 2019 at 9:19 AM (Merged)
Avatar
DOCHAGERTY
  • CERTIFIED EXPERT
  • 9,603 POSTS
The fact that the controls are working for heating and the fan, would lead me to believe that the A/C system may be low on refrigerant, and could need recharging. Do you have a repair facility in mind?
Jul 16, 2019 at 9:19 AM (Merged)
Avatar
JEFF WILSON
  • MEMBER
  • 1 POST
put freon in low side compressor is running puts out no cold air
Jul 16, 2019 at 9:19 AM (Merged)
Avatar
WRENCHTECH
  • CERTIFIED EXPERT
  • 20,761 POSTS
You can't know the compressor is running because that car uses an internal clutch, not visible from outside. You're going to need not just an A/C specialist, but one that is familiar with the unusual Volkswagen system.
Jul 16, 2019 at 9:19 AM (Merged)
Avatar
ANGELJM1998
  • MEMBER
  • 1 POST
2000 Volkswagen Beetle Front Wheel Drive Automatic 68000 miles
----------------------------------------------------------------
ac not working fans not working tested fans and they are ok fuses ok is there a fuseable link somewhere
Jul 16, 2019 at 9:20 AM (Merged)
Avatar
OMARRUFO
  • MEMBER
  • 11 POSTS
not sure if your 2000 has the same fuse box on top of battery that my wife's 2002 does.. but we were having gremlins with a/c as well,, would quit for a day or 2 and then come back on for weeks/months. finally one day it would never come back on... diagnostics showed a weak battery fuse box that is a very common issue with VW's.. took guy 2 minutes to figure it out... (if you pull fuses and look closely, it may show partial melting at fuse contact points).. replaced fuse box myself in 5 minutes and a/c has been working like a champ for months!
Jul 16, 2019 at 9:20 AM (Merged)