clutch replacement

2006 CHRYSLER PT CRUISER
173,000 MILES • 2.4L • 4 CYL • 2WD • MANUAL
Avatar
TONY FIELDS
  • MEMBER
  • 2 POSTS
i shifted first and second and into third nothing, you can let out on clutch and put it in any gear nothing, no grinding or anything.
Jun 10, 2017 at 2:51 PM
Advertisement
Avatar
HARRY P
  • CERTIFIED EXPERT
  • 2,292 POSTS
I would bet on a broken or disconnected linkage from the shifter to the transmission. Hopefully it is not broken inside the transmission. Have someone move the shifter around while you look under the hood to see if the linkage is moving as it should. Let us know.
Jun 10, 2017 at 2:55 PM
Avatar
TONY FIELDS
  • MEMBER
  • 2 POSTS
yes, the linkage does move on top of transmission. is it easy to take out transmission or whole engine? because i am not sure when timing belt was changed. is it easy to take it out the top i do not have a lift?
Jun 10, 2017 at 3:32 PM
Advertisement
Avatar
HARRY P
  • CERTIFIED EXPERT
  • 2,292 POSTS
Generally transmissions are pulled from under the car, though it may not even be necessary. If you are a beginner at working on cars, working on your transmission may be a bit much to take on. I would leave that to someone who knows more.
Jun 10, 2017 at 6:59 PM
Avatar
STRAILER
  • CERTIFIED EXPERT
  • 53,854 POSTS
Hello,

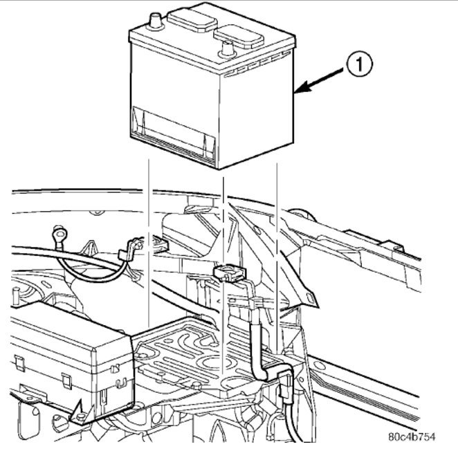
You can do the job yourself. We have a guide that shows the job being done that will give you an idea on what it will be like on your car, and I have found some diagrams (below) that will help you get the job done on your car.

https://www.2carpros.com/articles/how-to-replace-a-clutch

and

https://youtu.be/JpzefqEeVGE


Please let us know what happens.

Cheers, Ken

Jun 13, 2017 at 11:17 AM