Cluster stopped working

2002 ACURA MDX
153,000 MILES • 3.5L • 6 CYL • AWD • AUTOMATIC
Avatar
RICH KEMPA
  • MEMBER
  • 1 POST
Cluster not working, checked all fuses and are good. All warning lights come on but no speedometer, tachometer, fuel gauge or temperature gauge.
Apr 3, 2017 at 12:05 PM
Advertisement
Avatar
STRAILER
  • CERTIFIED EXPERT
  • 53,855 POSTS
Hello,

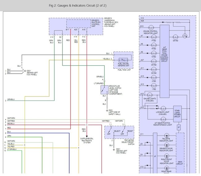
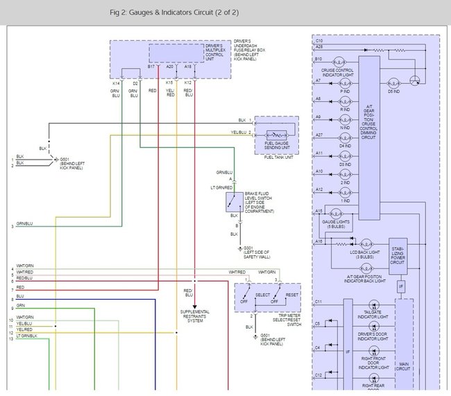
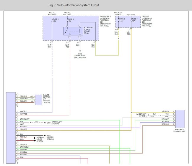
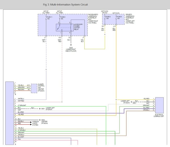
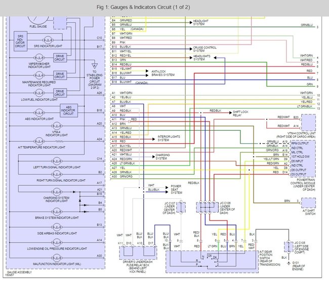
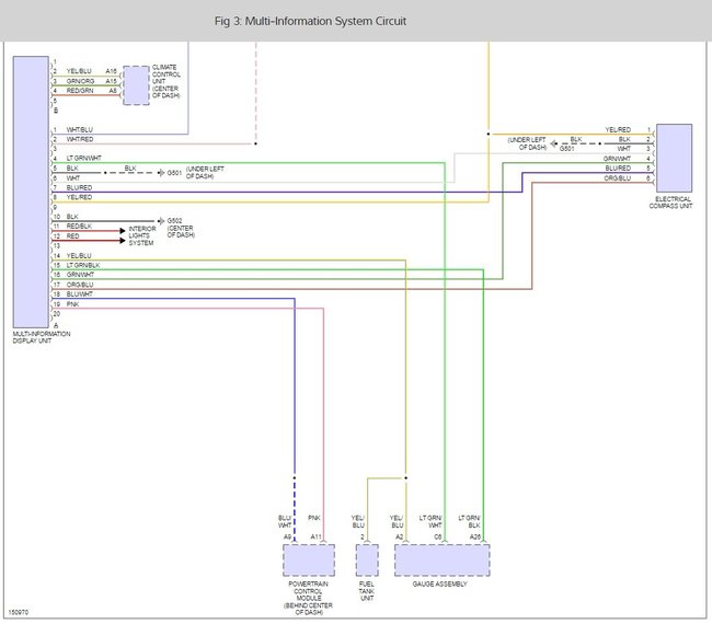
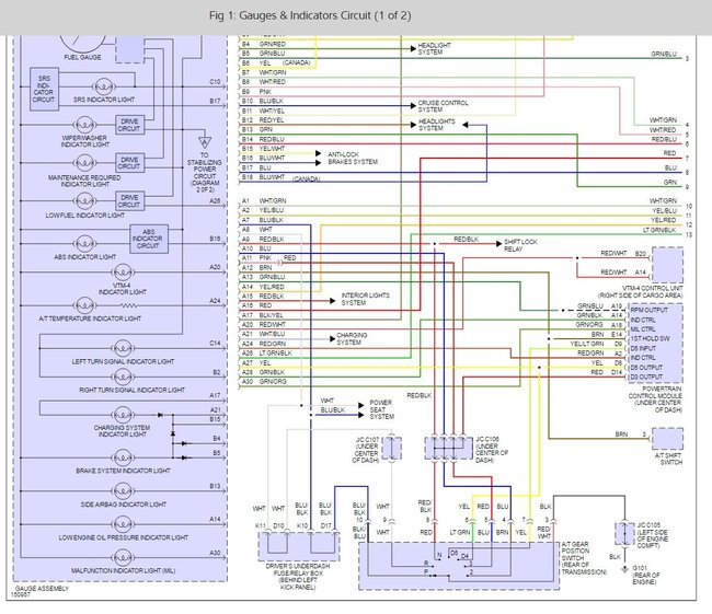
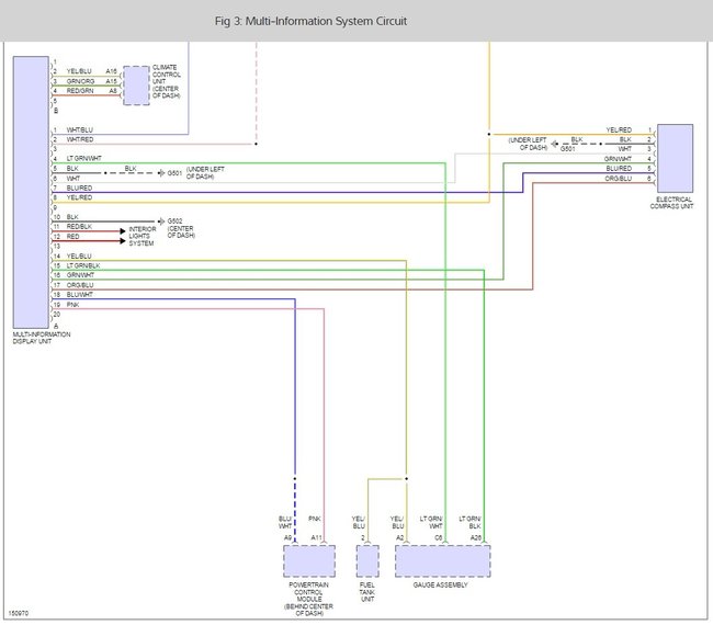
It sounds like it can be one of two things, the first thing I would do is test the accessory relay which runs the system, also there are more then one fuse that supplies power to the cluster. Next, Remove the cluster and unplug it, then plug it back in again, this will clean the contacts and fix any bad connection. Here is the wiring diagrams for the cluster (below).

Please run some tests and get back to us so we can continue helping you.

Best, Ken
Apr 6, 2017 at 10:02 AM
Avatar
CESAR1286
  • MEMBER
  • 3 POSTS
I have the same problem but all my fuses are good. My turn signals and work but nothing else.. where is the relay located?
Aug 4, 2019 at 6:12 PM
Advertisement
Avatar
STRAILER
  • CERTIFIED EXPERT
  • 53,855 POSTS
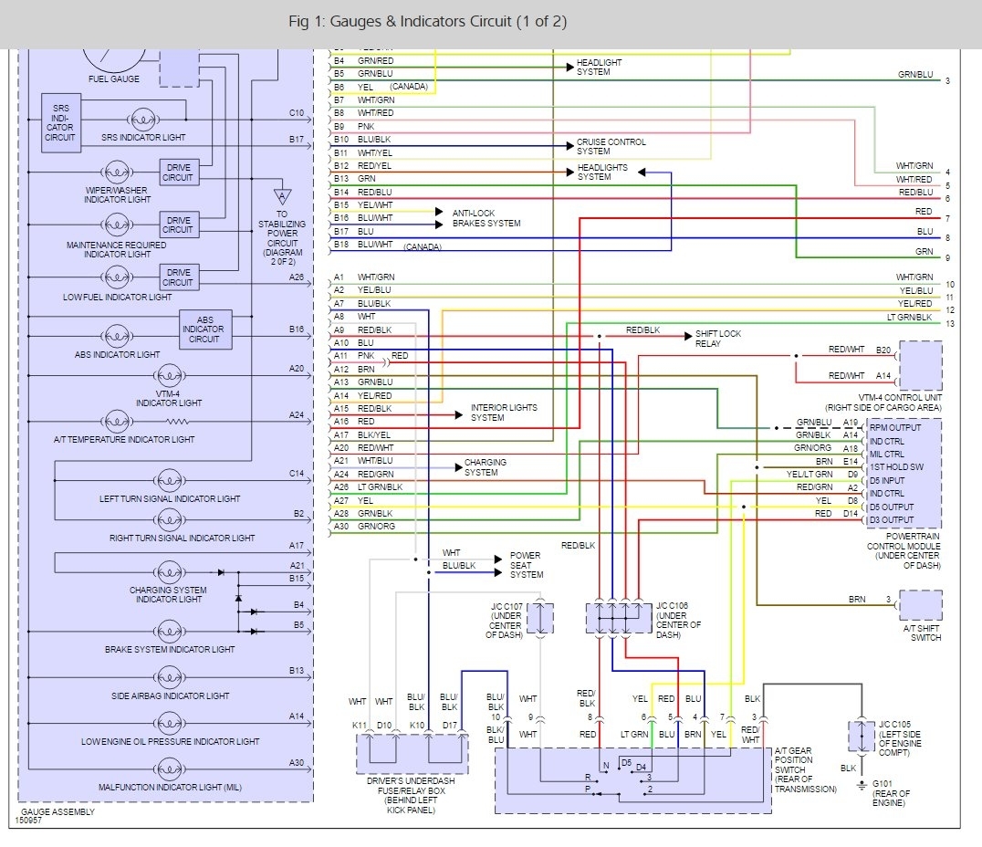
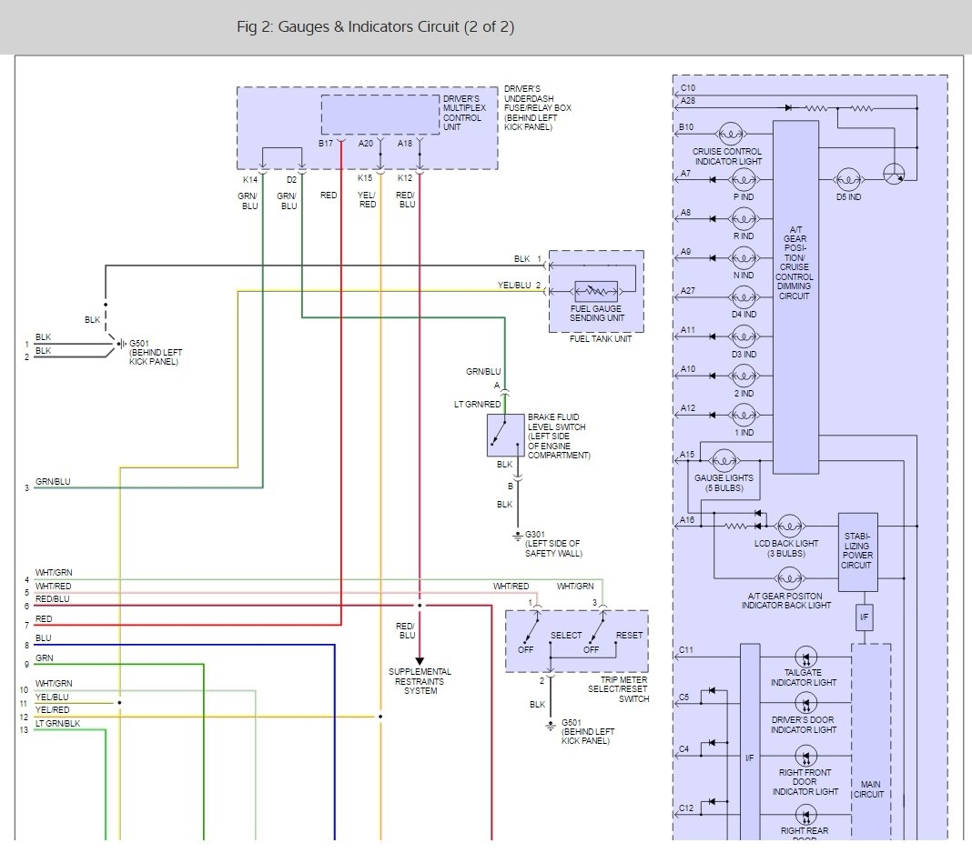
The accessory relay is located in the passengers fuse panel. here is the location and a guide to help you test it:

https://www.2carpros.com/articles/how-to-check-an-electrical-relay-and-wiring-control-circuit

Check out the diagrams (below). Please let us know what happens.

Aug 5, 2019 at 9:51 AM
Avatar
CESAR1286
  • MEMBER
  • 3 POSTS
Thanks ill try that out but.. there was smoke coming from behind the cluster out the vent. When i plugin in the new trip computer.
Aug 5, 2019 at 10:22 AM
Avatar
CESAR1286
  • MEMBER
  • 3 POSTS
Is this information for 2002 Acura mdx?
Aug 5, 2019 at 10:25 AM
Avatar
STRAILER
  • CERTIFIED EXPERT
  • 53,855 POSTS
Yes it is, is the relay not there?
Aug 6, 2019 at 9:50 AM