Cluster problem

1998 NISSAN MAXIMA
275,000 MILES • 3.0L • 6 CYL • FWD • AUTOMATIC
Avatar
MAXIMA9999
  • MEMBER
  • 10 POSTS
Hi,

Suddenly the gauges for the tachometer, odometer, temperature, gas, stopped working. then it started acting very weird like when ever there is a bump they start jumping then going back to zero. that happens also if i hit the cluster at the dashboard area i mean gently by hand. i found out that this happens when the temperature is really hot outside and even the small screen showing the mileage. i have the car for more than a year and half and this is the first time i see this happening to me.
i took the cluster out and i found something strange which i believe the previous owner has made and you can see the red wire in the attached photo is not connected he has somehow disabled that, but i do not know what does this mean.

Please help me with suggestions and if the red wire should be connected where should it be connected to.

Thank you very much,

Thamir.
Apr 27, 2017 at 1:55 AM
Advertisement
Avatar
STRAILER
  • CERTIFIED EXPERT
  • 53,855 POSTS
Hello,

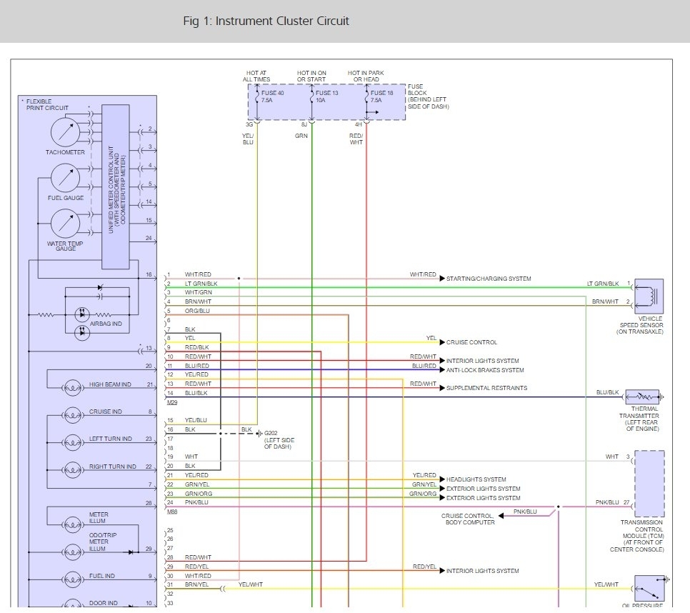
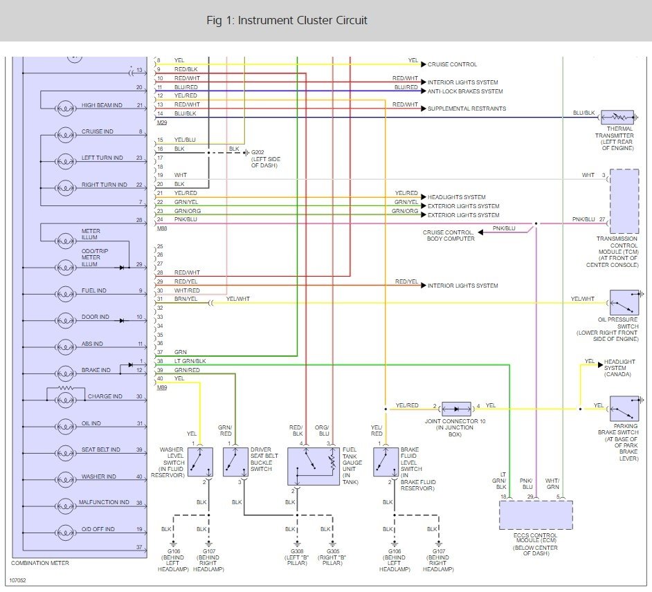
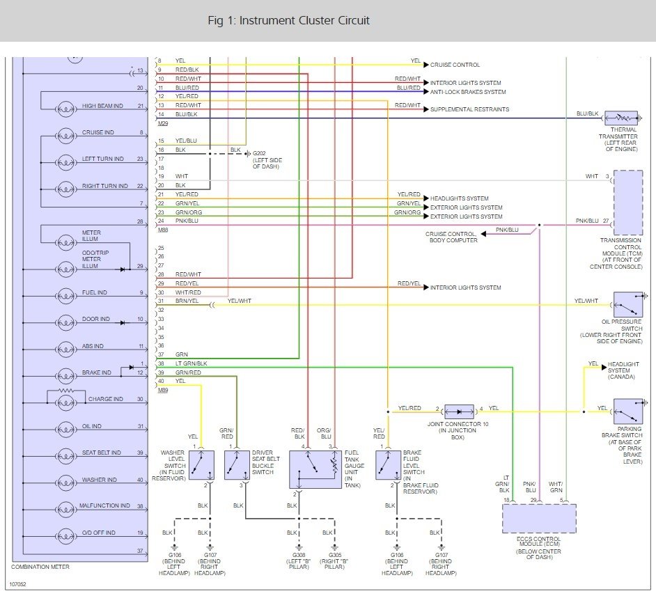
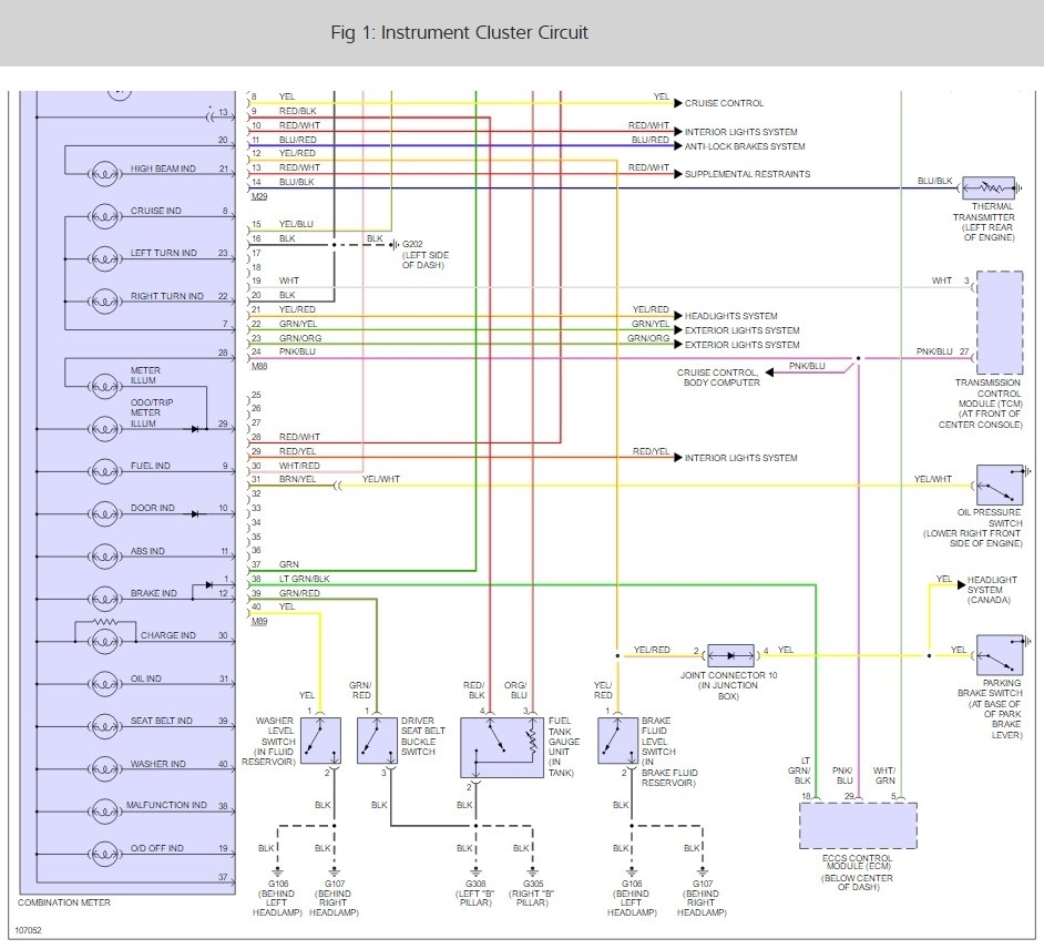
It sounds like you have a bad connection which shorts out when warm which is what they do. Test for power and the harness connectors and check the ground as well. I do not know what that box is but it looks factory so make sure the connections are good. Here is a wiring diagram and a guide to help you with the testing.

https://www.2carpros.com/articles/how-to-use-a-test-light-circuit-tester


Please run some tests and get back to us so we can continue helping you.

Cheers, Ken
Apr 27, 2017 at 12:17 PM
Avatar
MITCHGRABER
  • MEMBER
  • 1 POST
while driving the gauges just started to go up and down cruise control when off and fuel went to full then empty water gauge went to cold then all started to work again. this happened a few times car was still driving well just would like to know if this is a voltage regulator or a possible short.
Apr 27, 2017 at 12:18 PM (Merged)
Advertisement
Avatar
KHLOW2008
  • CERTIFIED EXPERT
  • 41,814 POSTS
Symptom indicates a bad ground circuit to be a more likely cause of the problem. Have the ground circuits checked. It could also be a loose connector and I would suggest removing the meter cluster to check them.
Apr 27, 2017 at 12:18 PM (Merged)