Good day,
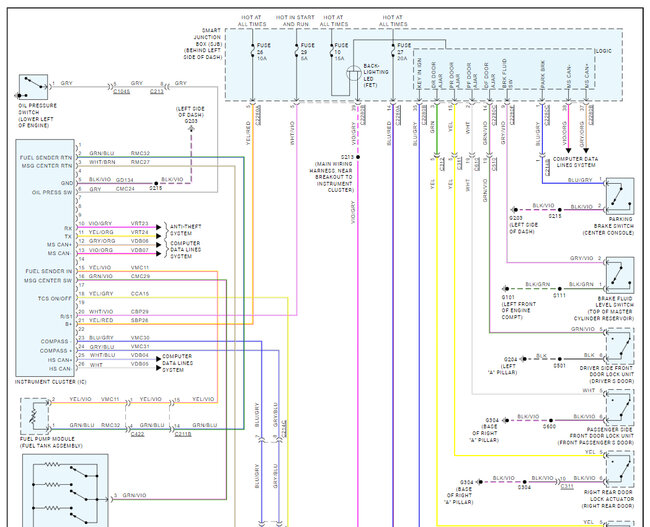
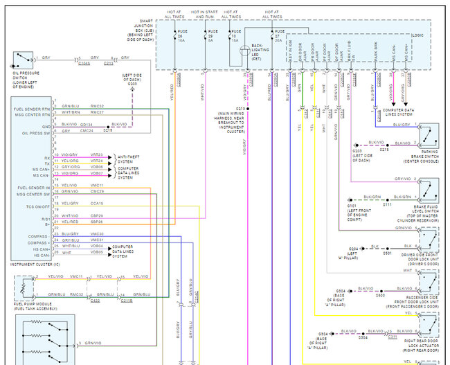
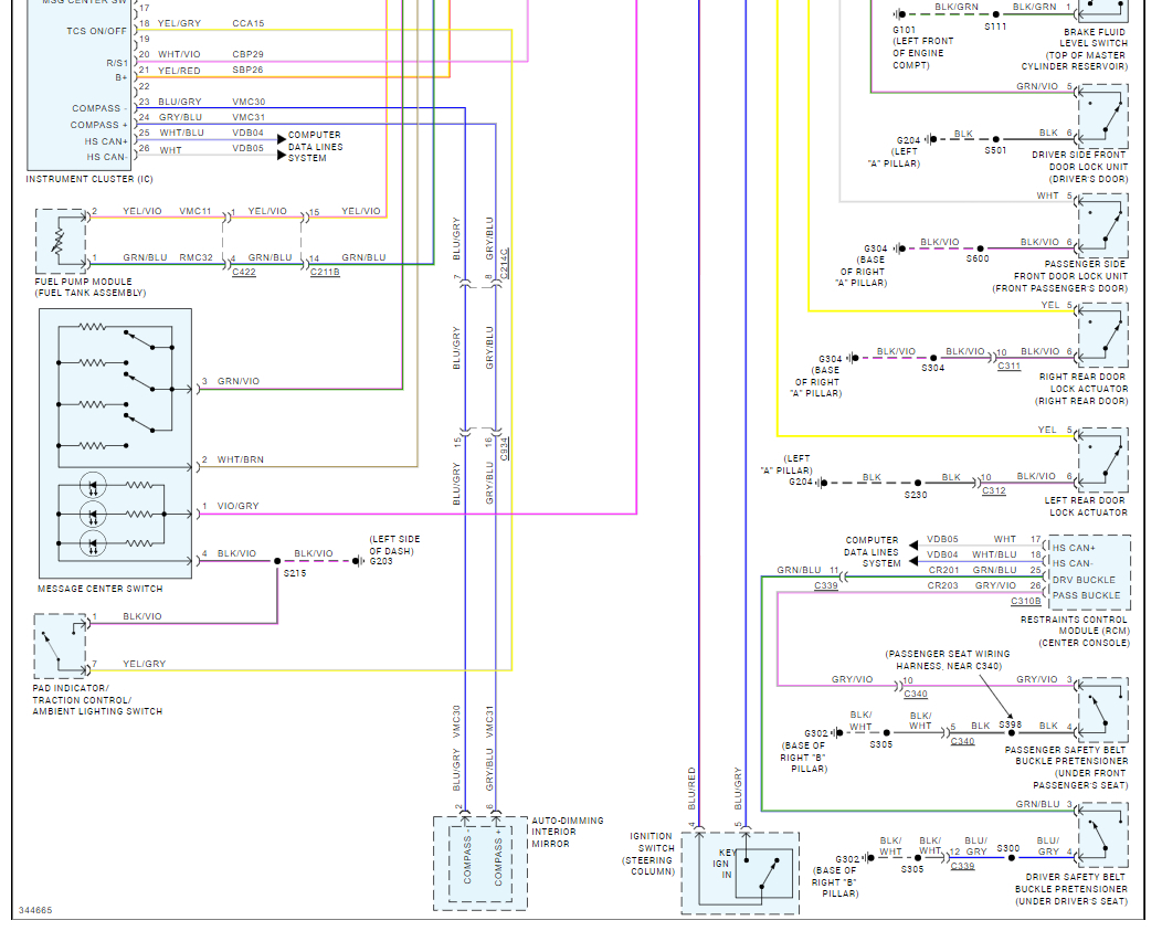
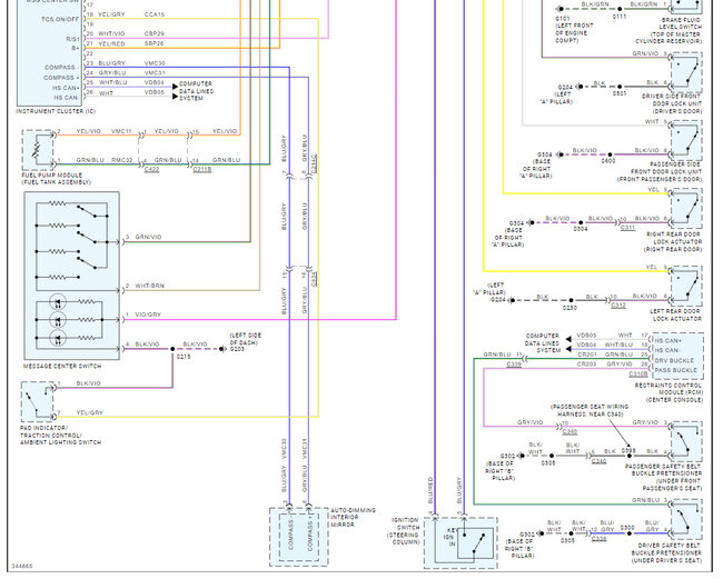
I want to change my cluster to the new Ford bantam Facelift 2011 model but the wiring on the Hannes seems to be different on the pin or plug or is it the cluster itself...Can you please help with the diagram?
I want to change my cluster to the new Ford bantam Facelift 2011 model but the wiring on the Hannes seems to be different on the pin or plug or is it the cluster itself...Can you please help with the diagram?
Dec 19, 2023 at 9:23 AM



