Code p6050 and cluster does not work

2006 CHEVROLET EQUINOX
250,000,000 MILES • 3.4L • 3 CYL • 2WD • AUTOMATIC
Avatar
SSWIFT1980
  • MEMBER
  • 1 POST
I had to replace the radio harness after some did a very poor job putting back in the factory radio before it was sold. i rewired the harness and all of a sudden my cluster stopped working. I replaced the lights and bought a new cluster. My computer gave me a code of p6050 and my speakers had no sound. Obviously there is a wire break somewhere just not sure where to start looking.
May 24, 2020 at 11:48 AM
Advertisement
Avatar
KASEKENNY
  • CERTIFIED EXPERT
  • 18,907 POSTS
I agree that it appears you have a wiring issue but that code you gave is not a valid code. Did you happen to mean P0605?

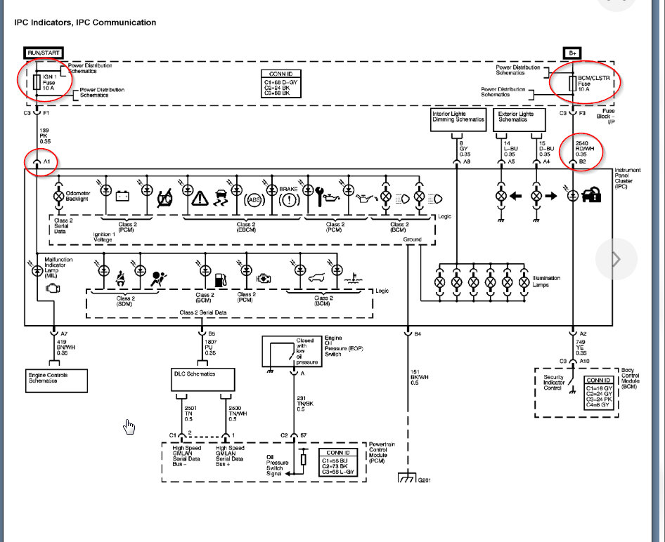
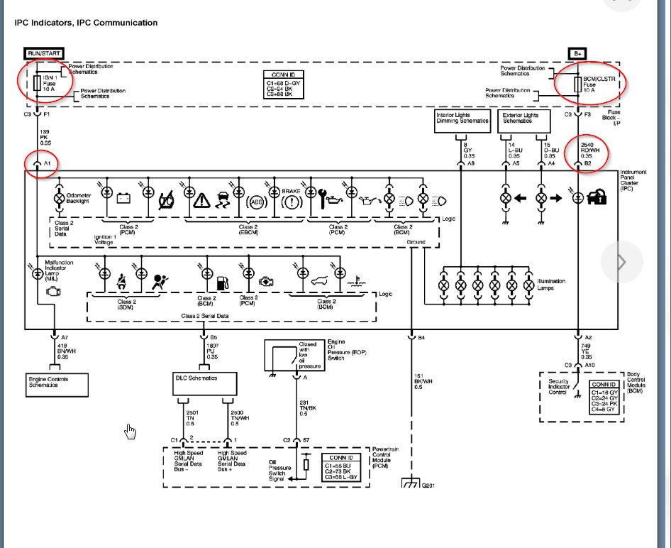
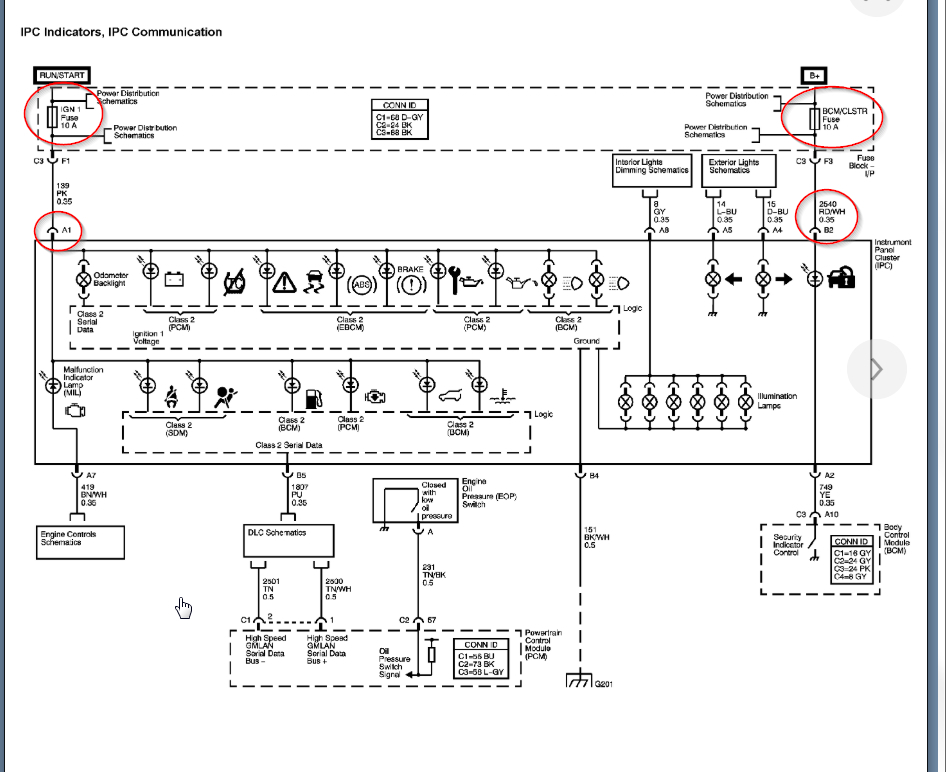
Let's start with checking fuses. You have two fuses that could cause this. First is the BCM/Cluster fuse. The second is the Ign 1 fuse and they are both in the IP fuse block.

If these are ok then we need to check power to the cluster on each of these wires and see if we have power to the cluster on A1 and B2 pins.

If not then that is most likely the broken wire.

Let's start with this and go from there. Thanks
May 24, 2020 at 5:41 PM