Hi,
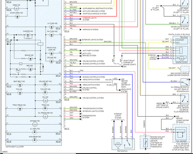
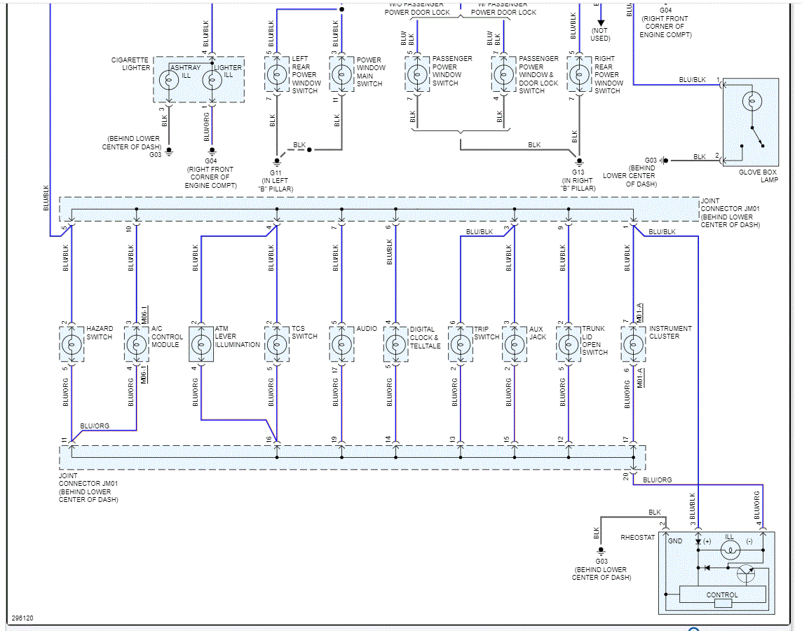
I wasn't sure exactly what you were looking for because cluster warning lights are listed differently than cluster lighting. So, I attached the schematics for both.
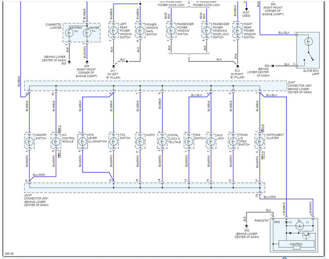
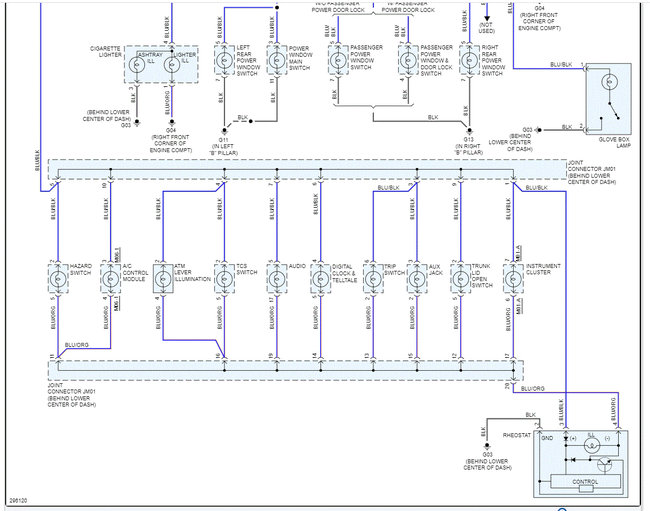
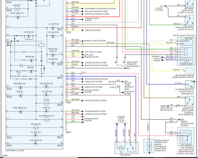
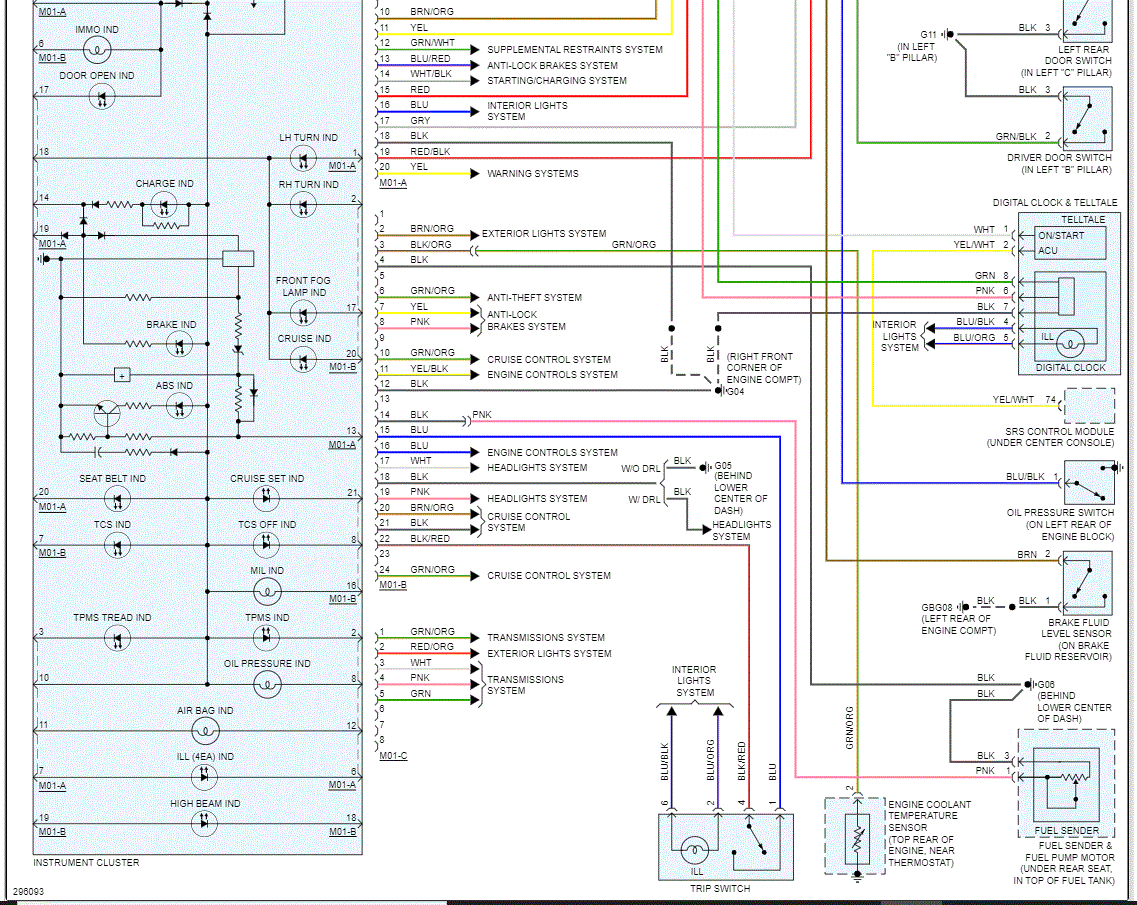
The first two pics are of the interior lighting which includes cluster lighting. Pics 3 and 4 are the circuits for the cluster itself, warning lights, gauges and so on.
Originally, these were one page each. I had to cut them in half to make them readable for you, but I did overlap them so you can follow from one to the next.
Here is a link you may find helpful:
https://www.2carpros.com/articles/how-to-check-wiring
Let me know if this helps.
Take care,
Joe
See pics below.
Images (Click to enlarge)
Apr 18, 2022 at 5:51 PM