All my gauges flicker

2007 FORD FUSION
180,000 MILES
Avatar
CANDYDEERMAN
  • MEMBER
  • 1 POST
My screen that tells me things wrong with car not working right. My blinkers sometimes work and sometimes do not. Also, radio light on display not longer works. But radio does. I think this is either going to be a short somewhere around battery due to having a battery that did not fit right or something behind panel around flasher button and radio. Because I can push in hard there and seems to make a difference. Also possible something to do with ignition switch cause sometimes car will not start because of security. Jiggling the key sometimes seems to make a difference but it is hard to tell.
Sep 17, 2018 at 11:17 AM
Advertisement
Avatar
STRAILER
  • CERTIFIED EXPERT
  • 53,854 POSTS
Hello,

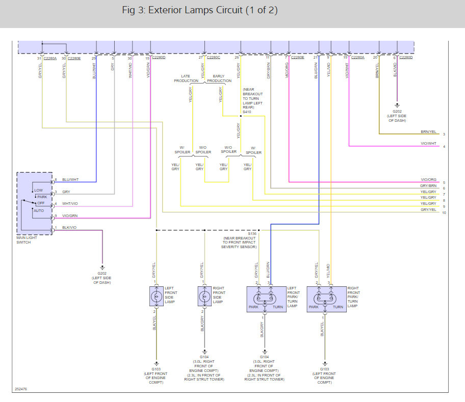
This sounds like the smart junction box is bad or you have a bad connection at one of the electrical connectors at the SJB. Disconnect the battery and remove the smart junction box is inspect the pins/terminals for corrosion this can help fix the problem by just removing the connectors and reinstalling them. If the SJB needs to be replaced it will need to be programmed in which most shops will do for about $130.00 US. Here is the turn signal wiring diagrams so you can see how the system works and the involvement of the SJB. It also shows the location and the electrical connector to remove. Check out the diagrams (below). Please let us know what you find. We are interested to see what it is.

Cheers, Ken
Sep 18, 2018 at 4:09 PM