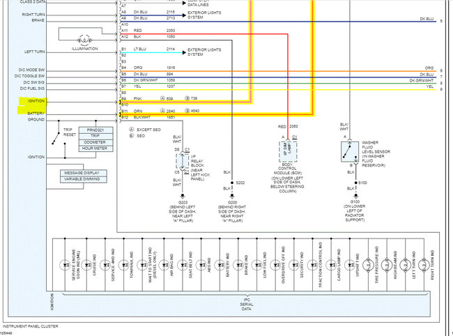
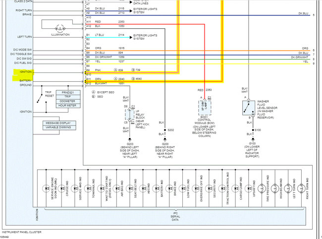
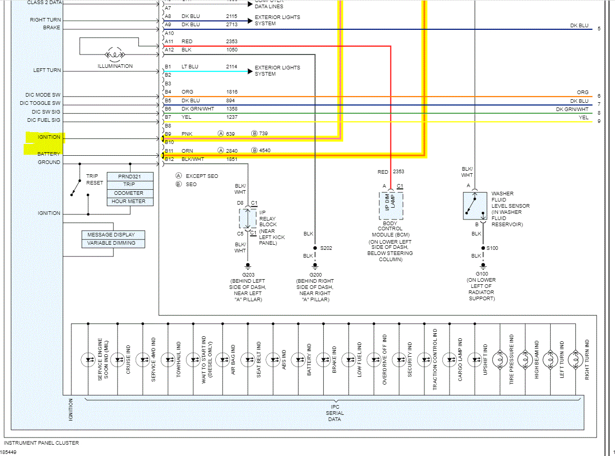
Hot wire in the cluster on the dash location needed.
Jan 29, 2022 at 12:42 PM
Advertisement
JACOBANDNICKOLAS
CERTIFIED EXPERT
110,175 POSTS
Hi,
Power is from the fuse box under the hood. I attached two pics below showing the power supplies. Let me know what is happening and maybe I'll be able to help.