Clock spring wiring diagram needed?

2018 HONDA ACCORD HYBRID
20,000 MILES • 2WD • AUTOMATIC
Avatar
MECHANICFIXIT
  • MEMBER
  • 15 POSTS
Hello, I'm looking for a clock spring wiring diagram for my car listed above Touring model.
Jan 6, 2023 at 11:42 PM
Advertisement
Avatar
STEVE W.
  • CERTIFIED EXPERT
  • 15,113 POSTS
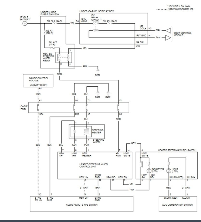
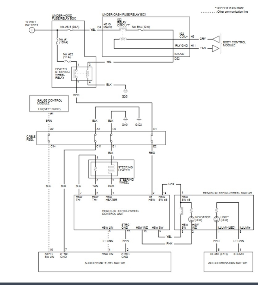
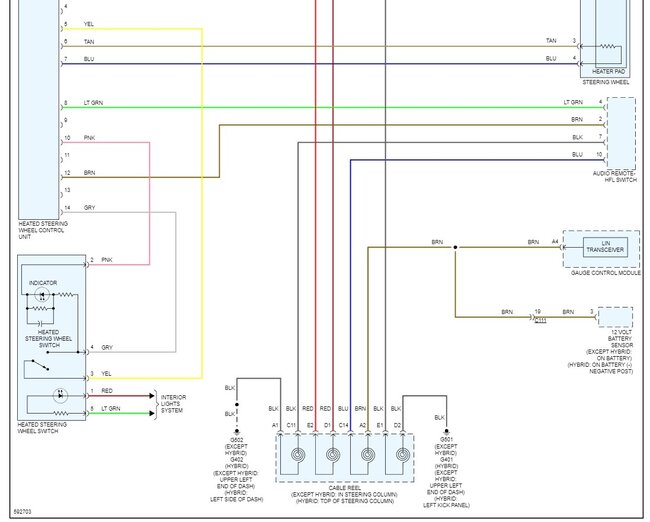
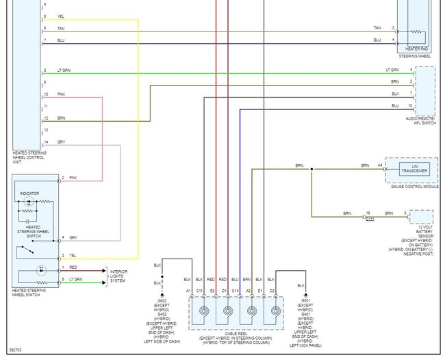
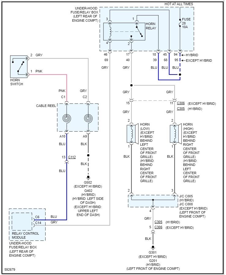
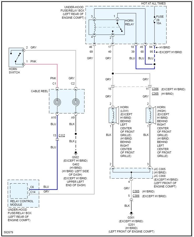
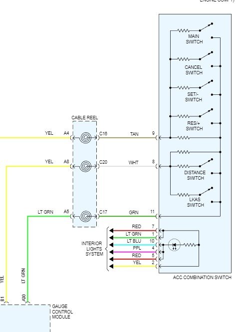
It appears they don't use a single diagram for this as each system has its own with overlap for other systems. Attached are the ones they show for the various systems. Be very careful with that wiring though as the air bag wiring is there along with powers and grounds that could cause it to detonate if they are bridged. If you are thinking of using the audio or shift controls for other items, they are not really usable as they are all run into a module in the steering wheel and converted to digital signals with the audio, shifting and more all on the LIN network and it's easy to cause issues on that network.
What is the issue you are seeing that prompts your question?
Jan 7, 2023 at 4:58 AM
Avatar
MECHANICFIXIT
  • MEMBER
  • 15 POSTS
Hi Steve, thank you for such a fast reply! Yes, one of major concerns was setting off the airbag. The reason I asked for the diagram is to see if I can wire an aftermarket heating element for my steering wheel. It is 12v and 3-amp, so it's not very demanding I don't think. From the diagram you posted I do see a "heating ground" for slot number 2. Do you think it is possible to wire it in? I've posted a picture of the heating element, hope to hear back from you soon.
Jan 7, 2023 at 1:40 PM
Advertisement
Avatar
STEVE W.
  • CERTIFIED EXPERT
  • 15,113 POSTS
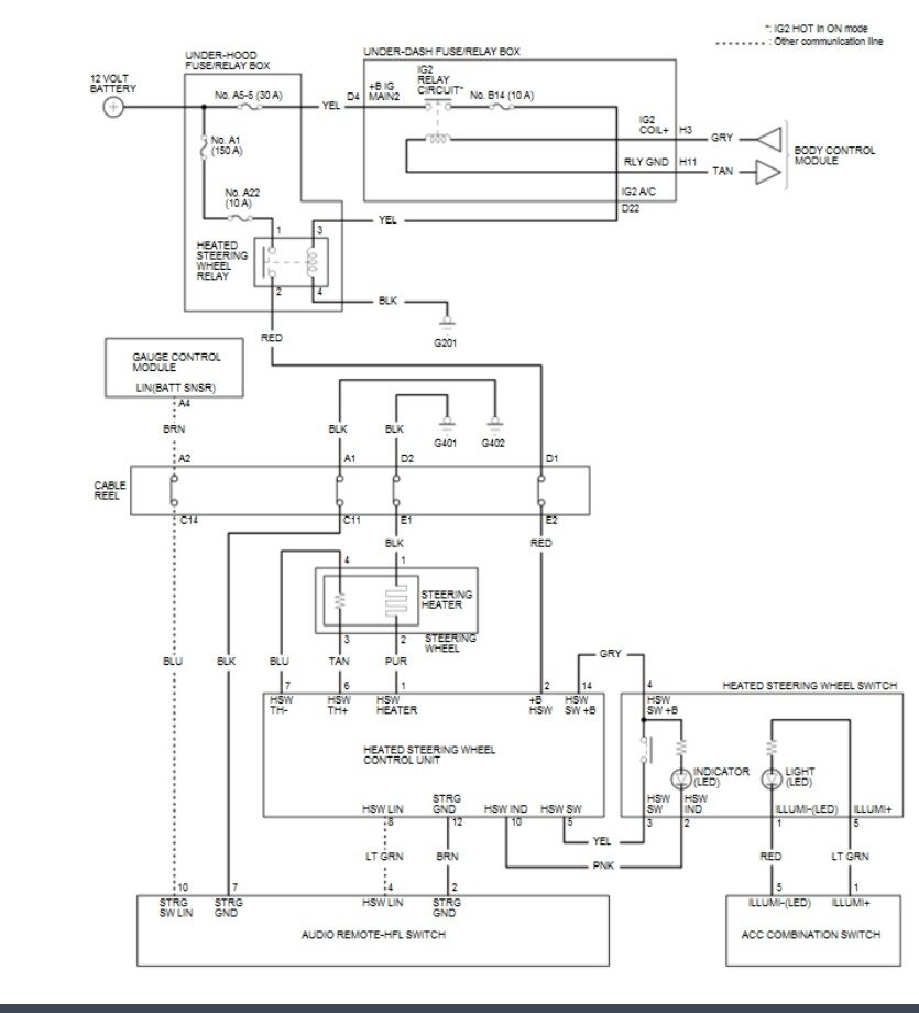
Okay, they did offer a heated steering wheel as an option. These are the wiring for that option. Perhaps that will help.
Jan 7, 2023 at 3:44 PM
Avatar
MECHANICFIXIT
  • MEMBER
  • 15 POSTS
My 2018 model did not come with a heated steering wheel, that option is sold separately by replacing the whole wheel. My question is, can I tap into a constant 12v supply to power a 3-amp heating element in the regular wheel model. Here is a picture of my wheel, I circled the possible locations in red, can you clarify which of your diagram corresponds to the connectors that I circled.
Jan 7, 2023 at 4:35 PM
Avatar
STEVE W.
  • CERTIFIED EXPERT
  • 15,113 POSTS
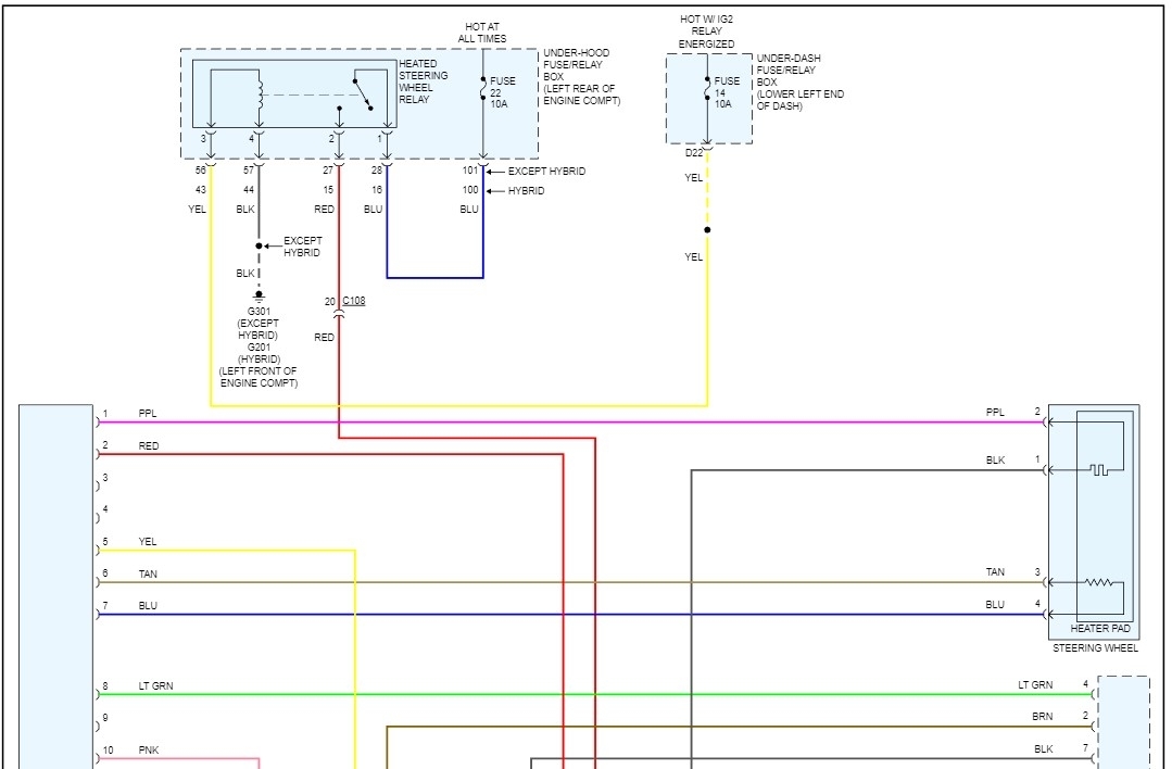
There is a different harness in the wheel when it has the heated wheel, and it uses a different connector that goes to the wheel heater control module. They don't show them very well, but the wiring diagram shows that they are feeding the heater assembly with a 10-amp fuse through the heated wheel relay. That power goes through the red wire that is labelled as E2 and D1 in the colored diagram. It looks like the ground is through E1 and D2.
Jan 7, 2023 at 6:18 PM
Avatar
MECHANICFIXIT
  • MEMBER
  • 15 POSTS
Yes, I understand, but i have a regular non heated wheel. I'm asking if it is possible to tap into the existing wiring in the non heated wheel model. Like maybe power from the horn?
Jan 7, 2023 at 7:24 PM
Avatar
STEVE W.
  • CERTIFIED EXPERT
  • 15,113 POSTS
No, you need to have the other wiring added to feed the power into the wheel. There should be at least the power connection for the OE heater open through the clock spring wiring because it isn't used for other things. So, you need to pull the clock spring out, add the wires then put it together to have the heater work, it actually may even be there, you might want to check the steering heater relay and see if you get power at the clock spring if you put that relay in. That would eliminate the need to wire things in.
Jan 7, 2023 at 8:14 PM
Avatar
MECHANICFIXIT
  • MEMBER
  • 15 POSTS
Thank you, Steve, for your time. I'm a total noob, but I think I'm kind of understanding what you're getting at. I will check my wheel and see if the heated relay is there, but I don't have high hopes. As for pulling the clock spring out and adding wires, I'm not really grasping the process. Can you elaborate further maybe with a drawing, very hard to visualize for me as a beginner. And after adding these wires will the wheel be able to spin and rotate freely?
Jan 7, 2023 at 8:33 PM
Avatar
MECHANICFIXIT
  • MEMBER
  • 15 POSTS
I just wanted to clarify that I'm not trying to install any OEM Honda product, but a third party DIY heating strip that only has a red wire and a black wire and need a constant 12v power source. I attached the image of the heating strip.
Jan 7, 2023 at 8:37 PM
Avatar
STEVE W.
  • CERTIFIED EXPERT
  • 15,113 POSTS
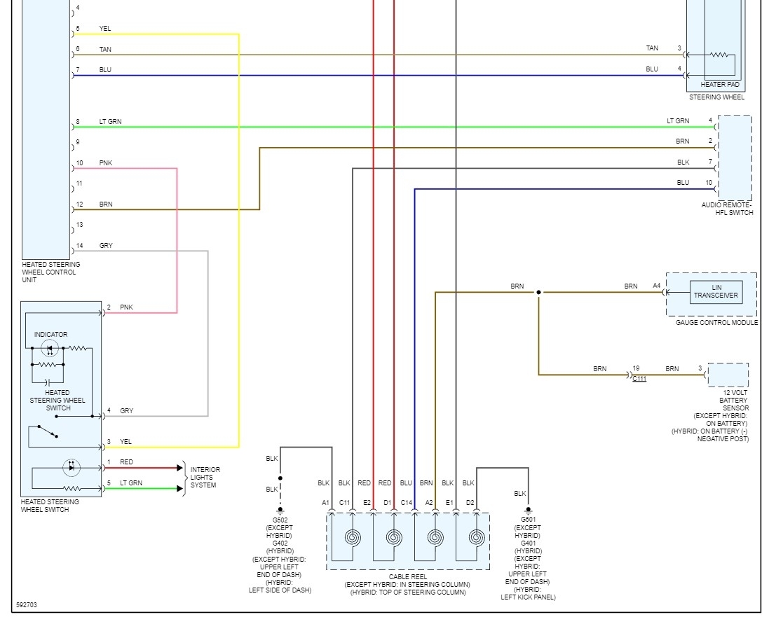
The heater relay may not be in place, however most companies run wires for options even if they don't install them. They just leave other bits out. In your case you don't have the heater or the relay, but the red power wire may still be installed. You just plug in the relay and now you would have power and ground up through the clock spring so that you could power the heaters you want to add. You need to get power through the clock spring, or you cannot connect the heater and the other power sources are not ones you want to use as they cannot carry the extra load. To get to the wiring you need to pull the steering wheel trim pad and get to the back of the connector you took a picture of. That power would be at pin 2 in the 14-pin connector. See the above post with the heated wheel circuit.
If you add the relay and test with a test light attached to ground to probe that wire, it should show power when the key is turned on. Then you could connect the red heater wire there and the black through the switch to the brown ground wire at pin 12 in that same connector. The relay is in the under-hood fuse box on the left of the engine bay.
With it plugged in, you should also feel it click on when you have someone turn the key on.
Then unplug the white connector you took a picture of, then see if you have the switched power at pin 2. Then you may need to add the contact into the white connector to get that power. Not a hard thing but you need the connector.
Jan 7, 2023 at 9:04 PM
Avatar
MECHANICFIXIT
  • MEMBER
  • 15 POSTS
A lot to take in, will digest it and try it out once the item arrives and I find some spare time. Thank you for all the information Steve!
Jan 7, 2023 at 9:32 PM
Avatar
MECHANICFIXIT
  • MEMBER
  • 15 POSTS
Also, here is a video of someone completely changing his non heated steering wheel for an OEM heated steering wheel. Maybe it can give you more insight. https://youtu.be/wgjNaXYBvPo
Jan 7, 2023 at 9:59 PM
Avatar
STEVE W.
  • CERTIFIED EXPERT
  • 15,113 POSTS
That looks like a kit that uses the OE wheel but the Hybrid you have uses different wiring than the non-hybrid in the instructions and video. For instance, on his, the kit uses a different power feed than the OE wiring, so my guess is that this is one of the typical "dealer installed" accessories that comes out for a car. It's like adding fog lights or remote start, they make up an add on kit that is fast and installs quickly but isn't the exact same as the one that would be installed from the factory. Then when you buy the car, you take it in and that particular option isn't on the build list for the VIN, but if it was dealer installed it will show up anyway, just not as a factory option. That can make it interesting when someone else works on it.
The video is still useful though in showing how to get the covers off and to the connectors for the system. You are discovering the axiom of working on vehicles, "Even when they are the same, they are different"!
Jan 8, 2023 at 12:16 AM