☰
Login
Join
×
Home
Answered Questions
Repair Topics
Repair & Service Guides
Popular Questions
Warning Lights
Trouble Codes
How It Works
Testing / Diagnostics
Symptoms
Videos
Login
Become a Member
Home
Ford
F-150
Steering
Steering Wheel
Clock Spring
clock spring wiring diagram for 8 pin connector for clock spring needed?
2020 FORD F-150
10,000 MILES • 5.0L • V8 • 2WD • AUTOMATIC
T9370ML
MEMBER
1 POST
FOLLOW
connector damaged on vehicle theft.
Oct 14, 2022 at 6:49 AM
Advertisement
CARADIODOC
CERTIFIED EXPERT
34,306 POSTS
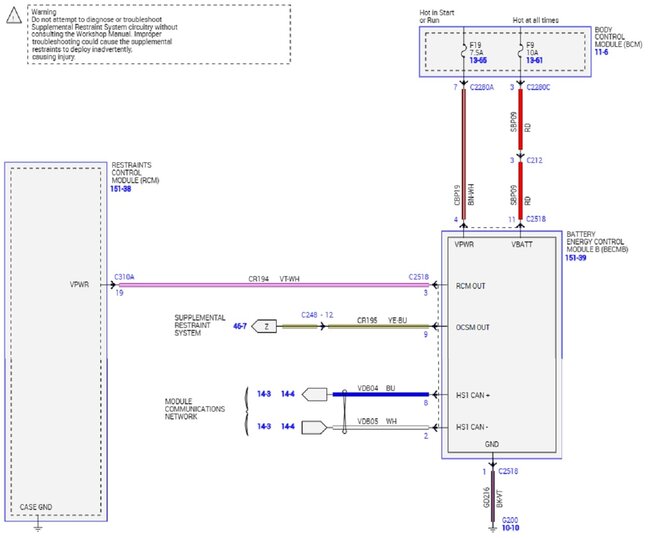
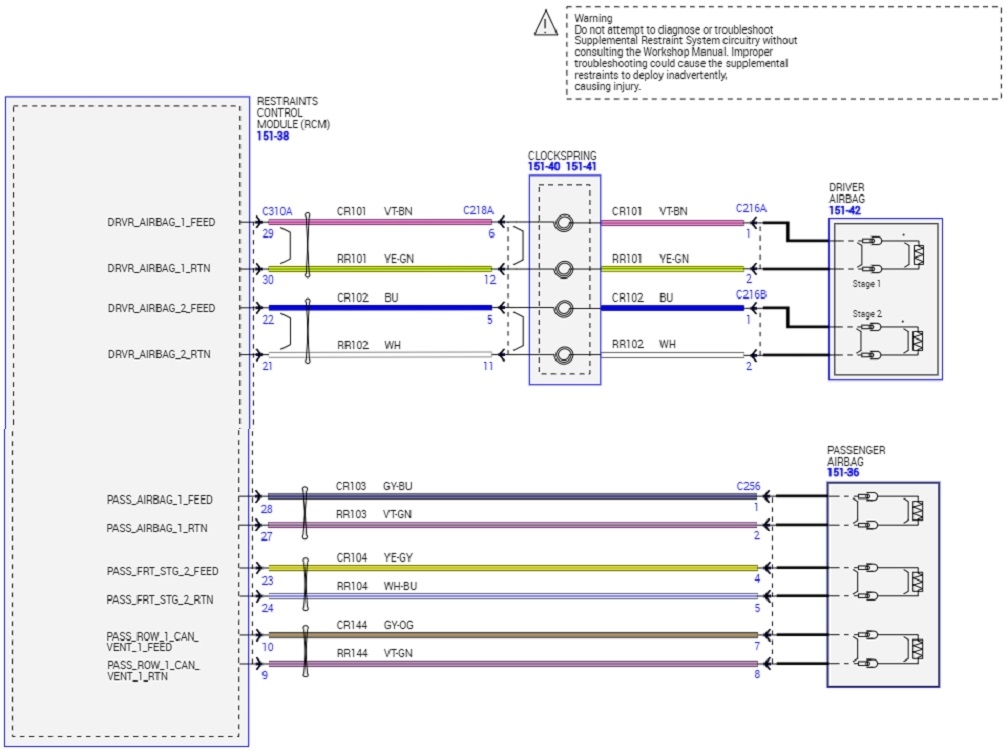
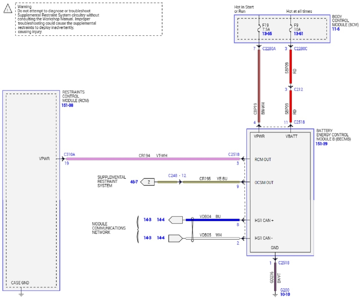
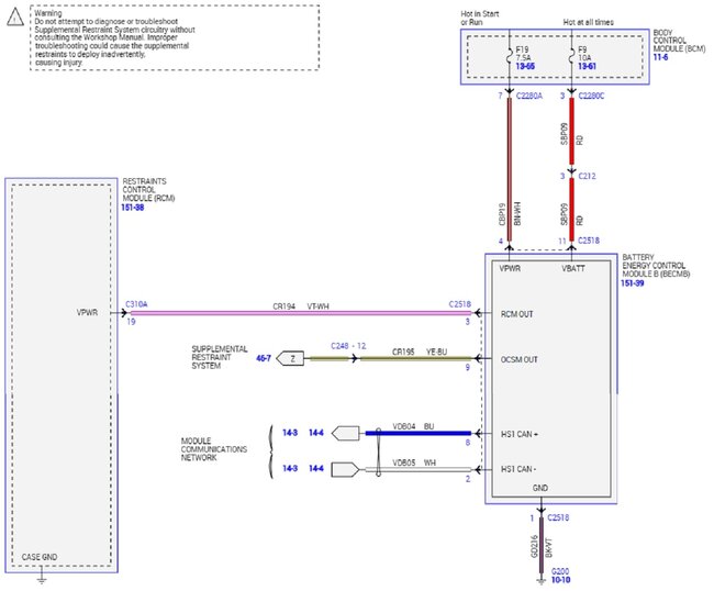
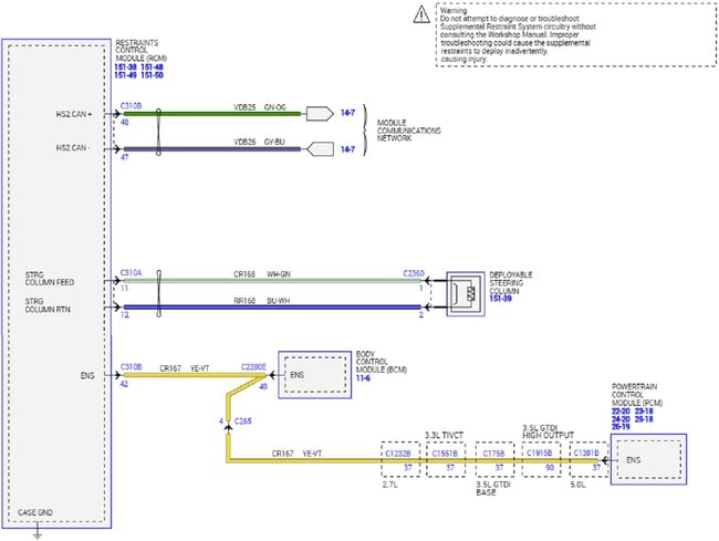
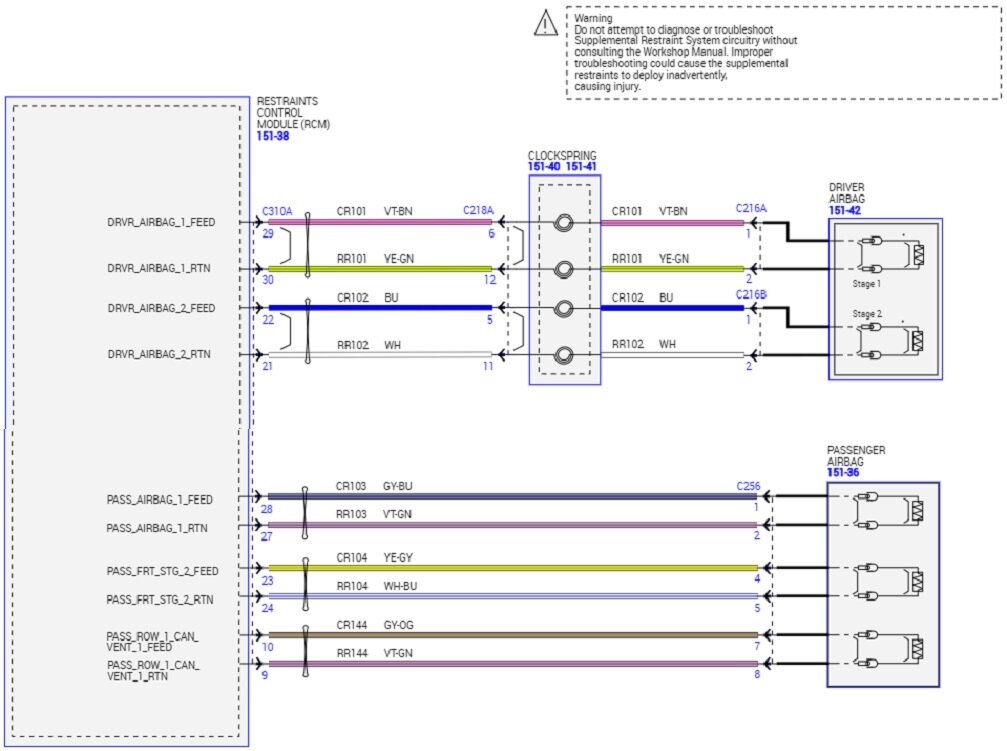
The clock spring is shown in the sixth diagram. It appears you're looking at connector C218A. That's in the last drawing.
Images (Click to enlarge)
Oct 14, 2022 at 12:26 PM