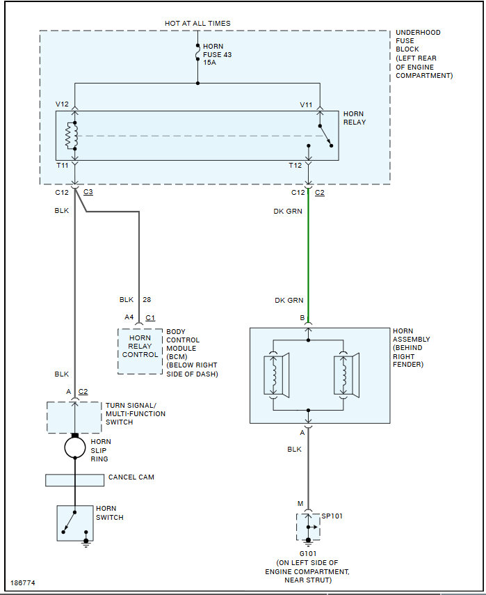
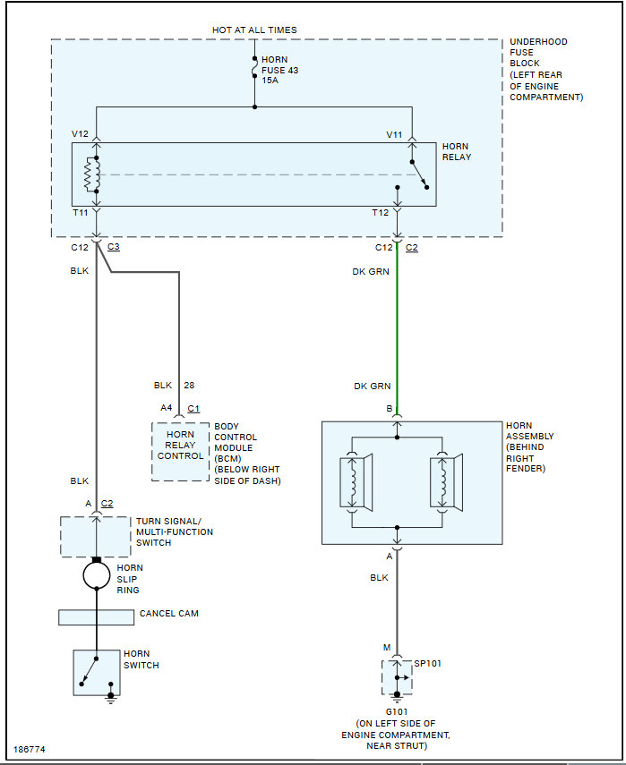
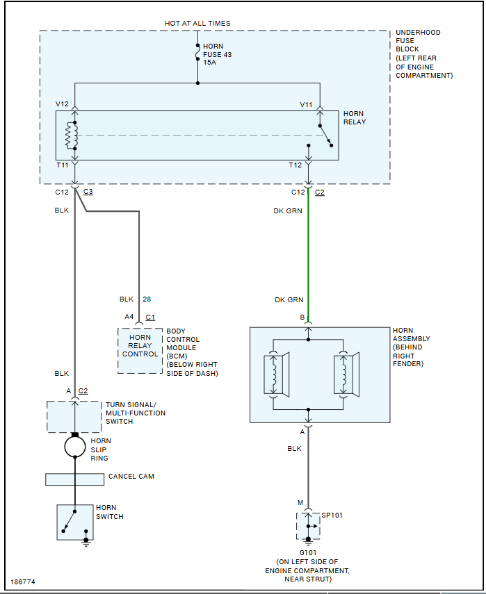
My clock spring has 8 wires (not including the airbag wires), and I need to know which one goes to the horn relay so I can connect an aftermarket horn button. I think it's the black wire, but I haven't gotten it to work yet.
Jan 1, 2025 at 8:48 PM

