Clock spring repair

2014 FORD FLEX
100,000 MILES • 3.5L • V6 • 2WD • AUTOMATIC
Avatar
UP29BALNE1
  • MEMBER
  • 65 POSTS
I just bought this car, and I can't reset the oil life, because none of the controls on the steering wheel work. Would this be the clock spring in the steering wheel? Another noted problem is the radio doesn't work. I can't get anything to play from the radio or disc. I can however sync it to my phone and when my phone rings rather than hear anything it just disconnects. Again, no buttons on the steering wheel work so I'm limited to what I can do. Could that problem be from the clock spring as well or do you think that is a totally separate problem? Thank you for your help.
Apr 28, 2022 at 2:25 AM
Advertisement
Avatar
KASEKENNY
  • CERTIFIED EXPERT
  • 18,907 POSTS
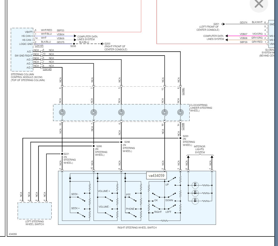
If none of the steering wheel controls work, then this could be a clock spring issue. Here are a couple guides that will help with this:

https://www.2carpros.com/articles/symptoms-of-a-bad-airbag-clock-spring

https://www.2carpros.com/articles/steering-wheel-clock-spring-removal

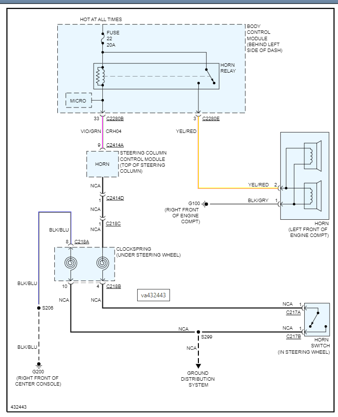
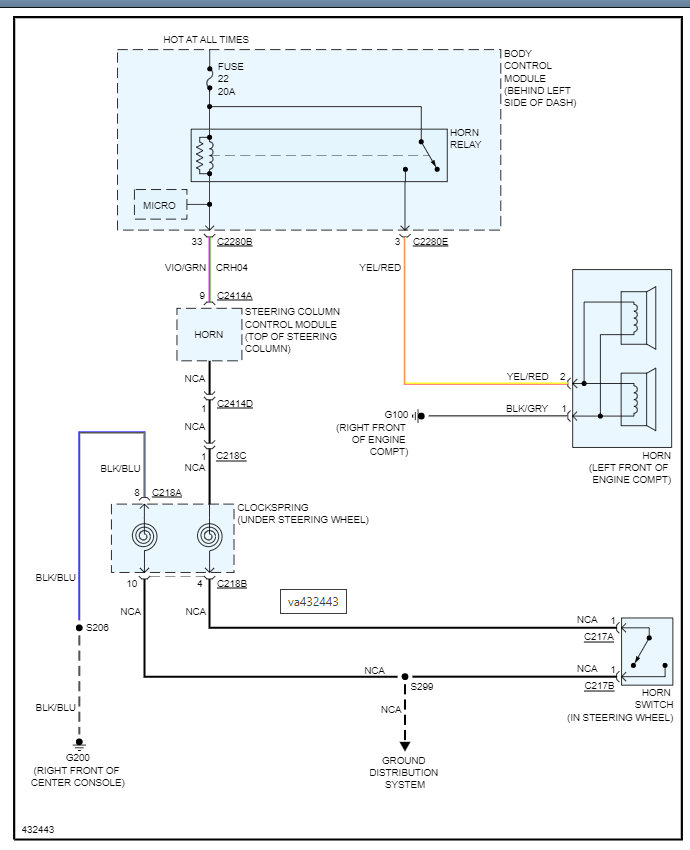
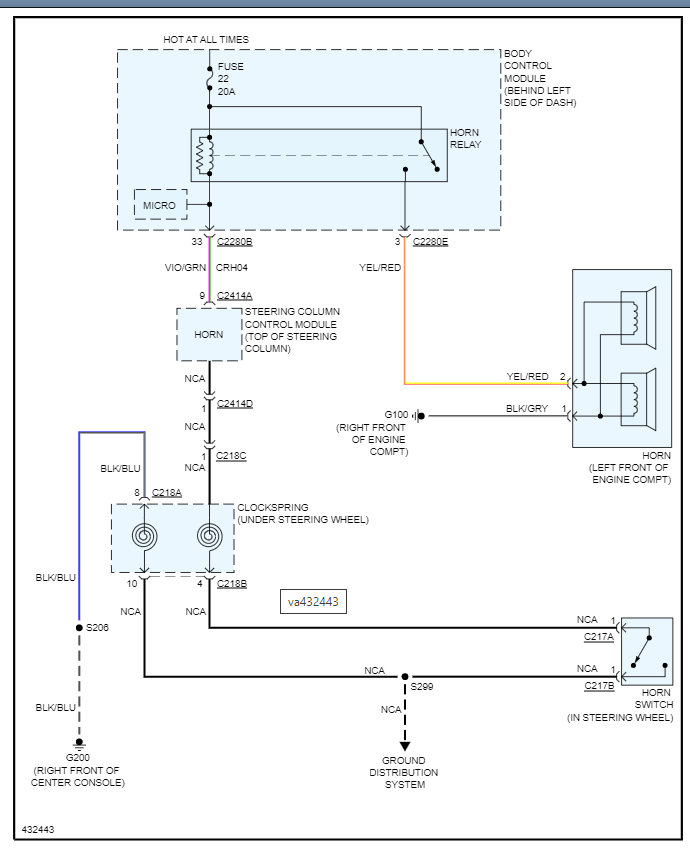
One giveaway that the entire circuit has failed is if the horn doesn't work either.

So, if all steering wheel controls and the horn doesn't work then that is the likely issue.

However, the way to prove this out is to check the voltage on each circuit.

https://www.2carpros.com/articles/how-to-check-wiring

The clock spring will not cause radio issues as well so that could be a fuse issue but let's stick with the steering wheel controls and then we can get to the radio.

I am attaching the wiring diagrams below which will help with this so let's start with this and go from there.

Thanks
Apr 28, 2022 at 6:04 PM