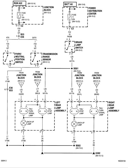
I replaced the clock-spring a week ago, and after everything was assembled I lost the reverse lights. I checked for bad bulbs, dirty contacts, or for bad grounds. The other lights worked great! Now a week has past and there is a clicking sound coming from the steering column. Can this seriously be happening? From the information I have gathered on your website, it sounds like the brand new clock-spring could be the culprit. I have heard of parts going bad, that is understandable. But after a few minutes to a week. Really?! That's just does not seem right. Could this really be the problem? If so, is there a way to test this stupid thing and how do I prevent this from happening again so soon? The original click-spring was replaced in 2004, that should be at least what to expect from the newest clock-spring. Your help in this matter would be gratefully appreciated. Thanks!
Nov 4, 2016 at 5:24 AM

