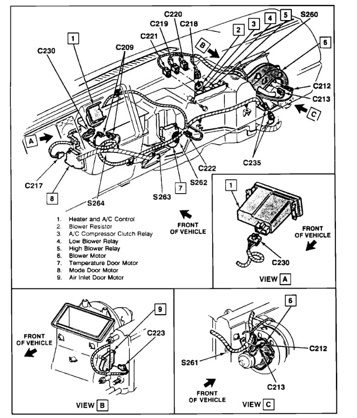
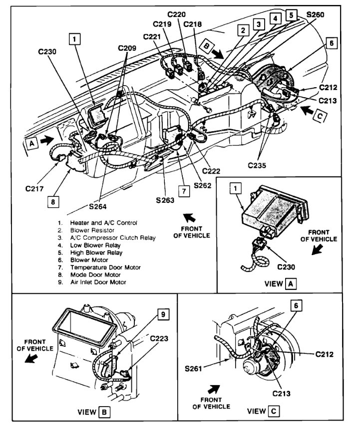
The arrows lights on the climate control are blinking on and on and the actuator door for defrost and the vents and floor do not work.
Nov 4, 2018 at 5:06 PM
Advertisement
STRAILER
CERTIFIED EXPERT
53,854 POSTS
The lights will blink when one of the actuators is not working. Here is a guide to help you see what you are in for when changing the mode actuator out and the location of the actuator for your truck below: