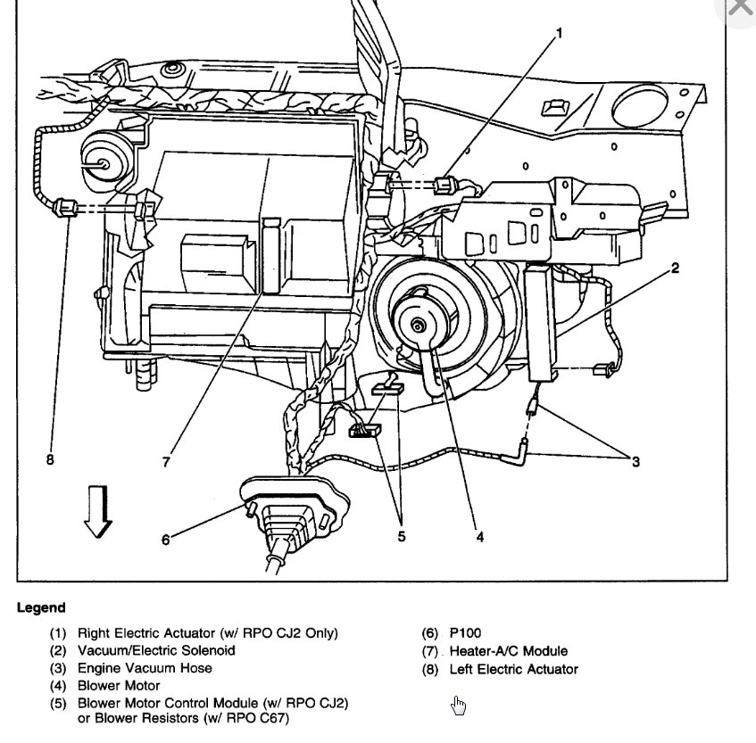
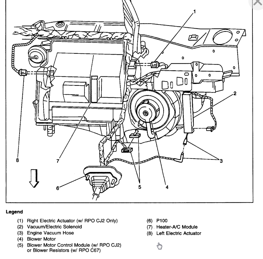
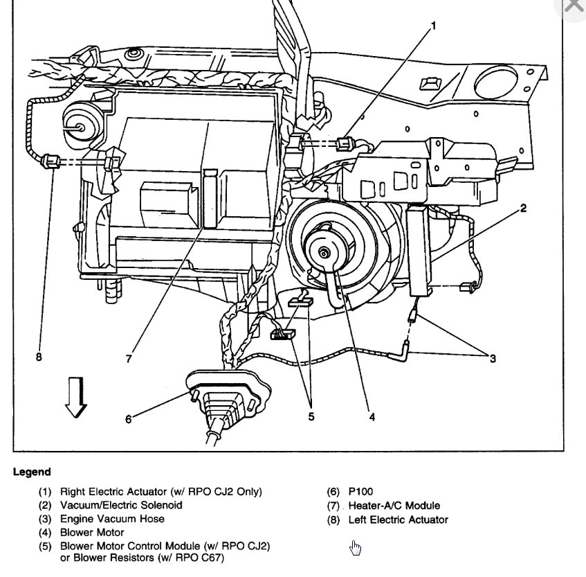
I just replaced my partially working climate control unit with a new(used) one. I noticed that the passenger controls don't work. The "driver's" side controls work for the passenger and the driver as well. Not a big deal but could it be the unit because the original factory head unit worked the same. I was never able to use the passenger controls.
Oct 3, 2019 at 9:46 AM




