Hi,
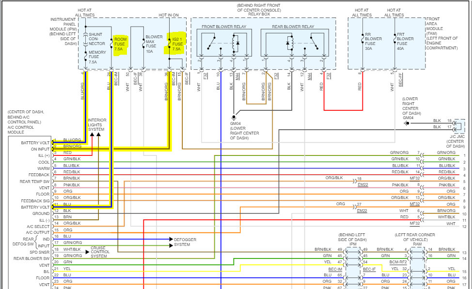
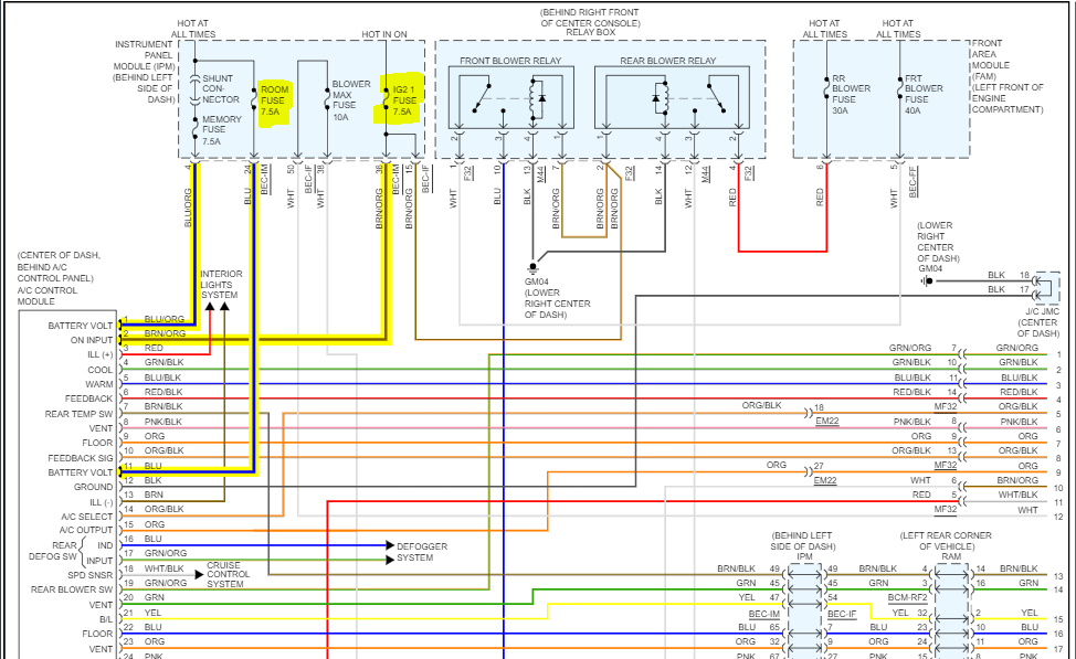
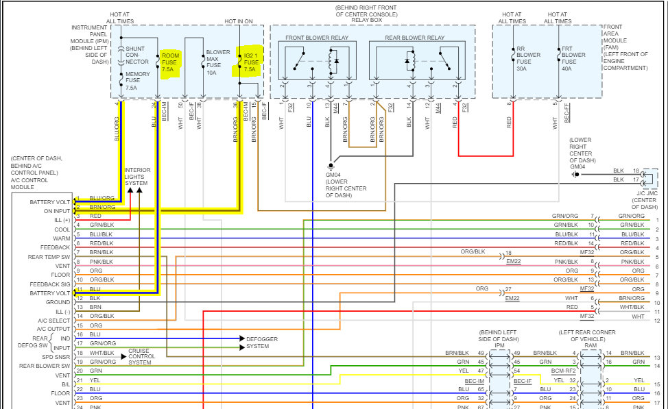
The first thing to check is if the fuses are good that power it. I attached a couple of pics below. The first picture is the wiring to the controller. Pic 2 shows the fuse locations. These are both located in the interior fuse box.
In addition to checking the fuses, it is important to also confirm there is power to them. Here is a link you may find helpful. It explains exactly how to check for power.
Let me know what you find. Also, this info is based on manual climate control. If you have automatic climate control, let me know.
https://www.2carpros.com/articles/how-to-check-a-car-fuse
Let me know what you find or if you have other questions.
Take care,
Joe
See pics below.
Images (Click to enlarge)
Sep 17, 2022 at 11:31 PM