Climate control panel can it be a fuse

2004 CADILLAC DEVILLE
169,000 MILES • 4.6L • V8 • FWD • AUTOMATIC
Avatar
KHARTERT
  • MEMBER
  • 7 POSTS
The display for the climate control goes on and off. Sometimes it will stay on for awhile but most of the time it is off and occasionally will blink on and off. Replaced it with one I bought on eBay and I still have the exact same issues. Is it possible for the new panel to be bad also or could there be another problem?
Sep 8, 2017 at 9:50 PM
Advertisement
Avatar
STRAILER
  • CERTIFIED EXPERT
  • 53,854 POSTS
It sounds like you have a bad connection. I would start at the fuse holder and do the wiggle test while you watch the panel.

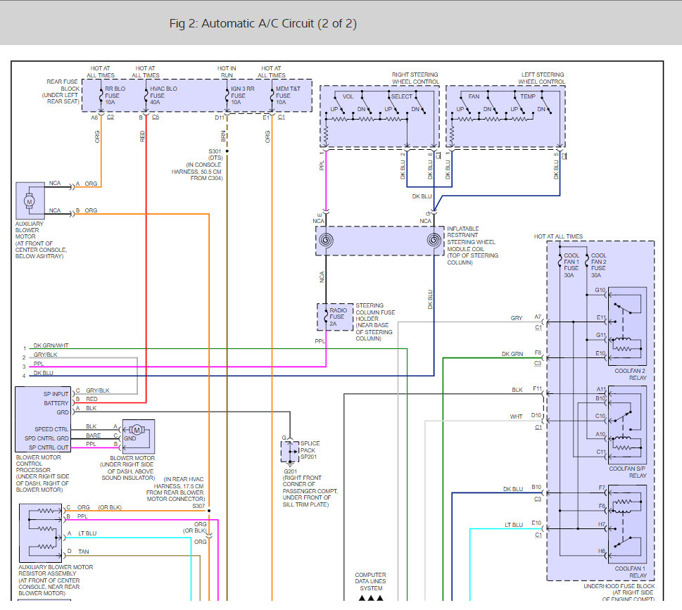
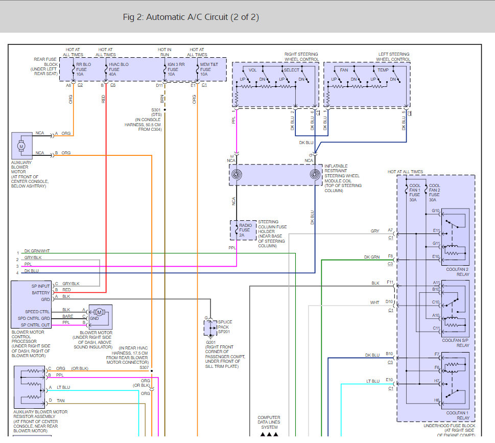
Here is a diagram of the location of the a/c or climate control fuse: (below)

https://www.2carpros.com/articles/how-to-check-a-car-fuse

Please let us know what happens.

Cheers, Ken
Sep 9, 2017 at 6:05 PM
Avatar
KHARTERT
  • MEMBER
  • 7 POSTS
Are you referring to the locations marked HVAC?
Sep 10, 2017 at 8:42 AM
Advertisement
Avatar
STRAILER
  • CERTIFIED EXPERT
  • 53,854 POSTS
Yes, did you try the wiggle test?

Please let us know what happens and upload pictures of the problem.

Cheers, Ken
Sep 11, 2017 at 10:08 AM
Avatar
KHARTERT
  • MEMBER
  • 7 POSTS
I did try the wiggle test and still have the same problem. I thought about taking a test light to see if there is power to both sides of the fuse when the display is not working. If there is then that should eliminate the fuse issue, should it not?
Sep 11, 2017 at 12:50 PM
Avatar
STRAILER
  • CERTIFIED EXPERT
  • 53,854 POSTS
Yes, if there is power on both sides then we can move on from there and keep testing until we find the problem.

Sep 12, 2017 at 10:14 AM
Avatar
KHARTERT
  • MEMBER
  • 7 POSTS
There is power to both sides of the fuses that were listed hvac. Every things works (a/c, heater, fan, lights on the controls) just not the digital display. Digital display is intermittent. Sometimes it works and sometimes it has an attitude & doesn't feel like it.
Sep 12, 2017 at 7:13 PM
Avatar
STRAILER
  • CERTIFIED EXPERT
  • 53,854 POSTS
lol yep that can do that. I sounds like you are loosing power from something. Here is a guide to help you do some testing along with the system wiring diagrams.

https://www.2carpros.com/articles/how-to-check-wiring

and

https://www.2carpros.com/articles/how-to-use-a-voltmeter

Check the grounds as well.

Please let us know

Cheers, Ken
Sep 13, 2017 at 10:49 AM
Avatar
KHARTERT
  • MEMBER
  • 7 POSTS
As you can tell by the clock, these pictures were taken within a minute of each other and I hadn't touched anything. As far as checking the wiring, am not sure where to start & exactly what wires to check. Am not much of an electrical/wiring guy lol.
Sep 13, 2017 at 11:43 AM
Avatar
STRAILER
  • CERTIFIED EXPERT
  • 53,854 POSTS
And that is a different one than the original? It has to be a connection problem. Can you remove the plug and the rear of the unit and check the terminals for corrosion please? Please upload a video of the connector so I can see it. I will walk you through the testing process
Sep 14, 2017 at 10:26 AM
Avatar
KHARTERT
  • MEMBER
  • 7 POSTS
Yes, that is the one that I bought off ebay. Its doing the exact same thing as the original one. I will try that tonight & take a video. I did happen to catch it on video when it was really being a jerk lol.
Sep 14, 2017 at 11:04 AM
Avatar
STRAILER
  • CERTIFIED EXPERT
  • 53,854 POSTS
O man that is weird, it looks like the other computers that feeds it is going bad. But it hard to tell which one. Here is a vehicle communication module that can be causing it. This is going to be a trail and error style of repair. I would also unplug every blend door actuator in case one is shorted causing the problem.

I will hang in there with ya, it sure looks like a computer problem. I see there is a dash integration module that is the nearest controller. I looked for it but cant find it.

Please let us know what you find.

Cheers, Ken

Sep 15, 2017 at 2:05 PM
Avatar
KHARTERT
  • MEMBER
  • 7 POSTS
Haven't had time to look at it since your last message and having shoulder surgery on monday so I will be out of commision for awhile. Iwill get back to you when I am back at it. thank you for all your help so far, it's greatly appreciated .
Sep 21, 2017 at 8:25 AM
Avatar
STRAILER
  • CERTIFIED EXPERT
  • 53,854 POSTS
I hope a speedy recovery. Please let us know :)
Sep 21, 2017 at 10:51 AM