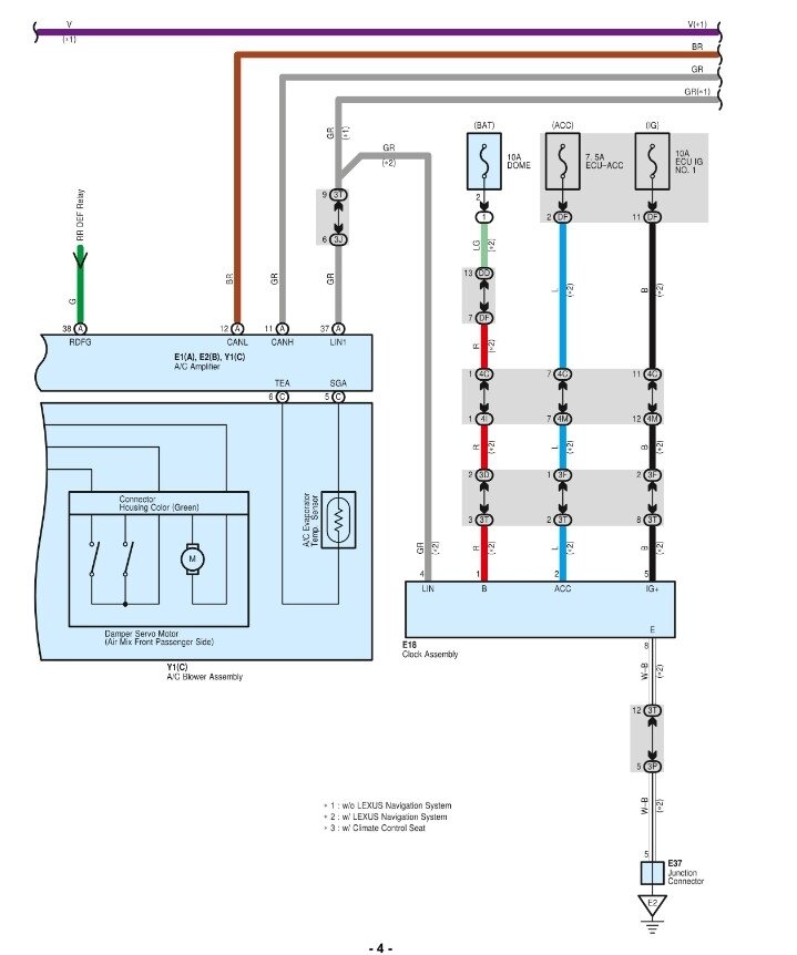
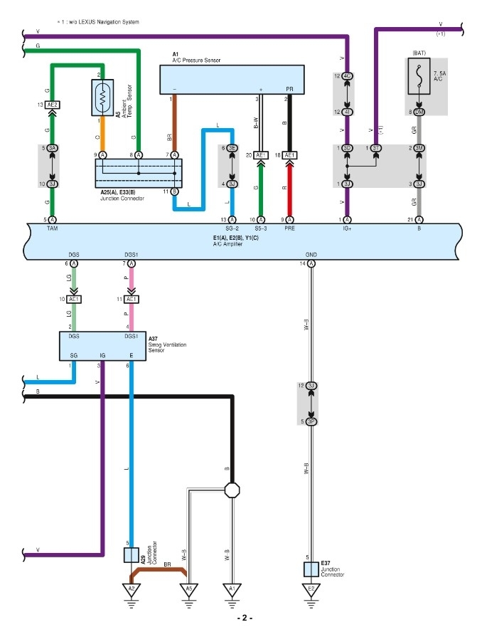
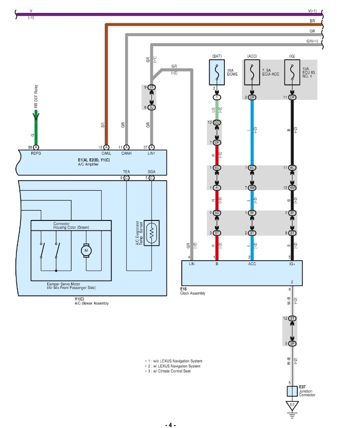
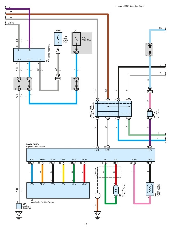
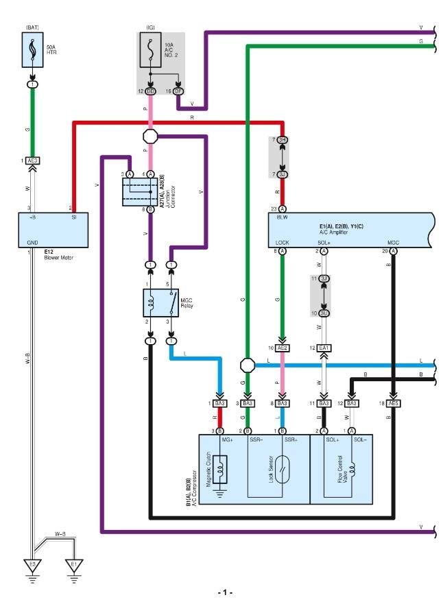
The A/C climate control isn't working. I have checked all the fuses but haven't seen anyone that has gone bad.
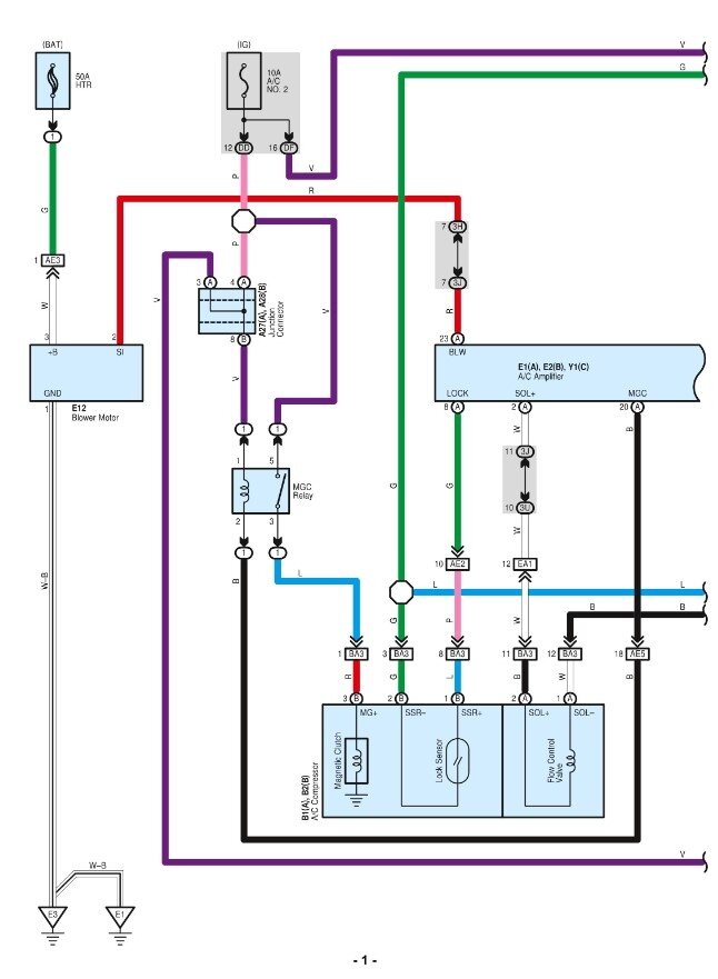
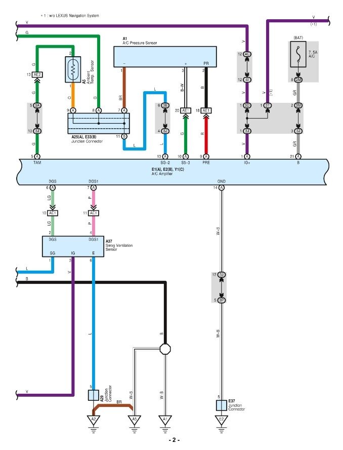
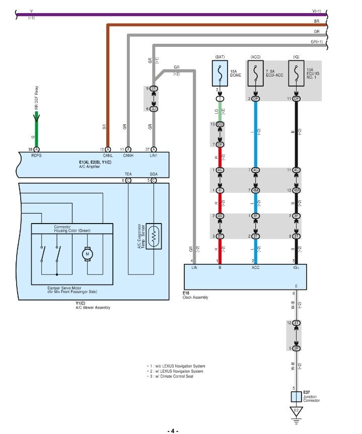
I will need a full diagram of the climate control wiring schematic, I hope anyone helps me out please.
I will need a full diagram of the climate control wiring schematic, I hope anyone helps me out please.
Nov 24, 2022 at 11:40 PM





