Hello,
This sounds like it can be the climate control module or the fan controller. To be sure we need to do a CAN scan by following this video. You can get a CAN scanner on Amazon for about $60.00.
https://youtu.be/InIlnsjOVFA
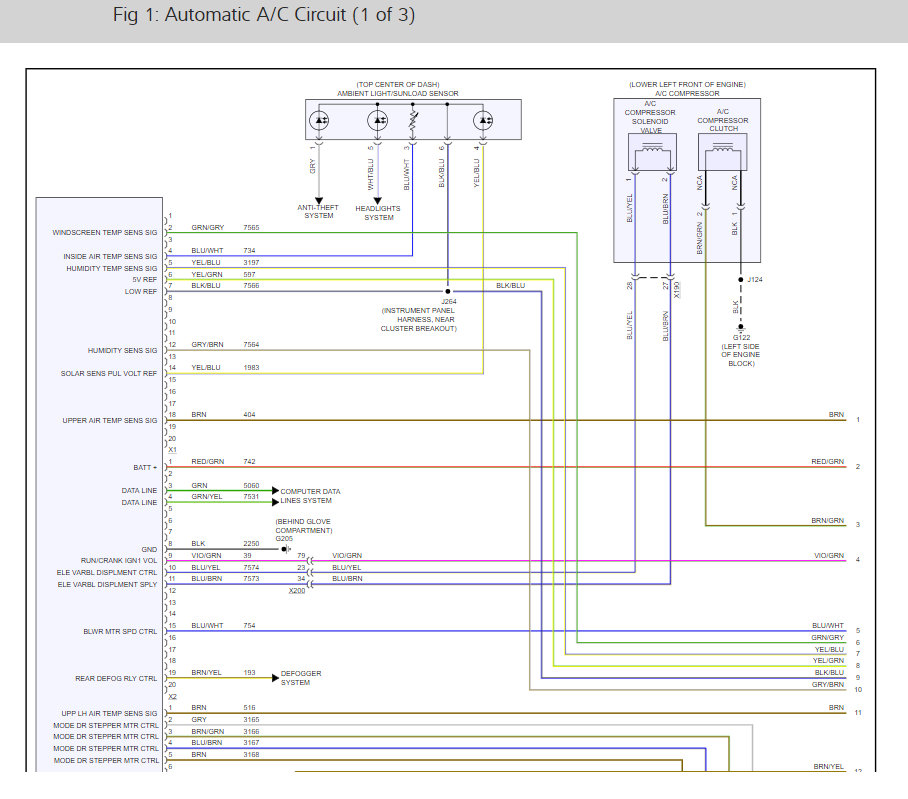
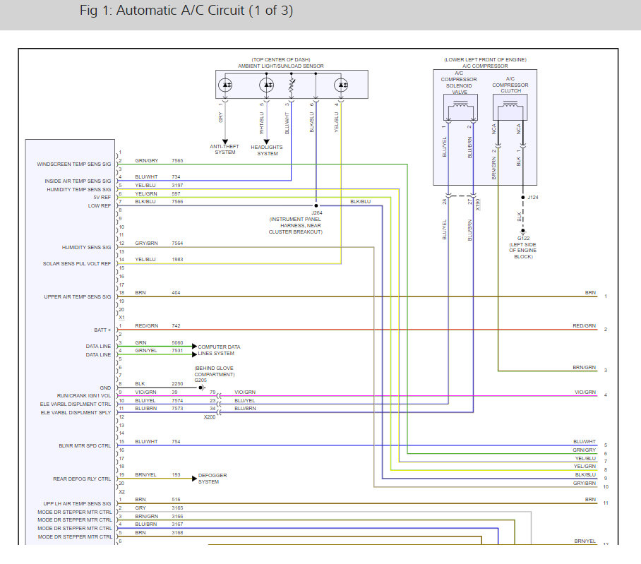
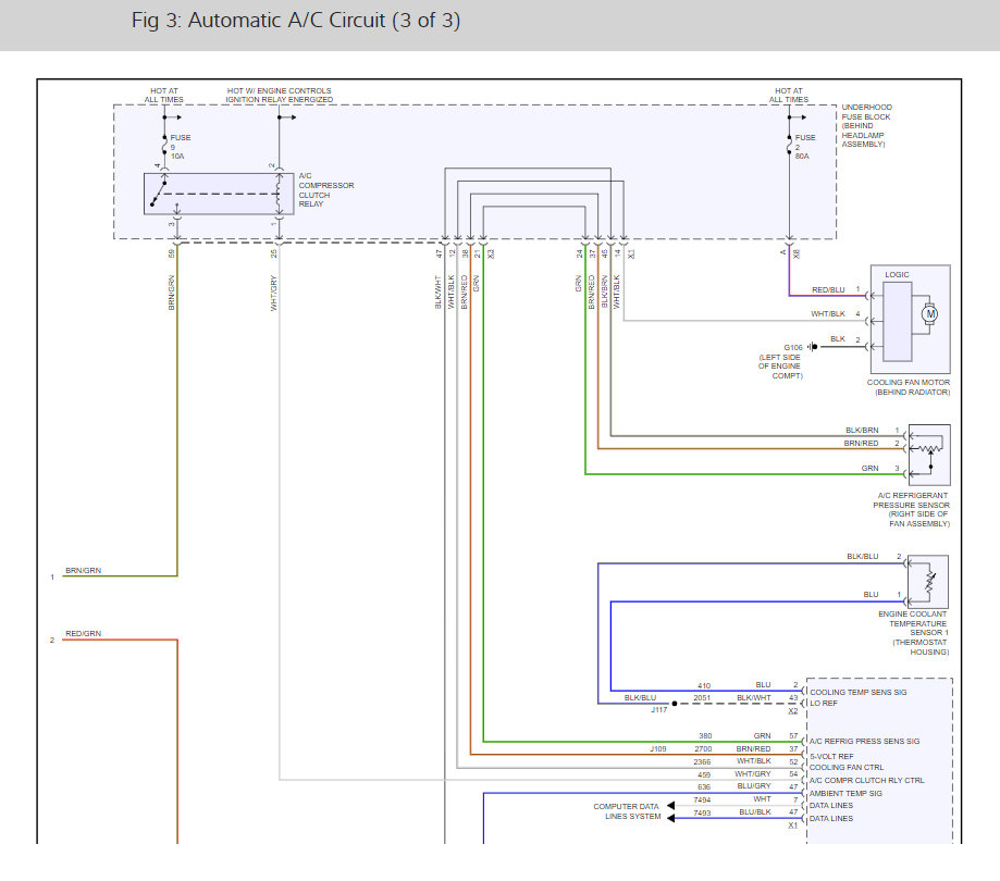
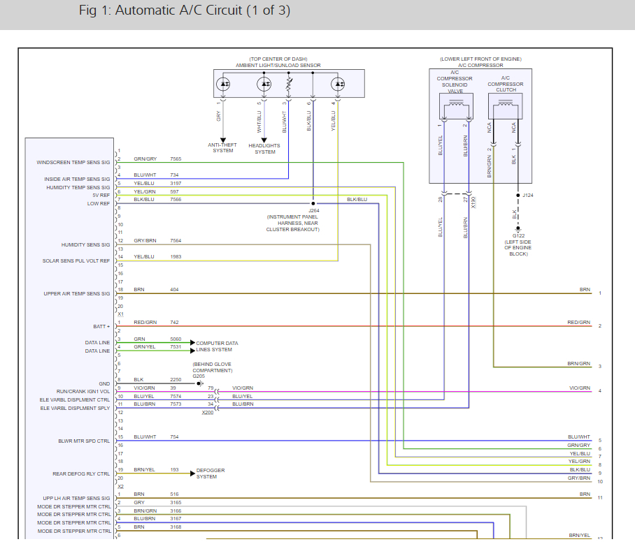
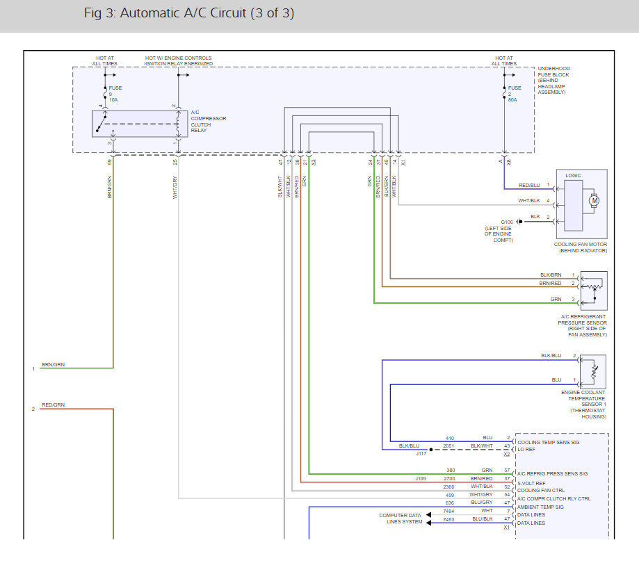
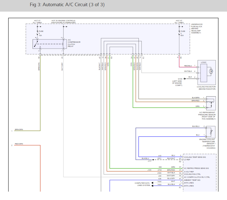
I have included the air conditioner and blower motor wiring diagrams so you can see how the system works and how to replace the HVAC controller and blower motor. Check out the diagrams (below). Please let us know what you find. We are interested to see what it is.
Images (Click to enlarge)
Oct 19, 2019 at 3:12 PM