Hi!
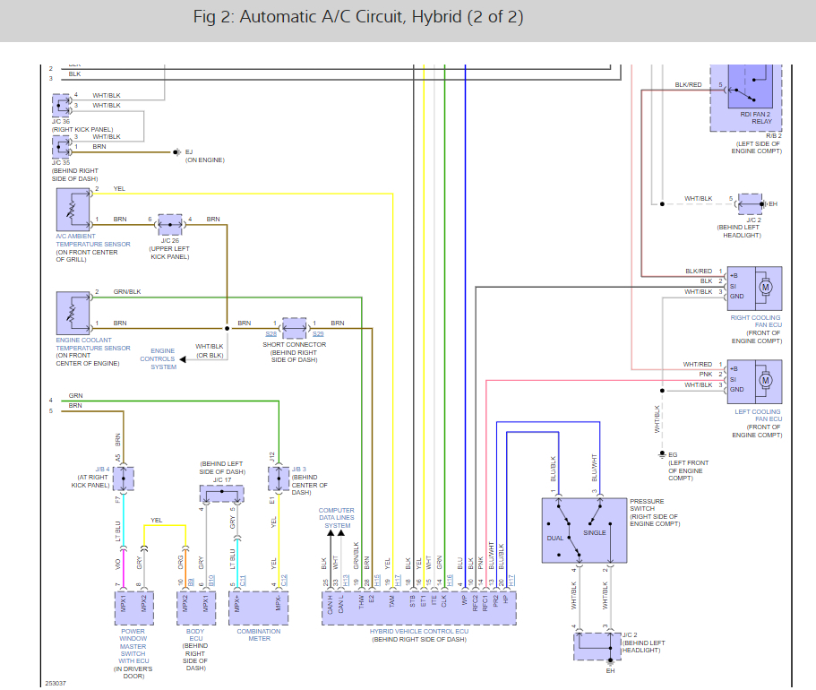
These vehicles are known to have issues with cabin climate control due to the fact that they use a weak 3 pin ribbon wire connector. The ribbon in my boyfriend's car was only connected to the circuit board with only 1 of the 3 total pins. They ended up being damaged as they were removed.
If possible, can you point me in the right direction of where to get a 3-pin ribbon connector? I've been looking all over and can't seem to find the right thing. I've also been repetitively running into the issue of finding "2007 Toyota Highlander Automatic Climate Control Module" and they've all ended up being for the manual module or the entire climate control panel including the trim package (for $700!) I'm just trying to find the control switches, however just the 3 pin would work too!!!!
Thank you so much,
Brooke
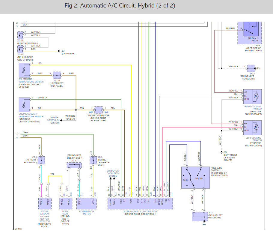
These vehicles are known to have issues with cabin climate control due to the fact that they use a weak 3 pin ribbon wire connector. The ribbon in my boyfriend's car was only connected to the circuit board with only 1 of the 3 total pins. They ended up being damaged as they were removed.
If possible, can you point me in the right direction of where to get a 3-pin ribbon connector? I've been looking all over and can't seem to find the right thing. I've also been repetitively running into the issue of finding "2007 Toyota Highlander Automatic Climate Control Module" and they've all ended up being for the manual module or the entire climate control panel including the trim package (for $700!) I'm just trying to find the control switches, however just the 3 pin would work too!!!!
Thank you so much,
Brooke
Oct 25, 2022 at 9:56 AM





