Climate Control Module 599-215?

2001 CHEVROLET TAHOE
300,000 MILES • 5.3L • V8 • 2WD • AUTOMATIC
Avatar
JUWANSAYLES
  • MEMBER
  • 16 POSTS
The vehicle listed above is an LT.
Auto HVAC system
A/C Control Module 599-215 is the climate control part number
I have recently replaced my blower fan, and fan resistor twice
It all started when I bought the new climate control module and plugged it in but was immediately met with strong air coming from the car vents, even when turned off. So I unplugged and did some researching, and everyone said replace your blower fan resistor, so I did. But once I replace it, the fan wouldn't come back on, on the 1st speed level or 5th. So, I placed the fan thinking that was it, still nothing.
Just trying to see where do I go from here?
Jan 3, 2025 at 4:33 PM
Advertisement
Avatar
JACOBANDNICKOLAS
  • CERTIFIED EXPERT
  • 110,175 POSTS
Hi,

The blower motor resistor is what determines the fan speed. Power is directed through the resistor by the controller.

If you told me the fan only ran at high speed, the resister would be my first suspect. However, it doesn't seem that is what is happening.

The fan motor only runs as fast as the power supplied allows, so the motor wouldn't be the issue.

Why was the controller replaced? Is the part you installed new or remanufactured?

Let me know.

Joe
Jan 3, 2025 at 7:41 PM
Avatar
JUWANSAYLES
  • MEMBER
  • 16 POSTS
I believe it was remanufactured and bought off eBay.
It worked when plugged in the first time, which is how I knew the resistor was bad cause even when truck off, the fan will still blow full speed. So, I unplugged the control module until I got the new resistor and fan.
Jan 4, 2025 at 1:18 AM
Advertisement
Avatar
JACOBANDNICKOLAS
  • CERTIFIED EXPERT
  • 110,175 POSTS
Hi,

If you got it online, there is a chance you got a faulty part. Since it works on high, the blower motor is most likely good, however, the resister is the likely problem.

I would start with that. Let me know if it resolves the issue.

Joe
Jan 4, 2025 at 5:42 PM
Avatar
JUWANSAYLES
  • MEMBER
  • 16 POSTS
I have replaced everything, blower fan, resistor and just replaced the climate control module with a brand new $450 one from Dorman. Still nothing.
Jan 5, 2025 at 10:59 AM
Avatar
JACOBANDNICKOLAS
  • CERTIFIED EXPERT
  • 110,175 POSTS
Hi,

Does it even work on high now? Do me a favor. Read through the list I attached below and let me know which one you have. We need to start checking the wiring to see if there is a possible open circuit. I just need to make sure I am looking at the correct schematic.

Joe
Jan 5, 2025 at 9:18 PM
Avatar
JUWANSAYLES
  • MEMBER
  • 16 POSTS
Hey Joe,

I have the Air Conditioning - Automatic A/C Circuit (Front and Rear A/C, W/O Sunroof), the very first one.
It doesn't work on any setting at all.
Jan 6, 2025 at 1:47 AM
Avatar
JACOBANDNICKOLAS
  • CERTIFIED EXPERT
  • 110,175 POSTS
Hi,

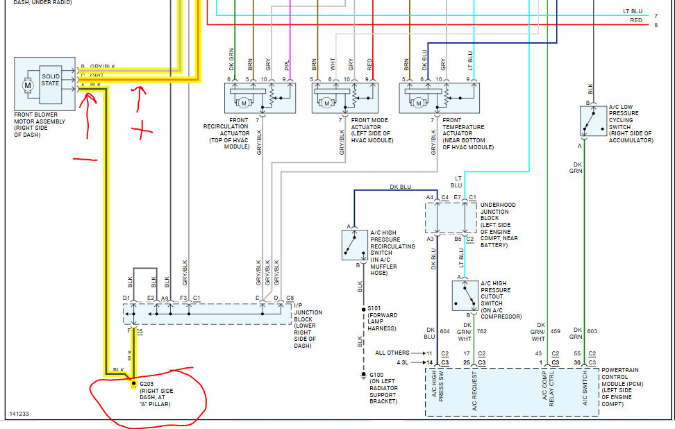
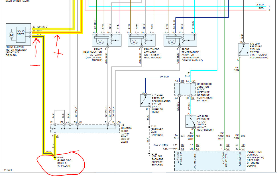
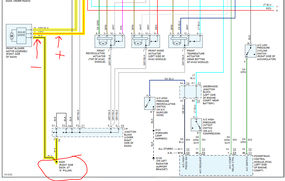
Okay, I attached the schematic for the front circuit below. We need to see where power is being lost. Start with the two fuses I highlighted and circled. Confirm there is power to and from them.

https://www.2carpros.com/articles/how-to-check-a-car-fuse

If they are good, go to the control module. Locate the brown wire and see if there is power with the key in the run position.

If there is power, go to the blower motor. Confirm continuity to ground on the black wire. Next, check the orange wire for battery voltage. It should be present regardless of the key's position.

Let me know.

Joe

See pics below. Note: That was from one page. I had to cut it in half to make it readable for you.
Jan 6, 2025 at 7:05 PM
Avatar
JUWANSAYLES
  • MEMBER
  • 16 POSTS
I notice that the dark green and grey wire was cut, most likely cause the blower motor was just running and the previous owner didn't know what was wrong, so he instead cut them to shut off the blower motor, I currently have them wired back up and that when I noticed the blower just blowing none stop.
I checked all voltage and ohms, everything reading right all the way down to the resistor but nothing from resistor to blower motor.
Jan 7, 2025 at 12:49 PM
Avatar
JUWANSAYLES
  • MEMBER
  • 16 POSTS
Is there a way to jump the blower fan to see if it's a fried control module or something else?
Jan 7, 2025 at 1:02 PM
Avatar
JACOBANDNICKOLAS
  • CERTIFIED EXPERT
  • 110,175 POSTS
The gray and the dk gr and the gray wires are specific to the HVAC control modules. For example, the gray wire sends a 5v signal to the mode door, blend door, and recirculation door actuators. See pic below.

How many wires do you have on the resistor? Is there three or two? To check the motor, you simply need to run power and ground to the motor.

Let me know.

Joe

See pic below.

Jan 8, 2025 at 6:44 PM
Avatar
JUWANSAYLES
  • MEMBER
  • 16 POSTS
Three wires running to resistor, two come from resistor.
Wires to resistor read 14.2v, no read from resistor to fan when control panel is on.
Jan 9, 2025 at 12:09 PM
Avatar
JACOBANDNICKOLAS
  • CERTIFIED EXPERT
  • 110,175 POSTS
It appears the gray wire with a black tracer is the power/control wire. Are you getting power from that wire? I'm starting to question if the new resistor is bad. If you have power to it and the black wire has a ground, you should be getting power to the motor. Also, just to confirm, was the engine running when you saw 14.2V?

Let me know.

Joe
Jan 9, 2025 at 7:05 PM
Avatar
JUWANSAYLES
  • MEMBER
  • 16 POSTS
I got the reading 14.2 when the vehicle was turned on.
How would I get a reading from the power/control wire with a multimeter?
Jan 10, 2025 at 5:29 PM
Avatar
JACOBANDNICKOLAS
  • CERTIFIED EXPERT
  • 110,175 POSTS
Hi,

Set the multimeter to 12v DC. Touch the gray/black wire with the red DMM terminal and ground the black terminal. Request the fan to turn on. You should see B+ voltage.

Take a look through this link, it should help:

https://www.2carpros.com/articles/how-to-use-a-voltmeter

Let me know.

Joe
Jan 10, 2025 at 7:32 PM
Avatar
JUWANSAYLES
  • MEMBER
  • 16 POSTS
I got nothing from the control wire.
Jan 12, 2025 at 8:57 AM
Avatar
JACOBANDNICKOLAS
  • CERTIFIED EXPERT
  • 110,175 POSTS
If there is no power from the controller wire at the motor, either you have an open circuit, or the controller isn't working as designed. '

I may have already asked, but where did you get the controller?

Joe

Jan 13, 2025 at 5:34 PM
Avatar
JUWANSAYLES
  • MEMBER
  • 16 POSTS
I currently have 2, one I did buy used for $65 and the newest one I bought for like $350 when I thought it was the control module
I have wired a new wire in the grey/black control wires place and now I'm getting a reading now and when I first connected the new wire, I heard the fan kind of start low blowing and turn off, but now that I have everything connected and tucked away, now I'm still getting no fan blow on any speed.
Jan 14, 2025 at 4:33 AM
Avatar
JUWANSAYLES
  • MEMBER
  • 16 POSTS
Everytime I unmount the control module and like shake it or press it hard, the fan faintly come on.
Jan 14, 2025 at 6:36 PM
Avatar
STRAILER
  • CERTIFIED EXPERT
  • 53,854 POSTS
I see in the images the wiring to the HVAC controller seems to be repaired, this can be the problem, I would use this guide to check the continuity of each wire and make sure none are shorted to ground.

This guide can help:

https://www.2carpros.com/articles/how-to-check-wiring

Also check the ground and power to the HVAC controller. Check out the images (below). Let us know how it goes.
Jan 17, 2025 at 10:51 AM
Avatar
JUWANSAYLES
  • MEMBER
  • 16 POSTS
Okay, thanks for all the help. Found figured out the grey/black ground and Blower Motor controller was swapped, not allowing the blower motor to get a signal and the control module to get(D10).
Feb 4, 2025 at 11:13 AM
Avatar
STRAILER
  • CERTIFIED EXPERT
  • 53,854 POSTS
Yep, that will do it, nice find/repair. Use 2CarPros anytime, we are here to help. Please tell a friend.
Feb 5, 2025 at 7:55 AM