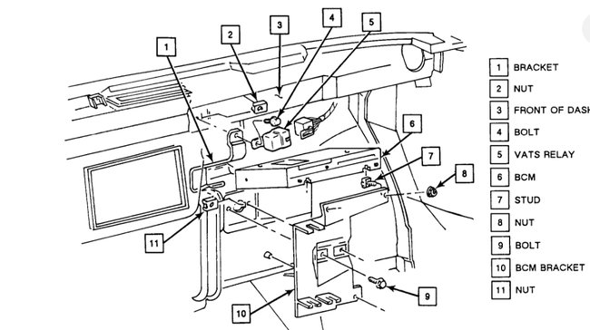
Recently purchased this car. Yesterday we ended up putting a new battery in it because the old one, which was supposedly "new-ish", only tested out at nine volts. This solved the problem of the car not starting regularly but the next problem is the big issue. When you start it up, the climate control center and fuel data center readouts only display a small "c" on them. I tried a little research on the old internet and found the diagnostic testing by holding down the "off" and "warmer" buttons on the climate control center for three to five seconds which did not work for me. However, after pushing and holding different combinations of buttons for the three to five seconds I was able to get the displays to work on both the climate control center and fuel data center. However, it did not last and the small "c" returned after the very next start-up. Here is a little more information, the blower comes on automatically at start-up and air can be felt coming out the front floor vent but there is no way to control it as the buttons do nothing when pressed and there is still no display on the climate control center, other than the small "c" that is.
After checking under the hood, we noticed there is an 8" vacuum hose with a screw stuck in it because it is not attached to anything else and there appears to be something missing behind the MAP sensor up by the firewall as there are two threaded studs with rubber spacers and nothing attached or connected there. We have looked for pictures to clue us in on what should be attached but have had no luck yet.
Also, I know the speedometer is not calculating and displaying speed properly as it reads 0 mph while driving and the trip odometer constantly reads 0.0 miles driven. The odometer does not seem to be changing either as we have driven it a few times and still reads the same.
After start-up, the engine runs but does give an indication of a slight miss and will lightly backfire if you rev the engine high enough. The guy we bought the car from said he changed the spark plugs and put on a new distributor and rotor but we went ahead and bought new plugs just to be safe. Have not changed them yet but will be doing that soon. When you take the car out on the road, it has a horrible miss and will almost not want to accelerate at lower speeds. It takes it a little while but eventually you can get up to highway speeds but it seems to have gotten worse instead of better.
I know this seems like a lot to take in but we would sure appreciate any help or insight anyone might have on these issues. My son and I are not what you would call "car guys" but we will dig into this and try to get it figured out as the guy we bought it from said it used to run really good.
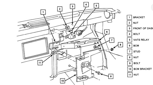
After checking under the hood, we noticed there is an 8" vacuum hose with a screw stuck in it because it is not attached to anything else and there appears to be something missing behind the MAP sensor up by the firewall as there are two threaded studs with rubber spacers and nothing attached or connected there. We have looked for pictures to clue us in on what should be attached but have had no luck yet.
Also, I know the speedometer is not calculating and displaying speed properly as it reads 0 mph while driving and the trip odometer constantly reads 0.0 miles driven. The odometer does not seem to be changing either as we have driven it a few times and still reads the same.
After start-up, the engine runs but does give an indication of a slight miss and will lightly backfire if you rev the engine high enough. The guy we bought the car from said he changed the spark plugs and put on a new distributor and rotor but we went ahead and bought new plugs just to be safe. Have not changed them yet but will be doing that soon. When you take the car out on the road, it has a horrible miss and will almost not want to accelerate at lower speeds. It takes it a little while but eventually you can get up to highway speeds but it seems to have gotten worse instead of better.
I know this seems like a lot to take in but we would sure appreciate any help or insight anyone might have on these issues. My son and I are not what you would call "car guys" but we will dig into this and try to get it figured out as the guy we bought it from said it used to run really good.
May 27, 2018 at 9:03 AM





