Climate control display (on the front)

2007 FORD RANGER
96,000 MILES • 4.0L • 6 CYL • 4WD • AUTOMATIC
Avatar
WILDANIMAL
  • MEMBER
  • 1 POST
Just trying to find out if my heater/AC climate control front panel is suppose to illuminate when you turn on the park or headlights? Because on my old 1998 Ranger truck I had before I bought the 2007 Ford Ranger truck that I have now, the climate control front display panel did light up when I turned on my lights so I could see the controls easier at night. But for some reason in my 2007 Ford Ranger truck it (the climate control front panel) does not light up when I turn on my headlights but all of my other interior indicator lights and even my dome light works. I bought another climate control that came out of a 2008 Ranger so I wanted to try and test it first before I put it in my truck to make sure that it will light up if its suppose to because if it does not then I can still return it and get my money back or just get another one from where I ordered the control from. So if you could (1) just let me know if it is suppose to light up and (2) if I could possibly test the other one that I bought to replace the one in my truck now like using a twelve volt battery charger somehow and connect it to the right contacts on the back of it then I can see if it will light up before I install it. Please, let me know whatever you can about my climate control. Thank you, Rich
Feb 14, 2018 at 3:17 PM
Advertisement
Avatar
STRAILER
  • CERTIFIED EXPERT
  • 53,854 POSTS
Hey Rich,

It sounds like you may have two lights bulbs out that illuminate the control panel. To be sure check for power at the blue and white wire at the controller.

https://www.2carpros.com/articles/how-to-use-a-test-light-circuit-tester

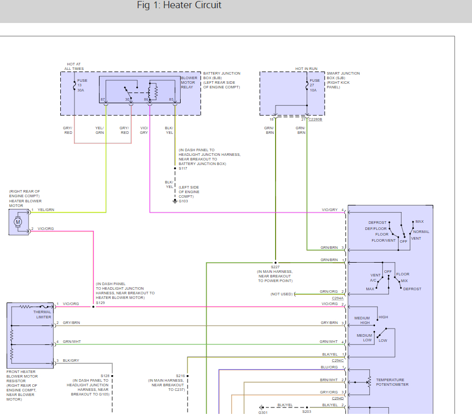
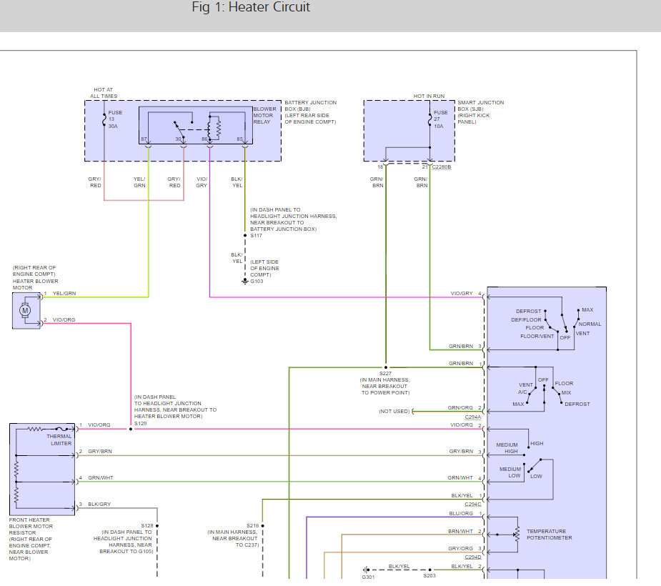
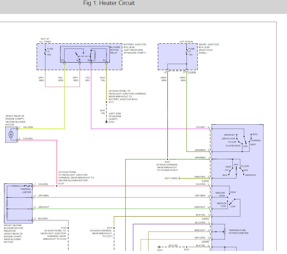
Here are the wiring diagrams for the circuits so you can see how it works. I would rather you not use the 2008 control panel because you will need to program the system if you swap it out.

Check out the diagrams (below).

Let us know what happens and please upload pictures or videos of the problem.

Cheers, Ken


Feb 14, 2018 at 7:48 PM
Avatar
WILDANIMAL
  • MEMBER
  • 1 POST
thank you very much Ken. I will see what i can check out on the climate control that is still in my truck now because i sure do not want to have to have the other control programmed so that it would work in my truck. I will just try to figure out what is going on with the control that is in my truck now. I will let you know what i find out about it and if the bulbs are just bad or not. Thanks again, Rich
Feb 15, 2018 at 7:30 PM
Advertisement