Climate control button is stuck

2011 NISSAN NX
90,000 MILES • 2.3L • 4 CYL • 2WD • AUTOMATIC
Avatar
2377255
  • MEMBER
  • 1 POST
temperature control passenger side will not stay at sixty degrees. the button is stuck in the up position. WD40 did not help.
Feb 23, 2018 at 9:25 AM
Advertisement
Avatar
STRAILER
  • CERTIFIED EXPERT
  • 53,854 POSTS
I would remove the unit to take it apart to help unstuck the button. If the button is broken you will need a new unit which I would try to get one used. You will need to have the HVAC module programmed tot he car to have it though $130.00 at most shops.

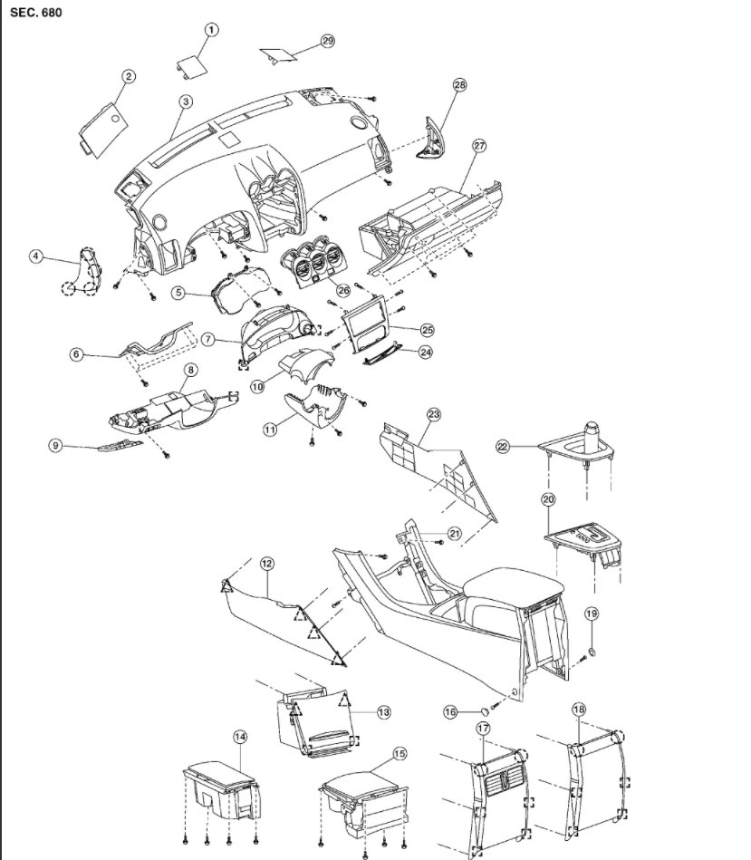
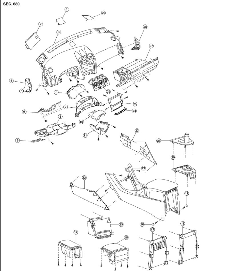
Check out the diagrams (below).

Let us know what happens and please upload pictures or videos of the problem.

Cheers, Ken
Feb 24, 2018 at 12:31 PM