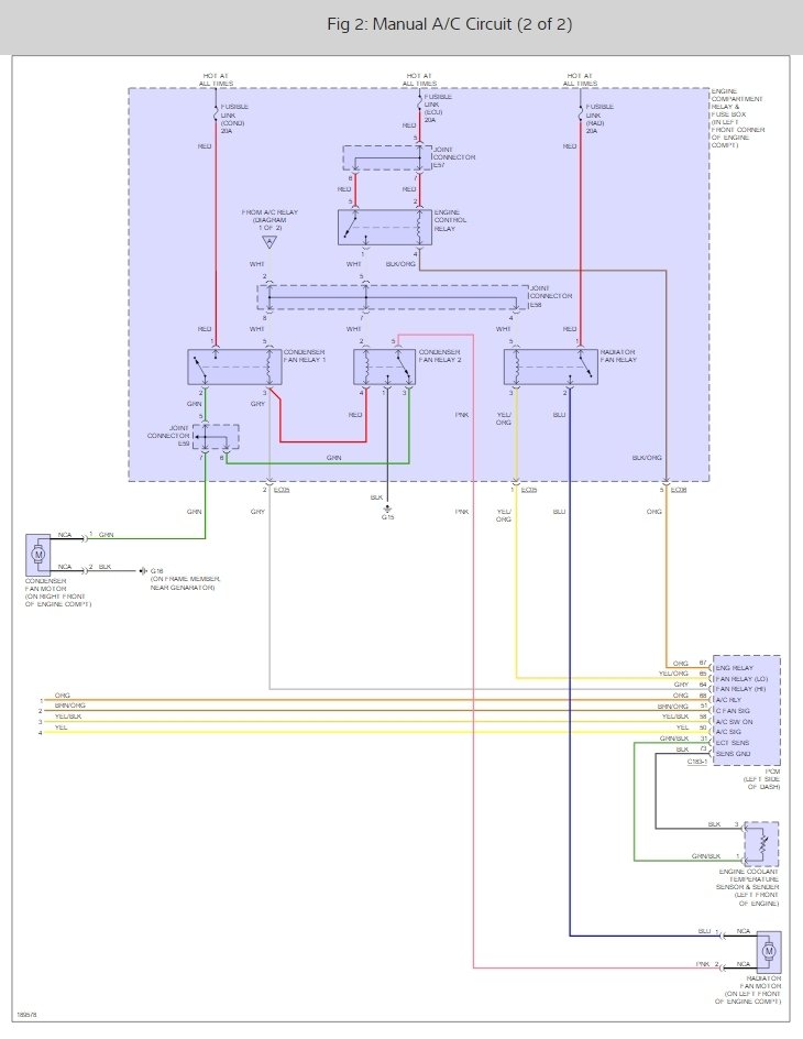
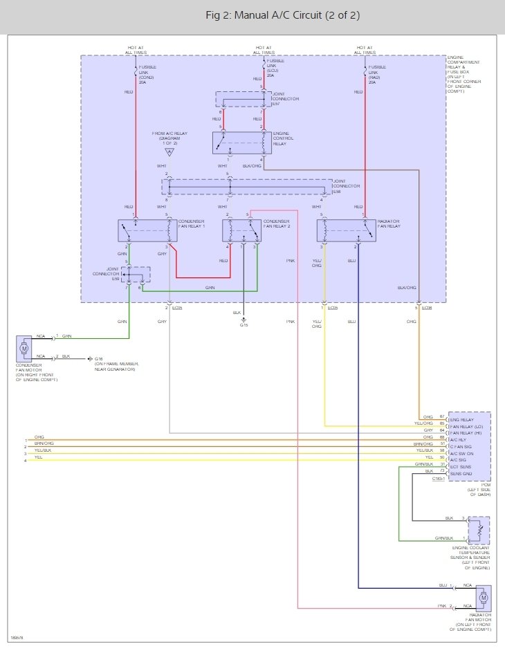
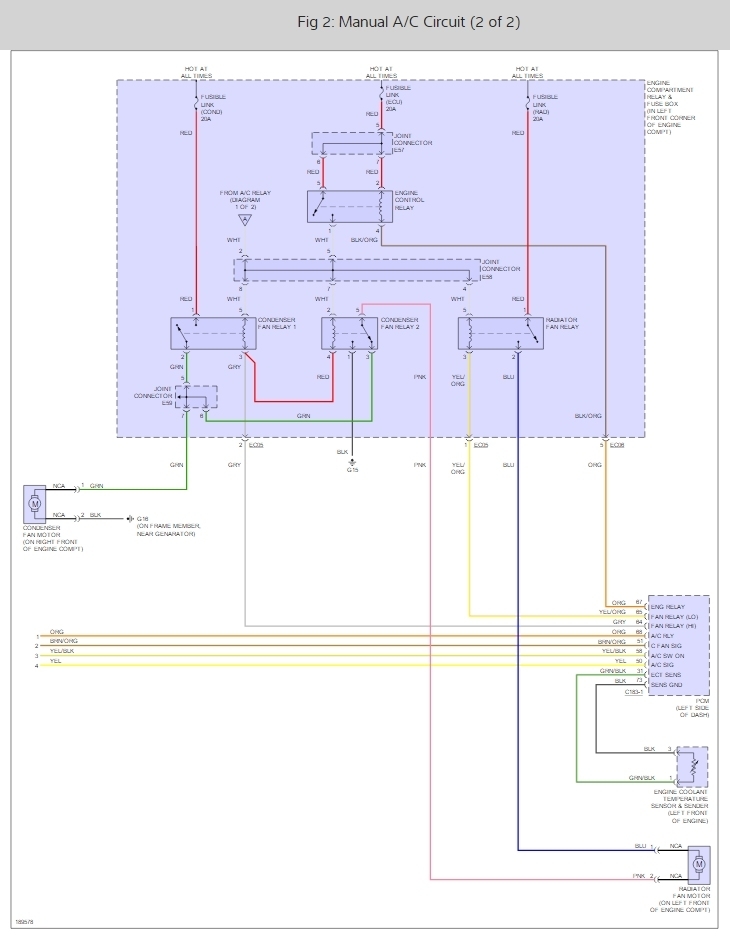
Hello, my climate control stopped working at the same time as my sunroof. The climate control is not getting power as the rear defog light or the in cabin circulation botton light does not come on. I check every fuse and it seems everything is getting power.
Feb 22, 2016 at 7:17 AM

