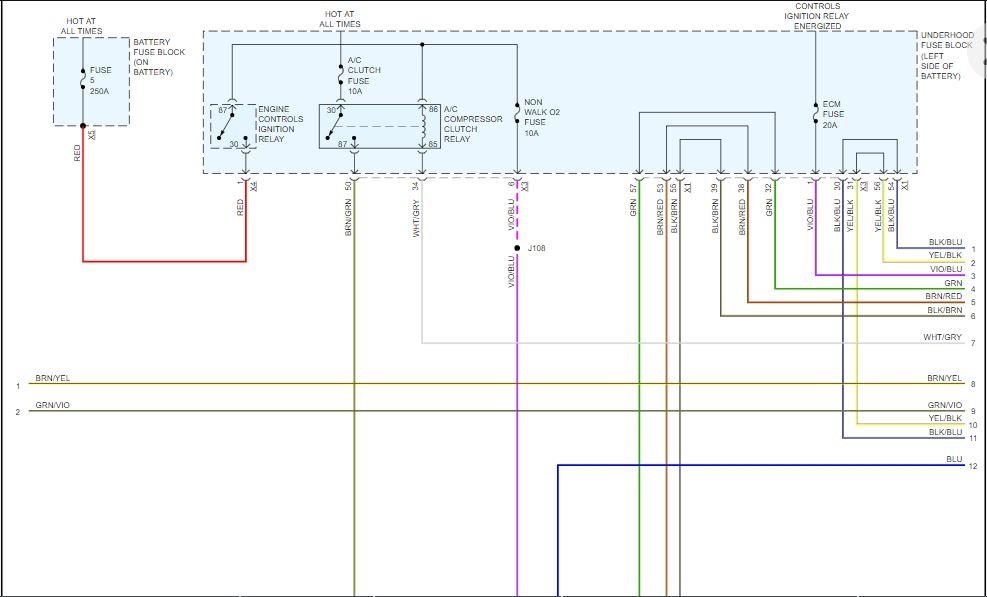
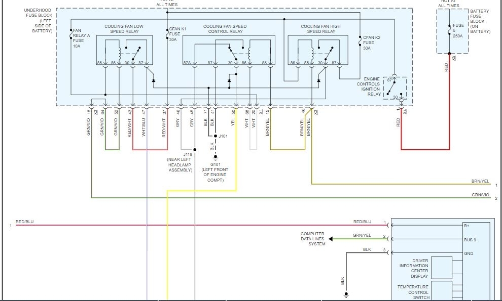
So basically I was delivering pizzas, heater was working fine air was all fine, turned off my car came back outside heater wasn't working. I wasn't aware of where my blower motor was thought it may of froze up, so I let the car idle I also checked my fuse 13 see if it was blown fuse 13 is good. me and my father took out the blower fan connected it to our battery charger it spun up. checked wires, fine. check resistor seemed fine. we don't know how to see if the resistor is broken. so far we bought a new fan and resistor on the way. we don't know what could be causing this issue because everything we tested seem fine. power from the wire into resistor good ,power out of resistor was there as well.
Feb 13, 2021 at 7:51 AM









