Climate control not working

1991 CHEVROLET SILVERADO
189,008 MILES • 4.3L • V6 • 4WD • MANUAL
Avatar
HALLEY MCGINLEY
  • MEMBER
  • 2 POSTS
Have no lights on the climate control panel and it's not working no fan or heat or A/C.
Oct 29, 2021 at 1:25 PM
Advertisement
Avatar
JACOBANDNICKOLAS
  • CERTIFIED EXPERT
  • 110,175 POSTS
Hi,

If nothing is working, first I need you to check the fuse for the circuit. The fuse box should be on the driver's side under the instrument panel. In addition to checking the fuse's condition, it is important to make sure there is power both to the fuse and out from it.

Here is a link you may find helpful:

https://www.2carpros.com/articles/how-to-check-a-car-fuse

Let me know what you find.

Joe

See pic below.
Oct 29, 2021 at 9:20 PM
Avatar
HALLEY MCGINLEY
  • MEMBER
  • 2 POSTS
All of those fuses are good. So, i'm guessing it's more than likely a wiring issue but we can't find a diagram for it.
Oct 30, 2021 at 8:22 AM
Advertisement
Avatar
JACOBANDNICKOLAS
  • CERTIFIED EXPERT
  • 110,175 POSTS
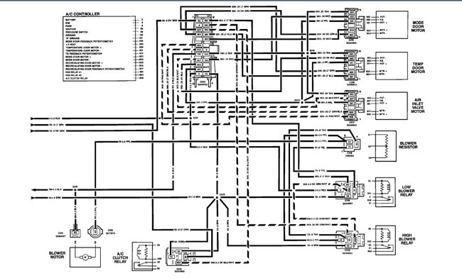
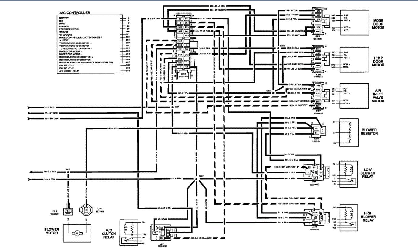
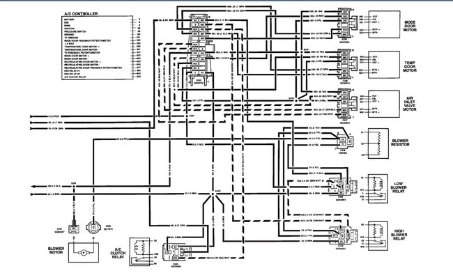
Hi,

Do me a favor. I was able to dig up older factory wiring schematics related to the circuit. Take a look through them and let me know if they help. Also, here is a link you may find helpful:

https://www.2carpros.com/articles/how-to-check-wiring

Take care,

Joe
Oct 30, 2021 at 8:19 PM