Climate control not working

2011 CHEVROLET CRUZE
70,000 MILES
Avatar
TLYNNCH
  • MEMBER
  • 1 POST
When I turn the fan speed switch on the speed and air flow setting shows on the digital display but the neither AC compressor or fan operate.
Sep 20, 2017 at 7:46 AM
Advertisement
Avatar
STRAILER
  • CERTIFIED EXPERT
  • 53,854 POSTS
Hello,

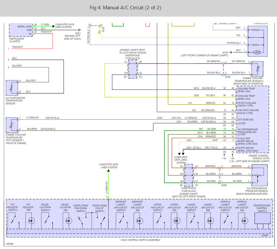
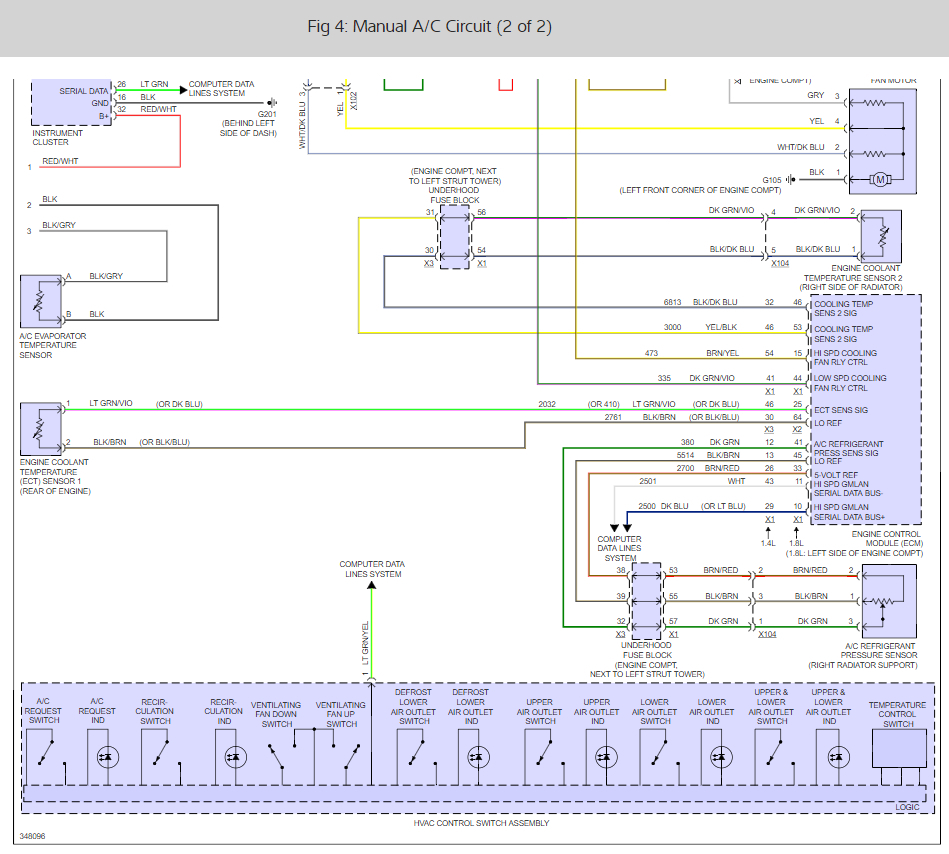
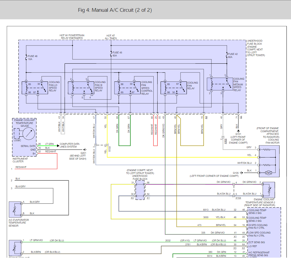
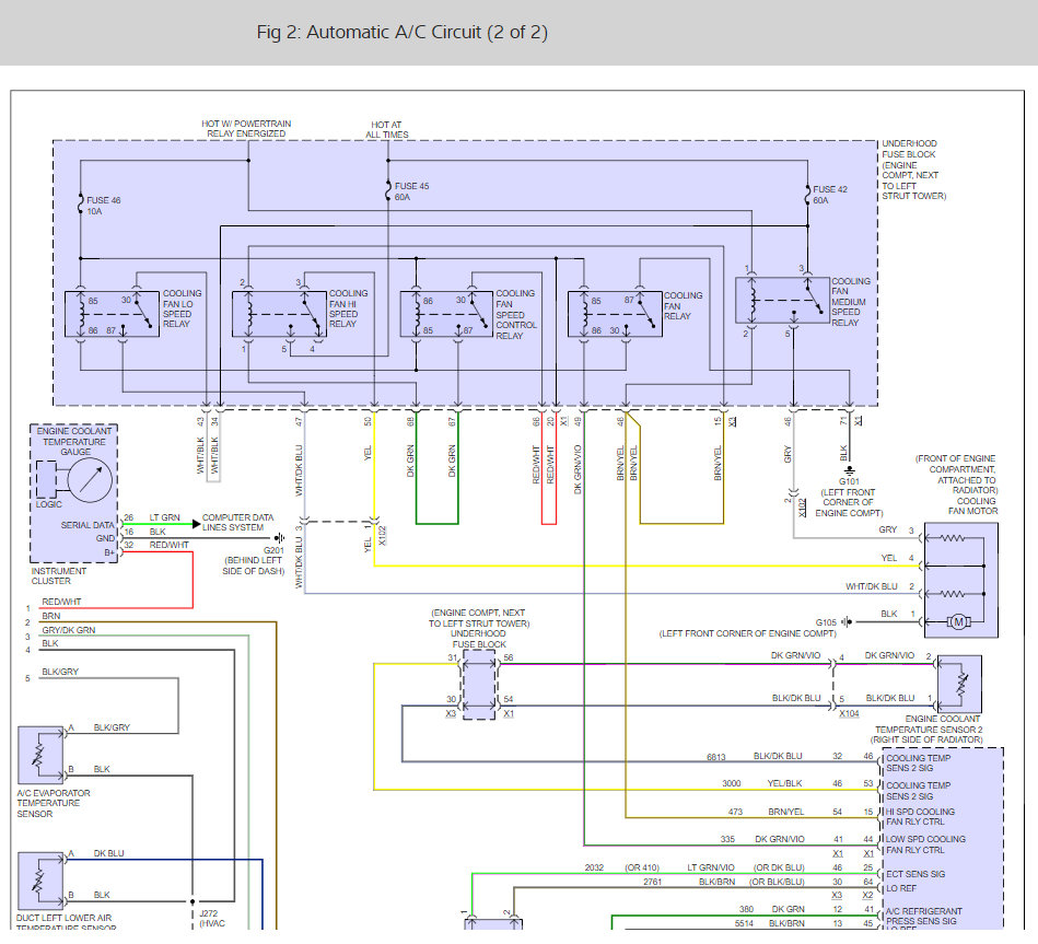
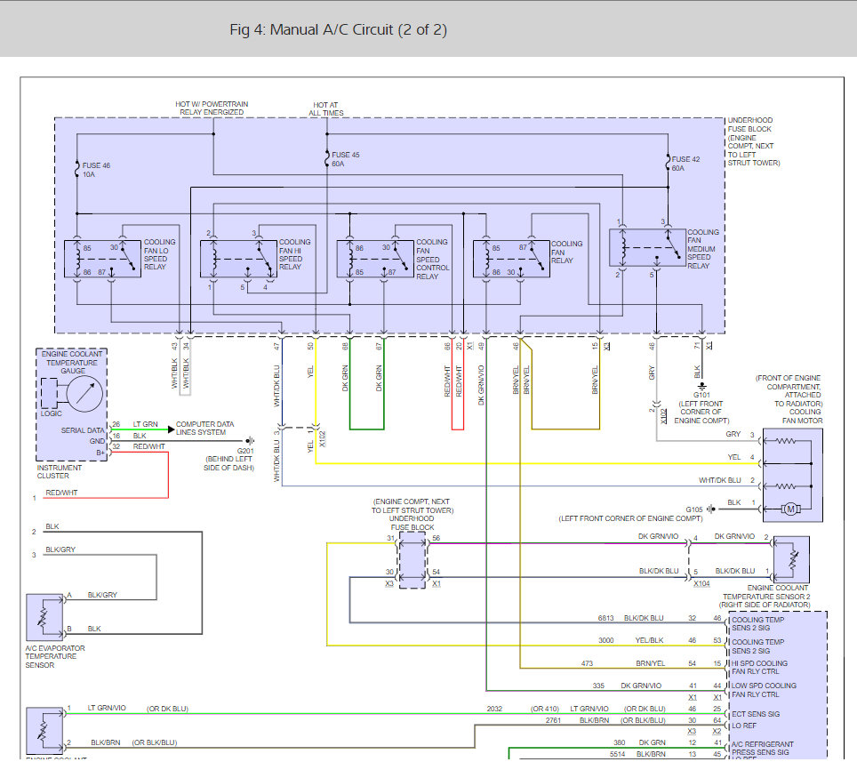
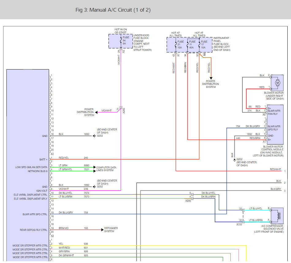
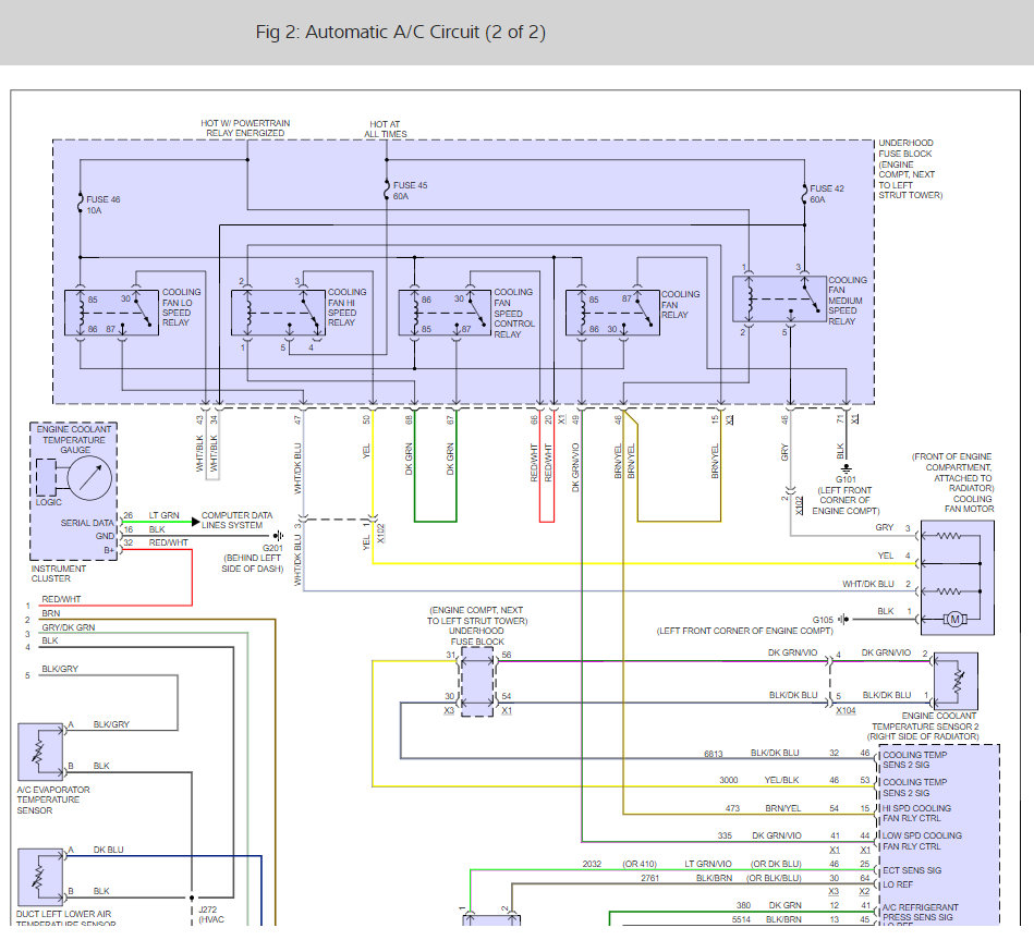
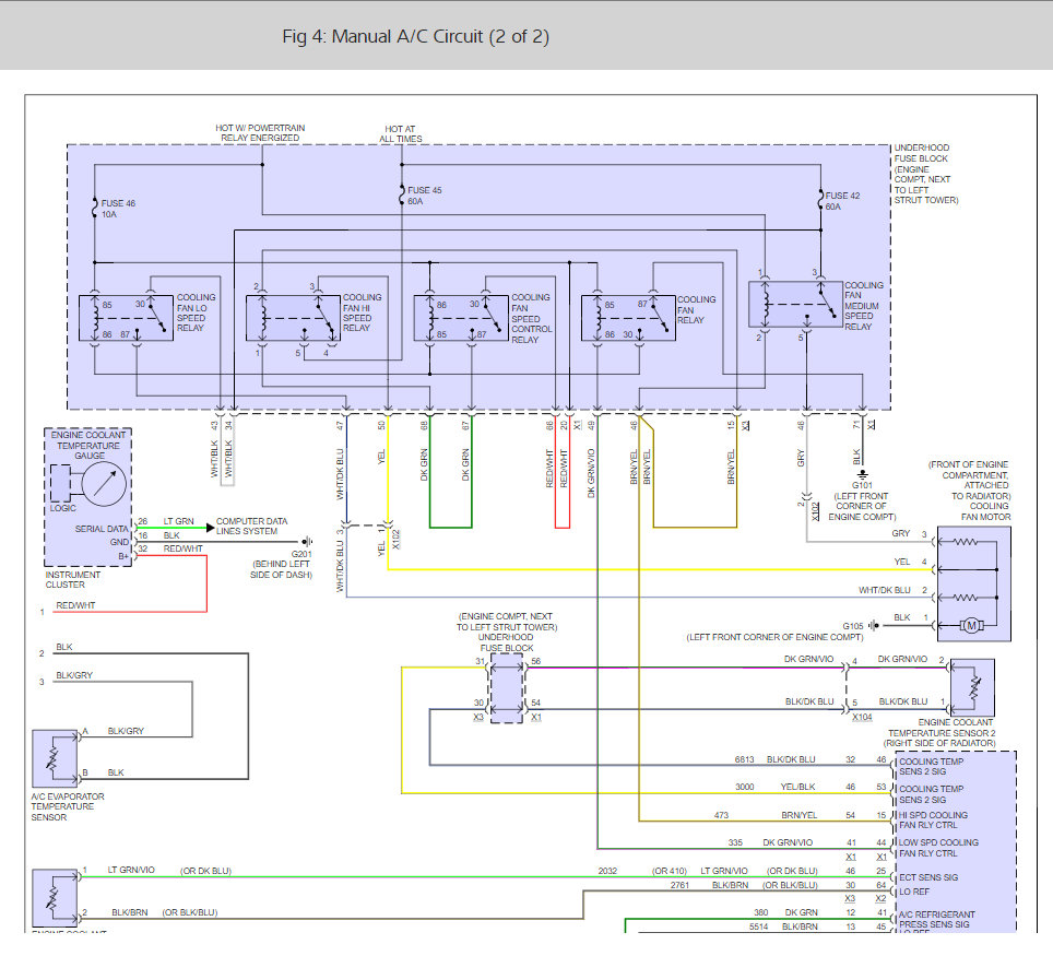
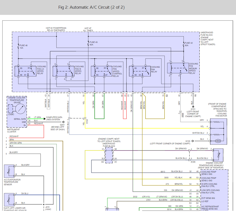
There are several fuses that run the system and there is a blower module that can go out causing the problem you have described. that need to be checked. Here are some guides and diagram (below) so you can do some easy testing so we can get the car fixed.

https://www.2carpros.com/articles/how-to-check-a-car-fuse

This guide should help as well.

https://www.2carpros.com/articles/blower-fan-motor-works-on-high-speed-only

The guide has the module with the blower motor.

Please let us know what happens and upload pictures or videos of the problem.

Cheers, Ken
Sep 21, 2017 at 1:08 PM