Climate control not working?

2008 CHEVROLET COBALT
100,999 MILES • 4 CYL • 2WD • AUTOMATIC
Avatar
DANIEL CHEATHAM
  • MEMBER
  • 5 POSTS
I started my car, and the blowing motor was working and then I turned the car off. When I turned the car back on the blowing motor wasn’t working. It was 25 degrees outside when I drove home and on the way home, I could feel warm air out the vents but the blowing motor which is usually decently loud enough to hear it still wasn’t working. I would switch the climate control to 1-4 and no sounds of it coming on or more air flow. But when I switch it to defrost it would tick a little bit but ultimately do nothing.
Jan 18, 2024 at 11:46 PM
Advertisement
Avatar
BORIS K
  • CERTIFIED EXPERT
  • 836 POSTS
Hello,

How to test blower motor:
https://www.2carpros.com/articles/blower-fan-motor-works-on-high-speed-only

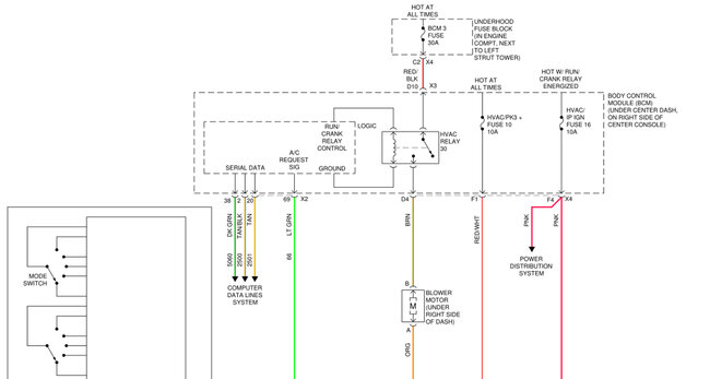
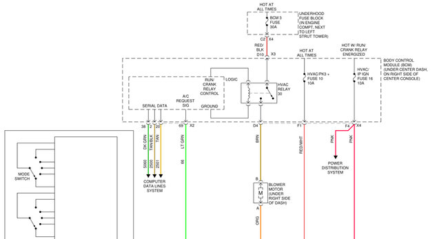
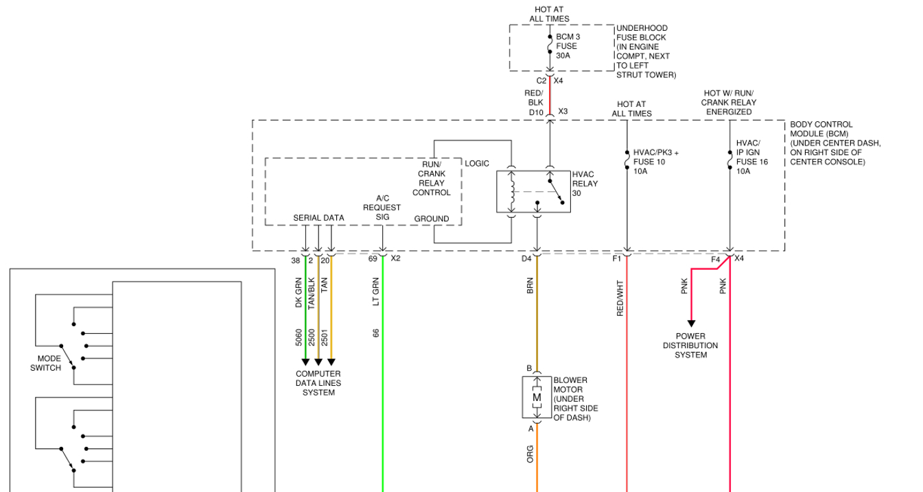
I would suggest to first check that fuse BCM3(30A) in under-hood fuse block is still intact, see diagram on image 2

How to test fuse:
https://www.2carpros.com/articles/how-to-check-a-car-fuse

How to use voltmeter:
https://www.2carpros.com/articles/how-to-use-a-voltmeter

How to use test light:
https://www.2carpros.com/articles/how-to-use-a-test-light-circuit-tester

How to access and replace (if required):
https://youtu.be/lGu-C3SpaJA?si=UoTp6VrOm59agrDT

At the blower motor you have a 2-pin connector. See image 1.
Pin A, orange wire is ground via the blower motor resistor.
Pin B, brown wire is 12V from HVAC relay from fuse BCM 3.

Using a voltmeter or a test light you can check the 12V and ground at the blower motor.

Ensure that the ignition is on, and the blower motor speed must not be off. If you have no ground at the lower speeds check that you have ground at the high-speed setting.
If ground is given, then you most likely have a failed blower motor resistor.

How to replace resistor:
https://youtu.be/xF0RztKbpEM?si=FuAZkh-WBu3TrXyv

Hope this helps.

Cheers, Boris
Jan 19, 2024 at 6:19 AM