Climate blower not working

1995 CHEVROLET 1500
200,000 MILES • 5.7L • V8 • 4WD • AUTOMATIC
Avatar
DANNY SENKOFF
  • MEMBER
  • 1 POST
Blower quit working.
Dec 26, 2018 at 7:39 AM
Advertisement
Avatar
ASEMASTER6371
  • CERTIFIED EXPERT
  • 52,796 POSTS
Good morning,

I would suspect a couple of things. The blower motor and the blower resistor are common failures for this but must be confirmed.

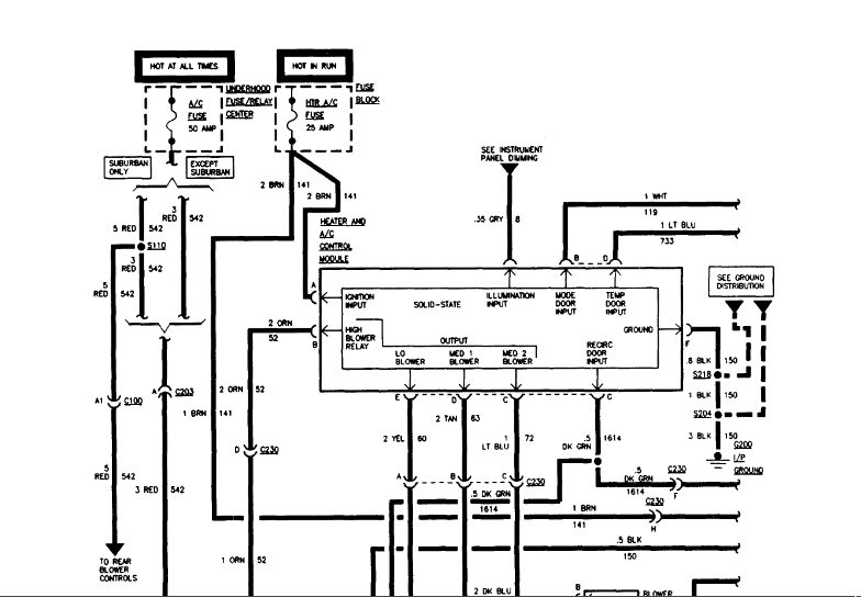
I would start by checking all the fuses for power on both sides with the key on. I attached a wire diagram for you to view and the fuses that need to be checked.

https://www.2carpros.com/articles/how-to-check-wiring

Beyond that, either the blower motor or the resistor may be the failure. check for power to the blower in the high position.

https://www.2carpros.com/articles/blower-fan-motor-works-on-high-speed-only

Roy
Dec 26, 2018 at 7:57 AM
Avatar
DANNY SENKOFF
  • MEMBER
  • 1 POST
Thanks for information. Will be a couple of hours before I can look at it again.
Dec 27, 2018 at 5:04 PM
Advertisement
Avatar
DANNY SENKOFF
  • MEMBER
  • 1 POST
Thanks installed new resistor working good.
Dec 27, 2018 at 5:32 PM
Avatar
STRAILER
  • CERTIFIED EXPERT
  • 53,854 POSTS
ASEMASTER6371 is one of our best! Use 2CarPros anytime, we are here to help. Please tell a friend.
Dec 27, 2018 at 5:33 PM