There are many reasons that a vehicle will not start so it is unlikely that this is an ignition switch again.
When you turn the key I am going to assume that you get a click or the starter does not turn over.
If that is the case then we need to follow this guide:
https://www.2carpros.com/articles/starter-not-working-repair
Basically we need to go to the starter and check for voltage on both wires.
https://www.2carpros.com/articles/how-to-check-wiring
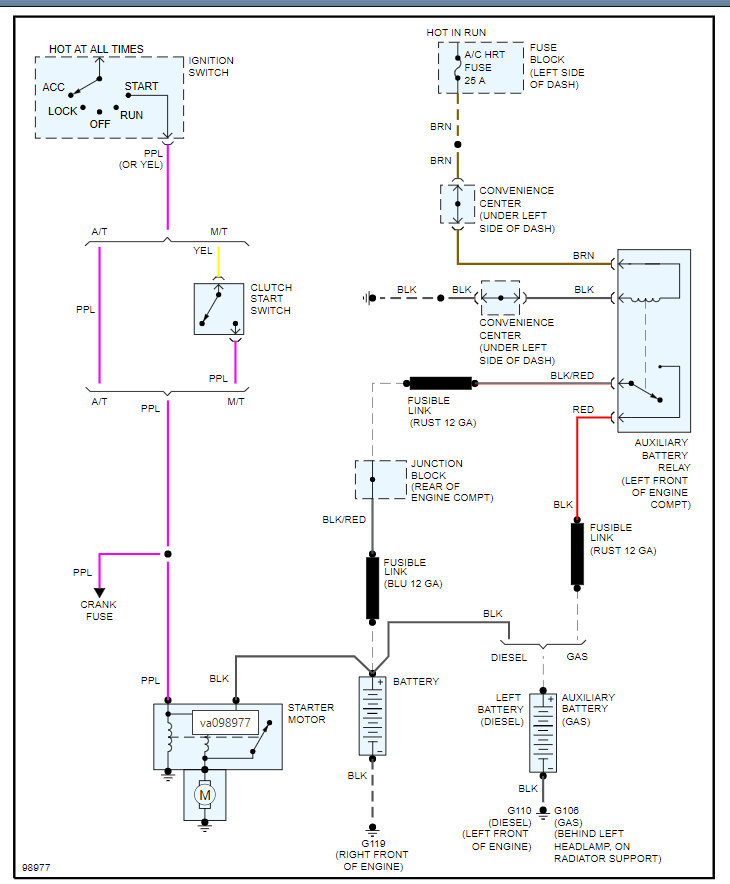
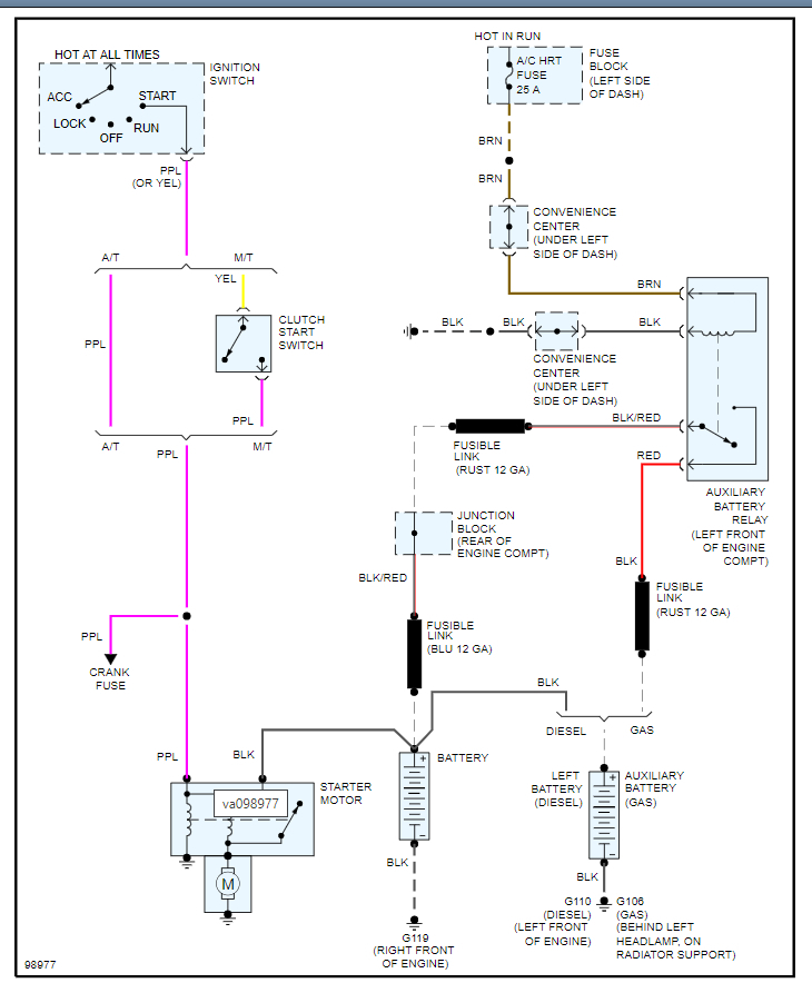
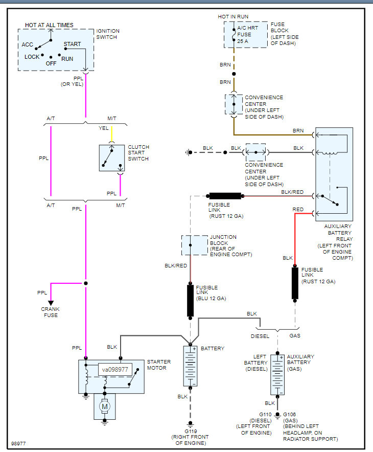
Please see the wiring diagram below for more detail on this but this may just be a simple starter solenoid that failed or even a clutch position switch.
So let me know what you find with this and we can go from there.
Thanks
Sep 12, 2021 at 3:02 PM