Hello all,
Now I am no mechanic but I just rebuilt the front end of my wife’s car!!
Parts I replaced!!
Shock towers,
Cv axels,
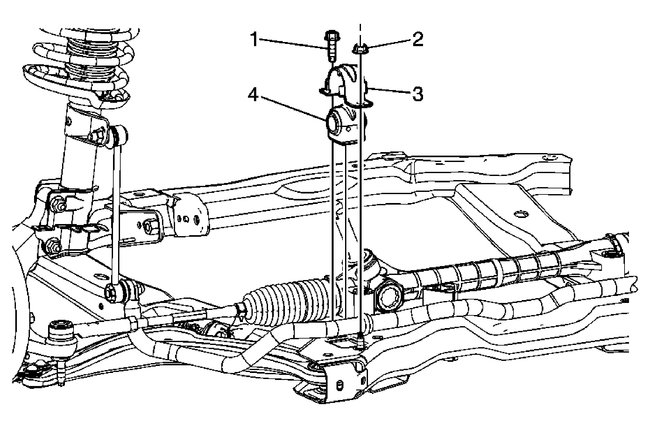
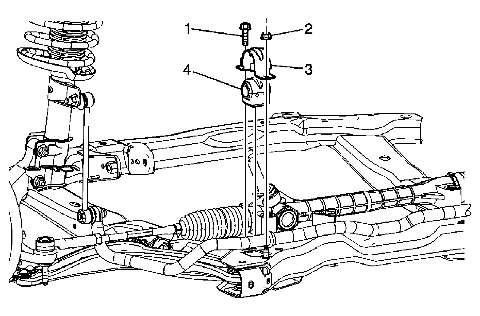
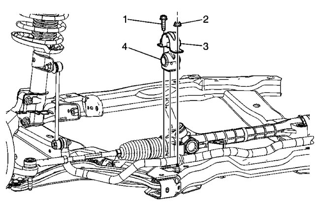
Control arms,
Inner and outer tie rods,
Hub assembly’s,
Rotors and brakes
Everything has been torqued to factory specs!!
At first everything sounded good and felt good driving! But the next time we drove it we noticed that there was a clicking noise coming from the front of the car! Everything is tight as it should be! I greased the steering bar is what I’m going to call it!
It sat over night and took it for a ride today! No noice what so ever ran and handled good!
Then wife had appointment so she took the car and said the noise is back!!
Can anyone help me out?
Plz no negative comments
Can’t afford to have a mechanic to it!
Now I am no mechanic but I just rebuilt the front end of my wife’s car!!
Parts I replaced!!
Shock towers,
Cv axels,
Control arms,
Inner and outer tie rods,
Hub assembly’s,
Rotors and brakes
Everything has been torqued to factory specs!!
At first everything sounded good and felt good driving! But the next time we drove it we noticed that there was a clicking noise coming from the front of the car! Everything is tight as it should be! I greased the steering bar is what I’m going to call it!
It sat over night and took it for a ride today! No noice what so ever ran and handled good!
Then wife had appointment so she took the car and said the noise is back!!
Can anyone help me out?
Plz no negative comments
Can’t afford to have a mechanic to it!
May 1, 2019 at 7:49 PM




