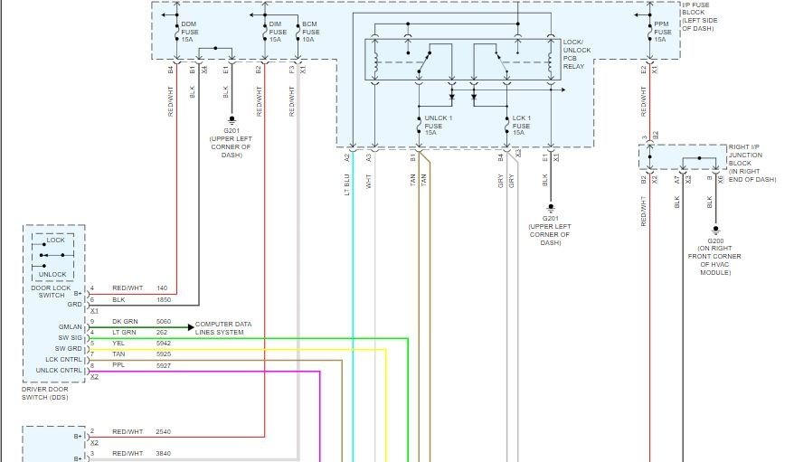
I keep hearing a clicking coming from the left rear door panel. sometimes the windows want to roll themselves down. the radio comes on with only a travel sound most of the time but has worked maybe three times since I’ve owned it. I’ve checked the fuses and they all seem to have power on the left side fuse box.
Jan 25, 2021 at 8:38 PM




