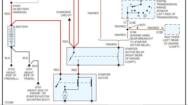
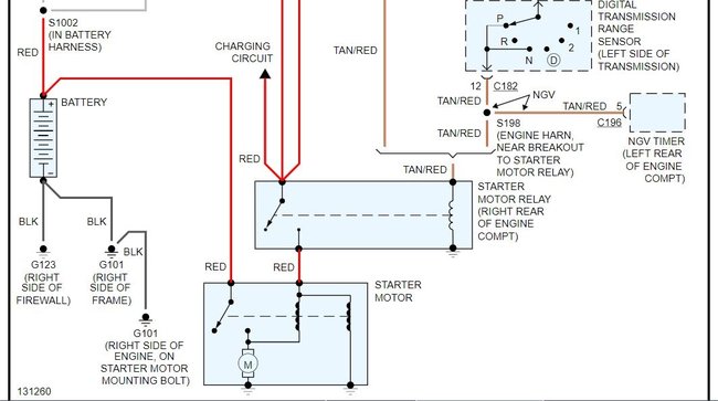
On my truck listed above Lariat 4.6l triton v8. I have replaced the battery, starter solenoid, starter and ignition relays, and nothing has fixed my vehicle. It still continues to click when trying to start it. It has completely drained a brand new battery twice now. Please help me.
Jan 14, 2020 at 8:08 AM



