Clear water inside of car

1994 CHEVROLET CORSICA
150,000 MILES • 3.1L • 6 CYL • 2WD • AUTOMATIC
Avatar
  • MEMBER
  • 3 POSTS
There's water on the inside floor boards of the car.
Mar 8, 2020 at 5:55 AM
Advertisement
Avatar
KASEKENNY
  • CERTIFIED EXPERT
  • 18,907 POSTS
Clear water is normally a water leak from a body seam or window. This is assuming that your cooling system is not just water but a coolant/water mix. If it is just clear water then it could be the heater core as well.

What part of the vehicle are you finding the water? Once we can locate what portion of the vehicle the water is coming in then we need to water test the vehicle to find out what the cause is. You want to start running water from low to high on the vehicle so that you can isolate the source quicker.

Let me know where in the vehicle and I will give you likely places it will come in. Thanks
Mar 8, 2020 at 8:40 AM
Avatar
  • MEMBER
  • 3 POSTS
The water is in the floor boards, arm rest as well as the trunk .
Mar 8, 2020 at 9:07 AM
Advertisement
Avatar
SCGRANTURISMO
  • CERTIFIED EXPERT
  • 4,897 POSTS
Hello,

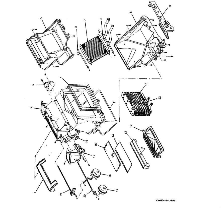
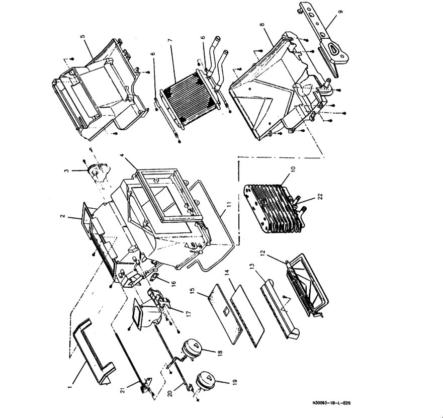
This could be a problem with your vehicle's heater core leaking. In the diagrams down below I have included the instructions for the removal and installation of the heater core for your vehicle. Please go through this guide and get back to us with how everything turns out.

Thanks,
Alex
2CarPros
Mar 8, 2020 at 10:15 AM
Avatar
KASEKENNY
  • CERTIFIED EXPERT
  • 18,907 POSTS
Do you have a sunroof?
Mar 8, 2020 at 3:43 PM
Avatar
  • MEMBER
  • 3 POSTS
No it doesn't have a sun roof.
Mar 8, 2020 at 3:55 PM
Avatar
KASEKENNY
  • CERTIFIED EXPERT
  • 18,907 POSTS
Okay. The trunk is making me think we have a leak somewhere from the center of the vehicle or further back.

Do you have rust on or in either wheel wheel area of the rear wheels? I circled the location in the picture attached.

If there is no rust then we need to start water testing the vehicle. The best way to do this is remove the carpets (you need to dry them anyway) so that you can see when the water is running in.

Start with the trunk. Clearly everything should be closed and then just use a hose and start strategically spraying the vehicle down so that you know where you are spraying when the water comes in. It would be easier if you have two people. One on the inside watching for water coming in. If not, then you will need to spray water in one area for about 5 minutes and then check inside the vehicle for water.

Continuing moving around the car until you find the place that water runs in, then you can start narrowing down the area. Let me know what questions you have. Thanks
Mar 8, 2020 at 4:54 PM